h1_key

TI(德州仪器) TPS53689
德州仪器 (TI) 全系列产品在线购买
  • TI(德州仪器) TPS53689
  • TI(德州仪器) TPS53689
  • TI(德州仪器) TPS53689
  • TI(德州仪器) TPS53689
  • TI(德州仪器) TPS53689
  • TI(德州仪器) TPS53689
立即查看
您当前的位置: 首页 > 电源管理 > 直流/直流开关稳压器 > 降压稳压器 > TPS53689
TPS53689

TPS53689

正在供货

具有 VR14 SVID 和 PMBus 的双通道八相降压数字多相 D-CAP+™ 控制器

产品详情
  • 说明
  • 特性
  • 参数
  • 封装 | 引脚 | 尺寸

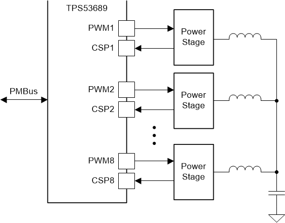
TPS53689 是一款符合 VR14 SVID 标准的降压控制器,具有双通道、内置非易失性存储器 (NVM) 和 PMBus™ 接口,而且与 TI NexFET™ 功率级完全兼容。D-CAP+ 架构等高级控制特性以及下冲衰减 (USR) 和过冲衰减 (OSR) 可提供快速瞬态响应、最低输出波纹和出色的动态电流共享。该器件还提供全新的相位交错策略和动态切相功能,可有效提升轻负载条件下的效率。还本地支持输出电压转换率和自适应电压定位的可调控制。此外,该器件还支持 PMBus 通信接口,可向主机系统报告遥测的电压、电流、功率、温度和故障状况。所有可编程参数均可通过 PMBus 接口进行配置,而且可作为新的默认值存储在 NVM 中,以尽可能减少外部组件数量。

TPS53689 器件采用散热增强型 40 引脚 QFN 封装,额定工作温度为 –40°C 至 125°C。

  • 输入电压范围:4.5V 至 17V
  • 输出电压范围:0.25V 至 5.5V
  • 支持 N+M 相位配置(N+M ≤ 8,M ≤ 4)的双路输出
  • 符合 Intel VR14 SVID 标准且支持 PSYS
  • 向后兼容 VR13.HC/VR13.0 SVID
  • 自动 NVM 故障状态记录
  • 动态电流限制,可提高快速电压模式性能
  • 与 TI NexFET™ 功率级完全兼容,可实现高密度解决方案
  • 增强型 D-CAP+ 控制可提供卓越的瞬态性能和出色的动态电流共享
  • 可通过可编程阈值实现动态切相,从而提高轻负载和重负载下的效率
  • 可通过非易失性存储器 (NVM) 进行配置,从而减少外部组件数量
  • 支持精确可调自适应电压定位(AVP、负载线)
  • 单独的每相位 IMON 校准,具有多斜率增益校准以提高系统精度。
  • 快速增相可实现瞬态下冲衰减
  • 具有可编程超时的二极管制动,可减少瞬态过冲
  • 获得专利的 AutoBalance™ 电流共享
  • 可编程的每相位谷值电流限制 (OCL)
  • PMBus™ v1.3.1 系统接口,用于遥测电压、电流、功率、温度和故障条件
  • 可通过 PMBus 对环路补偿进行编程
  • 无驱动器配置,有助于实现高效的高频开关
  • 5.00 mm × 5.00 mm、 40 引脚 QFN 封装
Vin (min) (V)4.5
Vin (max) (V)17
Vout (min) (V)0.25
Vout (max) (V)5.5
Iout (max) (A)765
Iq (typ) (mA)50
Switching frequency (min) (kHz)300
Switching frequency (max) (kHz)1500
FeaturesAdjustable current limit, Dynamic Voltage Scaling, Enable, Frequency synchronization, I2C, Light Load Efficiency, Multiple Outputs, PMBus, Phase Interleaving, Power good, Pre-Bias Start-Up, Remote Sense, SVID, Synchronous Rectification, UVLO adjustable, Voltage Margining
Operating temperature range (°C)-40 to 125
Regulated outputs (#)2
Number of phases8
RatingCatalog
Control modeD-CAP+
TypeController
WQFN (RSB)4025 mm² 5 x 5
产品购买
  • 商品型号
  • 封装
  • 工作温度
  • 包装
  • 价格
  • 现货库存
  • 操作
10s
温馨提示:
订单商品问题请移至我的售后服务提交售后申请,其他需投诉问题可移至我的投诉提交,我们将在第一时间给您答复
返回顶部