h1_key

TI(德州仪器) TPS563211
德州仪器 (TI) 全系列产品在线购买
  • TI(德州仪器) TPS563211
  • TI(德州仪器) TPS563211
  • TI(德州仪器) TPS563211
  • TI(德州仪器) TPS563211
  • TI(德州仪器) TPS563211
  • TI(德州仪器) TPS563211
立即查看
您当前的位置: 首页 > 电源管理 > 直流/直流开关稳压器 > 降压稳压器 > TPS563211
TPS563211

TPS563211

正在供货

采用 SOT583 封装且具有 1% 精度、PG/SS 和 PFM/强制 PWM 的 4.2V 至 18V、3A 同步降压转换器

产品详情
  • 说明
  • 特性
  • 参数
  • 封装 | 引脚 | 尺寸

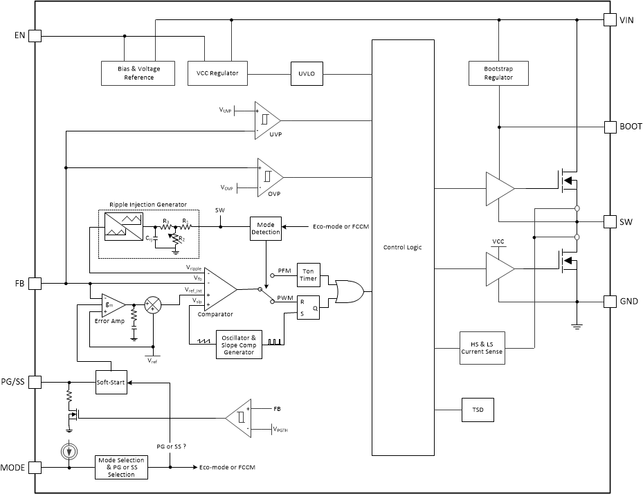
TPS563211 是一款具有成本效益且高度灵活的同步降压转化器,提供可选的 Eco-mode 或强制连续导通模式 (FCCM) 操作。另外还可以通过 MODE 引脚配置可选的电源正常状态指示器或外部软启动。通过正确配置使能、电源正常状态指示器或外部软启动可以实现电源时序控制。4.2V 至 18V 的宽输入电压范围支持 12V 和 15V 等各种常见的输入电压轨。其输出电压为 0.6V 至 7V,支持高达 3A 的持续输出电流。

该器件采用高级仿真电流模式 (AECM) 控制拓扑,能够提供快速瞬态响应和真正的固定开关频率。借助内部智能环路带宽控制,该器件无需外部补偿,即可在宽输出电压范围内实现快速瞬态响应。

高侧峰值电流的逐周期电流限制可在过载情况下保护器件,并通过低侧谷值电流限制防止电流失控,增强限制效果。在过压保护 (OVP)、欠压保护 (UVP)、UVLO 保护和热关断保护情况下将触发打嗝模式。

此器件采用 1.6mm x 2.1mm SOT583 封装。

  • 输入电压:4.2 V 至 18 V
  • 输出电压:0.6V 至 7V
    • 高达 3A 的持续输出电流
    • 最短导通时间:45ns
    • 最大占空比: 98%
  • 高效率
    • 集成式 66mΩ 和 33mΩ MOSFET
    • 静态电流 120µA(典型值)
  • 高度灵活且易于使用
    • 可选 Eco-mode 或 FCCM 操作
    • 可选的电源正常状态指示器或外部软启动
    • 精密使能输入
  • 高精度
    • 基准电压精度:±1% (25°C)
    • 开关频率容差:±8.5%
  • 小解决方案尺寸
    • 内置补偿功能,便于使用
    • SOT583 封装
    • 最小外部元件数量
  • 用于高侧和低侧 MOSFET 的逐周期电流限制
  • 非锁存 OVP、UVP、UVLO 和 TSD 保护
  • 使用 TPS563211 并借助 WEBENCH® Power Designer 创建定制设计方案
Vin (min) (V)4.2
Vin (max) (V)18
Vout (min) (V)0.6
Vout (max) (V)7
Iout (max) (A)3
Iq (typ) (mA)0.12
Switching frequency (min) (kHz)550
Switching frequency (max) (kHz)650
FeaturesEnable, Forced PWM, Light Load Efficiency, Over Current Protection, Power good, Soft Start Adjustable
Operating temperature range (°C)-40 to 125
RatingCatalog
Regulated outputs (#)1
Control modeACM/AECM
Duty cycle (max) (%)98
TypeConverter
SOT-5X3 (DRL)83.36 mm² 2.1 x 1.6
产品购买
  • 商品型号
  • 封装
  • 工作温度
  • 包装
  • 价格
  • 现货库存
  • 操作
10s
温馨提示:
订单商品问题请移至我的售后服务提交售后申请,其他需投诉问题可移至我的投诉提交,我们将在第一时间给您答复
返回顶部