h1_key

TI(德州仪器) BQ51013B-Q1
德州仪器 (TI) 全系列产品在线购买
  • TI(德州仪器) BQ51013B-Q1
  • TI(德州仪器) BQ51013B-Q1
  • TI(德州仪器) BQ51013B-Q1
  • TI(德州仪器) BQ51013B-Q1
  • TI(德州仪器) BQ51013B-Q1
  • TI(德州仪器) BQ51013B-Q1
立即查看
您当前的位置: 首页 > 电源管理 > 电池管理 IC > 电池充电器 IC > BQ51013B-Q1
BQ51013B-Q1

BQ51013B-Q1

正在供货

符合 WPC 1.2 标准的汽车类完全集成式无线电源接收器 IC

产品详情
  • 说明
  • 特性
  • 参数
  • 封装 | 引脚 | 尺寸

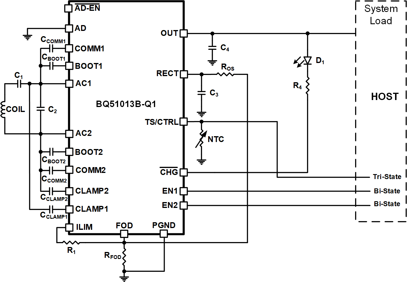
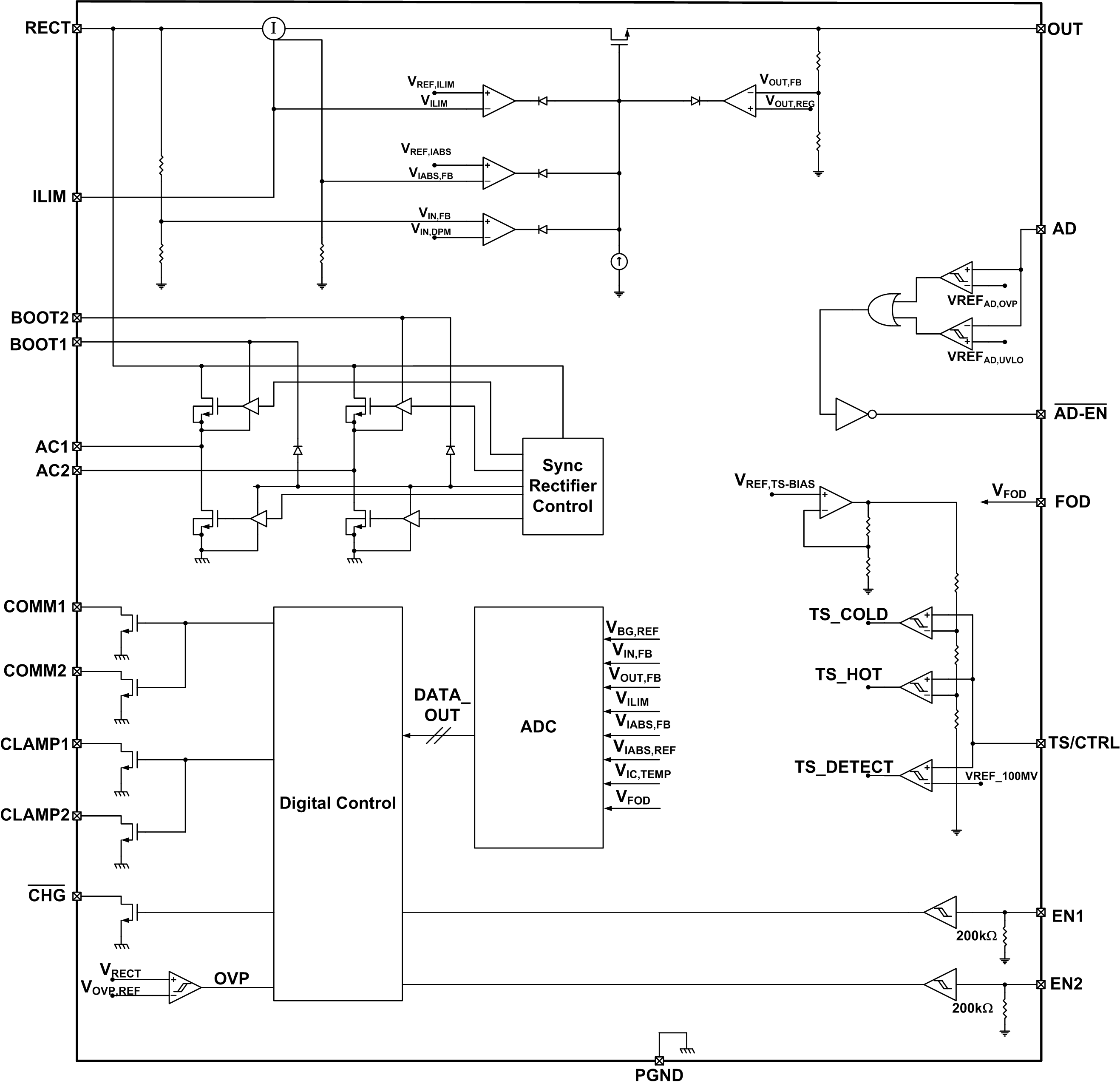
BQ51013B-Q1 器件是一款灵活的高级单芯片次级侧器件,适用于便携式应用中的无线电力传输,可提供高达 5W 功率。BQ51013B-Q1 器件在集成符合无线电源联盟 (WPC) Qi v1.2 通信协议所需的数字控制的同时,提供接收器 (RX) 交流/直流电源转换和稳压。BQ51013B-Q1 与 BQ50012A 初级侧控制器(或其他 Qi 发送器)相结合,可为无线电源解决方案实现一个完整的非接触式电力传输系统。使用 Qi v1.2 协议,在次级侧与初级侧之间建立全局反馈,从而控制电力传输过程。

BQ51013B-Q1 集成了一个低电阻同步整流器、低压降稳压器 (LDO)、数字控制以及精确的电压和电流环路,可确保高效率和低功率耗散。

The BQ51013B-Q1 also includes a digital controller that calculates the amount of power received by the mobile device within the limits set by the WPC v1.2 standard. The controller then communicates this information to the transmitter (TX) to allow the TX to determine if a foreign object is present within the magnetic interface and introduces a higher level of safety within magnetic field. This Foreign Object Detection (FOD) method is part of the requirements under the WPC v1.2 specification.

  • 符合汽车应用要求
  • 具有符合 AEC-Q100 标准的下列特性:
    • 器件温度等级 1:–40°C 至 +125°C 的工作环境温度范围
    • 器件 HBM ESD 分类等级 2
    • 器件 CDM ESD 分类等级 C4B
  • 集成无线电源接收器解决方案
    • 93% 的整体峰值交流/直流转换效率
    • 完全同步整流器
    • 符合 WPC v1.2 标准的通信控制
    • 输出电压调节
    • 仅在 Rx 线圈和输出之间需要 IC
  • 符合无线电源联盟 (WPC) v1.2 标准(启用 FOD)的高精度电流检测
  • 动态整流器控制,可改进负载瞬态响应
  • 动态效率调节,可在各种输出功率下优化性能
  • 自适应通信限制功能,可实现可靠的通信
  • 支持 20V 最大输入电压
  • 低功率耗散整流器过压钳位 (V OVP = 15V)
  • 热关断保护
  • 用于温度监控、充电完成和故障主机控制的多功能 NTC 和控制引脚
Vin (max) (V)7
Absolute max Vin (max) (V)20
Vin (min) (V)4
RatingAutomotive
Operating temperature range (°C)-40 to 125
VQFN (RHL)2015.75 mm² 4.5 x 3.5
产品购买
  • 商品型号
  • 封装
  • 工作温度
  • 包装
  • 价格
  • 现货库存
  • 操作
10s
温馨提示:
订单商品问题请移至我的售后服务提交售后申请,其他需投诉问题可移至我的投诉提交,我们将在第一时间给您答复
返回顶部