h1_key

TI(德州仪器) TPS92380
德州仪器 (TI) 全系列产品在线购买
  • TI(德州仪器) TPS92380
  • TI(德州仪器) TPS92380
  • TI(德州仪器) TPS92380
  • TI(德州仪器) TPS92380
  • TI(德州仪器) TPS92380
  • TI(德州仪器) TPS92380
立即查看
您当前的位置: 首页 > 电源管理 > LED 驱动器 > 背光 LED 驱动器 > TPS92380
TPS92380

TPS92380

正在供货

具有三通道 120mA 输出的 45V LED 背光驱动器

产品详情
  • 说明
  • 特性
  • 参数
  • 封装 | 引脚 | 尺寸

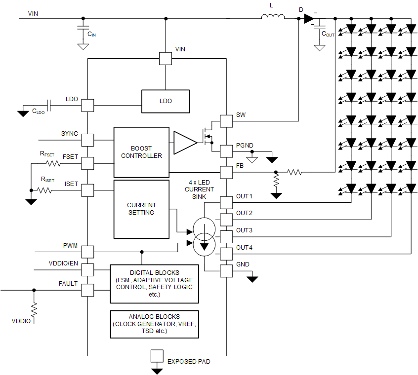
TPS92380、TPS92381 是一款具有直流/直流转换器的高度集成、高输出功率且易于使用的 LED 驱动器。直流/直流转换器支持升压和 SEPIC 工作模式。此器件具有四个或三个高精度灌电流,可以将这些电流组合在一起以获得更高的电流能力。

直流/直流转换器可基于 LED 正向电压提供自适应输出电压控制。该特性可在所有条件下将电压调节到能够满足需要的最低水平,从而更大限度降低功耗。为了降低 EMI,直流/直流转换器支持针对开关频率进行扩频以及使用专用引脚实现外部同步。凭借宽范围可调频率, TPS9238x 可避免敏感频段的干扰。

TPS9238x 的输入电压范围为 4.5V 至 40V。 TPS9238x 集成了丰富的故障检测功能。

  • 3 通道、4 通道 120mA 灌电流
    • 在 100Hz 时具有 10 000:1 的高调光比
    • 电流匹配度为 1%(典型值)
    • LED 灯串电流高达 120mA/通道
    • 可以在外部组合输出,以便为每个灯串提供更高的电流
  • 用于 LED 灯串电源的集成式升压和 SEPIC 转换器
    • 输入电压工作范围:4.5V 至 40V
    • 输出电压最高达 45V
    • 集成式 3.3A 开关 FET
    • 开关频率为 300kHz 至 2.2MHz
    • 开关同步输入
    • 扩频,以实现更低的 EMI
  • 故障检测和保护
    • 故障输出
    • 输入电压过压保护 (OVP)、欠压锁定 (UVLO) 和过流保护 (OCP)
    • 升压块 SW OVP 和输出 OVP
    • LED 开路和短路故障检测
    • 热关断
Number of channels3
Vin (min) (V)4.5
Vin (max) (V)40
Vout (min) (V)6
Vout (max) (V)45
TypeInductive
Switching frequency (max) (kHz)2200
LED current per channel (mA)120
Peak efficiency (%)90
TopologyBoost, Current Sink
FeaturesAdjustable Switch Frequency, Direct PWM Dimming, Enable/Shutdown, Fault Detection, Integrated Switch, PWM control, Programmable output current, Thermal shutdown
Operating temperature range (°C)-40 to 125
RatingCatalog
HTSSOP (PWP)2041.6 mm² 6.5 x 6.4
产品购买
  • 商品型号
  • 封装
  • 工作温度
  • 包装
  • 价格
  • 现货库存
  • 操作
10s
温馨提示:
订单商品问题请移至我的售后服务提交售后申请,其他需投诉问题可移至我的投诉提交,我们将在第一时间给您答复
返回顶部