h1_key

TI(德州仪器) TPS92633
德州仪器 (TI) 全系列产品在线购买
  • TI(德州仪器) TPS92633
  • TI(德州仪器) TPS92633
  • TI(德州仪器) TPS92633
  • TI(德州仪器) TPS92633
  • TI(德州仪器) TPS92633
  • TI(德州仪器) TPS92633
立即查看
您当前的位置: 首页 > 电源管理 > LED 驱动器 > 照明 LED 驱动器 > TPS92633
TPS92633

TPS92633

正在供货

具有热共享和非板载分级功能的三通道高侧 LED 驱动器

产品详情
  • 说明
  • 特性
  • 参数
  • 封装 | 引脚 | 尺寸

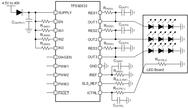
TPS92633 三通道 LED 驱动器采用独特的热管理设计,可减少器件温升。 TPS92633 线性驱动器每通道可输出高达 150mA 的满电流负载。外部分流电阻器可用来共享输出电流并由驱动器驱动。 TPS92633 还驱动 LED 单元和非板载亮度分级电阻器,从而简化制造过程并降低整体系统成本。它具有全面的诊断功能,包括 LED 开路、LED 接地短路和单个 LED 短路检测。

  • 宽输入电压范围:4.5V 至 40V
  • 通过外部分流电阻器实现热共享功能
  • 故障模式下具有低电源电流
  • 三通道高精度电流调节:
    • 每个通道的电流输出高达 150mA
    • 在整个温度范围内精度为 ±5%
    • 通过电阻器独立设置电流
    • 用于亮度控制的独立 PWM 引脚
    • 支持非板载亮度分级电阻
    • 支持外部 NTC 进行电流降额
  • 低压降:
    • 最大压降:150mA 时为 600mV
  • 诊断和保护
    • LED 开路,具有自动恢复功能
    • LED 接地短路,具有自动恢复功能
    • 单 LED 短路检测及自动恢复
    • 支持诊断并具有可调阈值
    • 可配置为连带失效或仅失效通道关闭的故障总线 (N-1)
    • 热关断
  • 工作结温范围:– 55°C 至 150°C
Input voltage typeLinear
TopologyCurrent Source
Vin (min) (V)4.5
Vin (max) (V)40
Vout (max) (V)40
Vout (min) (V)0
Iout (max) (A)0.45
Iq (typ) (mA)1.5
FeaturesEnable/Shutdown, Fault Detection, Fault Diagnostic, LED Short to Ground Detection, LED Shorted Detection, PWM Dimming, Thermal shutdown
Operating temperature range (°C)-55 to 125
Dimming methodPWM
Number of channels0
RatingCatalog
HTSSOP (PWP)2041.6 mm² 6.5 x 6.4
产品购买
  • 商品型号
  • 封装
  • 工作温度
  • 包装
  • 价格
  • 现货库存
  • 操作
10s
温馨提示:
订单商品问题请移至我的售后服务提交售后申请,其他需投诉问题可移至我的投诉提交,我们将在第一时间给您答复
返回顶部