h1_key

TI(德州仪器) TPS61379-Q1
德州仪器 (TI) 全系列产品在线购买
  • TI(德州仪器) TPS61379-Q1
  • TI(德州仪器) TPS61379-Q1
  • TI(德州仪器) TPS61379-Q1
  • TI(德州仪器) TPS61379-Q1
  • TI(德州仪器) TPS61379-Q1
  • TI(德州仪器) TPS61379-Q1
立即查看
您当前的位置: 首页 > 电源管理 > 直流/直流开关稳压器 > 升压稳压器 > TPS61379-Q1
TPS61379-Q1

TPS61379-Q1

正在供货

25µA 静态电流同步升压转换器

产品详情
  • 说明
  • 特性
  • 参数
  • 封装 | 引脚 | 尺寸

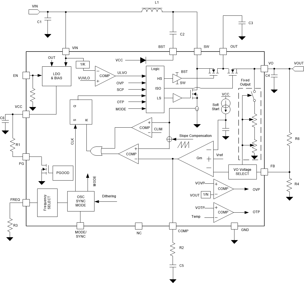
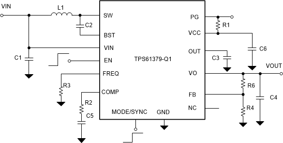
TPS61379-Q1 是一款完全集成的同步升压转换器,集成了负载断开功能。输入电压范围从 2.3V 到 14V,最大输出电压高达 18.5V。开关电流限制典型值为 2A。它会消耗 VIN 25µA 的静态电流。

TPS61379-Q1 采用峰值电流模式控制,可编程开关频率在 200kHz 到 2.2MHz 之间。在中等到重负载条件下,该器件在固定频率 PWM 模式下运行。在轻负载条件下,通过配置 MODE 引脚可实现两种可选模式:自动 PFM 模式和强制 PWM 模式,以便在轻负载条件下实现效率和抗噪性平衡。可与外部时钟同步开关频率。TPS61379-Q1 使用内部时钟展频在 FPWM 模式下提升 EMI 友好性。此外,还有内部软启动时间来限制浪涌电流。

TPS61379-Q1 有各种固定输出电压版本,可节省外部反馈电阻器。它支持外部环路补偿,在更广泛的 VOUT/VIN 范围内优化稳定性和瞬态响应。它还集成了稳健的保护特性,包括输出短路保护、输出过压保护和热关断保护。TPS61379-Q1 采用具有可湿性侧面的 3mm × 3mm 16 引脚 QFN 封装。

  • 符合面向汽车应用的 AEC-Q100 标准
    • 器件温度等级 1:-40°C 至 125°C 环境工作温度范围
  • 提供功能安全
    • 可帮助进行功能安全系统设计的文档
  • 灵活的输入和输出工作范围
    • 输入电压范围:2.3V 至 14V
    • 可编程输出电压范围:4.0V 至 18.5V
    • 5V、5.25V、5.5V 固定输出选项
    • 固定 2A 峰值电流限制
  • 避免 AM 频带干扰和串扰
    • 动态可编程开关频率:200kHz 至 2.2MHz
    • 扩频调频
    • 可选的时钟同步
  • 尽量减小解决方案尺寸,用于空间受限型应用
    • 集成式 LS/HS/ISO FET:RDS(ON) 50mΩ/50mΩ/100mΩ
    • 支持高达 2.2MHz,L-C 较小
  • 尽量减少轻负载和空闲状态的电流消耗
    • VIN 引脚静态电流为 25µA
    • VIN 引脚关断电流为 0.5µA
    • 可选择自动 PFM 和强制 PWM 模式
    • 关断期间或出现故障时真正负载断开连接
  • 集成型保护特性
    • 支持接近 VOUT 运行电压的 VIN
    • 输入欠压锁定和输出过压保护
    • 断续输出短路保护
    • 电源正常状态指示器
    • 165°C 的热关断保护限制
  • 0.25A 负载条件下进行 3.3V 至 9V 转换时效率高于 90%
TopologyBoost
Vin (min) (V)2.3
Vin (max) (V)14
Vout (min) (V)4
Vout (max) (V)18.5
Switch current limit (typ) (A)2
TypeConverter
Regulated outputs (#)1
Switching frequency (min) (kHz)200
Switching frequency (max) (kHz)2200
Iq (typ) (mA)0.025
FeaturesEnable, Frequency synchronization, Light Load Efficiency, Load Disconnect, Power good, Spread Spectrum, Synchronous Rectification, UVLO Fixed
TI functional safety categoryFunctional Safety-Capable
Duty cycle (max) (%)90
Operating temperature range (°C)-40 to 125
RatingAutomotive
WQFN (RTE)169 mm² 3 x 3
产品购买
  • 商品型号
  • 封装
  • 工作温度
  • 包装
  • 价格
  • 现货库存
  • 操作
10s
温馨提示:
订单商品问题请移至我的售后服务提交售后申请,其他需投诉问题可移至我的投诉提交,我们将在第一时间给您答复
返回顶部