h1_key

TI(德州仪器) TPS92391
德州仪器 (TI) 全系列产品在线购买
  • TI(德州仪器) TPS92391
  • TI(德州仪器) TPS92391
  • TI(德州仪器) TPS92391
  • TI(德州仪器) TPS92391
  • TI(德州仪器) TPS92391
  • TI(德州仪器) TPS92391
立即查看
您当前的位置: 首页 > 电源管理 > LED 驱动器 > 背光 LED 驱动器 > TPS92391
TPS92391

TPS92391

正在供货

具有 6 个 200mA 通道的升压/SEPIC 高调光性能 LED 驱动器

产品详情
  • 说明
  • 特性
  • 参数
  • 封装 | 引脚 | 尺寸

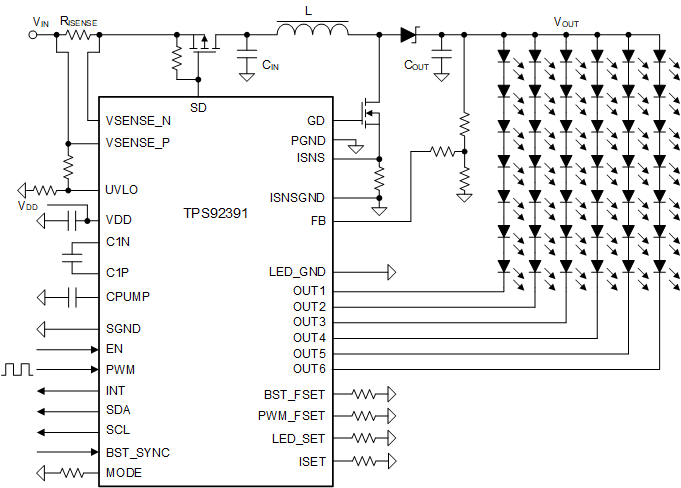
TPS92391 是一款具有升压控制器的 汽车类 高效 LED 驱动器。 六路高精度电流阱支持根据使用的通道数自动调整相移。可通过 I²C 接口或 PWM 输入对 LED 亮度进行全局控制。

升压控制器具有基于 LED 电流阱余量电压的自适应输出电压控制。该特性可在所有条件下将升压电压调节到能够满足需要的最低水平,从而最大限度降低功耗。 凭借宽范围可调频率, TPS92391 可避免调幅 (AM) 射频波段的干扰。

TPS92391 支持内置混合 PWM 调光和模拟电流调光,从而可降低 EMI、延长 LED 使用寿命并提高总光学效率。

  • 输入电压工作范围:3V 至 48V
  • 六路高精度电流阱
    • 各电流阱直流电流高达 200mA
    • 电流匹配度为 1%(典型值)
    • 使用 152Hz LED 输出 PWM 频率时,调光比为 32000:1
    • 使用 I2C 或 PWM 输入时,最高 16 位 LED 调光分辨率
    • 可配置 8 个 LED 灯串
  • 自动移相 PWM 调光
  • 12 位模拟调光
  • 开关频率为 100kHz 至 2.2MHz
  • 升压扩频功能可降低 EMI
  • 升压同步输入,可通过外部时钟设置升压开关频率
  • 最高 48V V OUT 升压或 SEPIC 直流/直流控制器
    • 开关频率为 100kHz 至 2.2MHz
    • 升压扩频功能可降低 EMI
    • 升压同步输入,可通过外部时钟设置升压开关频率
  • 多种故障诊断功能
Number of channels6
Vin (min) (V)3
Vin (max) (V)48
Vout (min) (V)1
Switching frequency (max) (kHz)2200
LED current per channel (mA)200
TopologyBoost, Current Sink
FeaturesAdjustable Switch Frequency, Analog Dimming, Analog/PWM mixed dimming, Enable/Shutdown, Fault Detection, I2C control, OVP, PWM control, Programmable output current, Soft Start, Thermal shutdown
Operating temperature range (°C)-40 to 125
RatingCatalog
VQFN (RHB)3225 mm² 5 x 5
产品购买
  • 商品型号
  • 封装
  • 工作温度
  • 包装
  • 价格
  • 现货库存
  • 操作
10s
温馨提示:
订单商品问题请移至我的售后服务提交售后申请,其他需投诉问题可移至我的投诉提交,我们将在第一时间给您答复
返回顶部