h1_key

TI(德州仪器) TPS62824A
德州仪器 (TI) 全系列产品在线购买
  • TI(德州仪器) TPS62824A
  • TI(德州仪器) TPS62824A
  • TI(德州仪器) TPS62824A
  • TI(德州仪器) TPS62824A
  • TI(德州仪器) TPS62824A
  • TI(德州仪器) TPS62824A
立即查看
您当前的位置: 首页 > 电源管理 > 直流/直流开关稳压器 > 降压稳压器 > TPS62824A
TPS62824A

TPS62824A

正在供货

采用 1.5mm × 1.5mm QFN 封装且具有强制 PWM 的 2.4V 至 5.5V 输入、1A 降压转换器

产品详情
  • 说明
  • 特性
  • 参数
  • 封装 | 引脚 | 尺寸

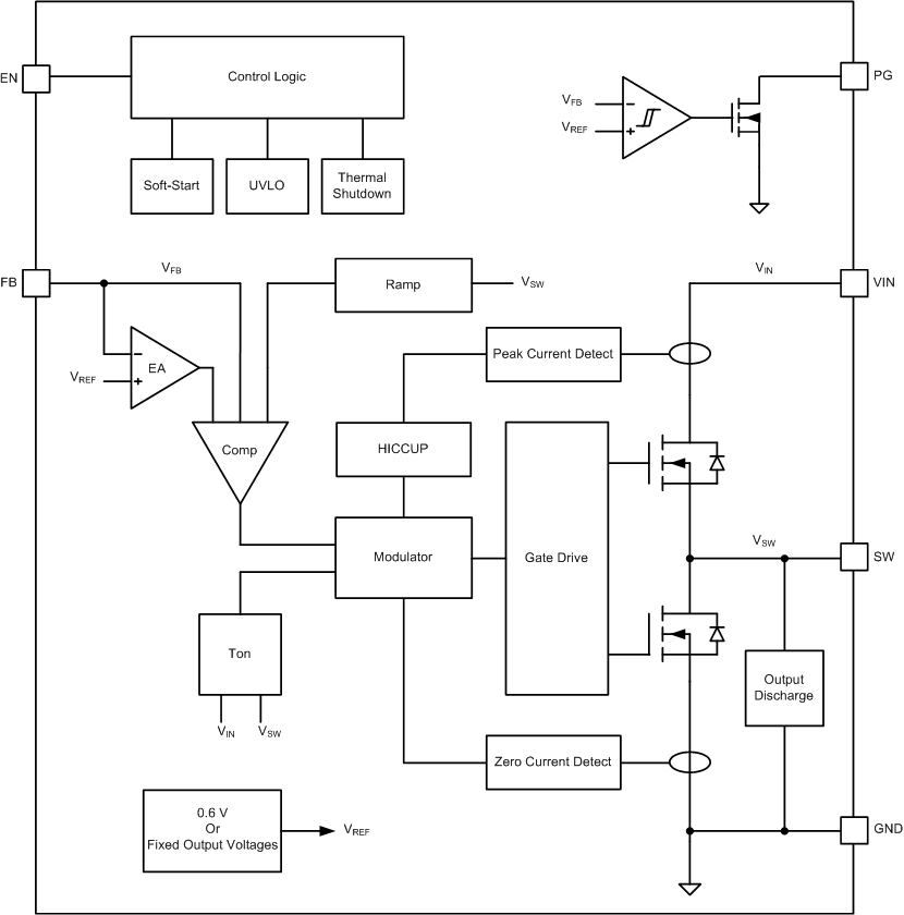
TPS6282x 是易于使用的同步直流/直流降压转换器系列,具有仅 4µA 的超低静态电流。该器件基于 DCS 控制拓扑,可实现快速瞬态响应。由于具有内部基准,该产品可在 -40°C 至 125°C 的结温范围内以 1% 的高反馈电压精度将输出电压调节到 0.6V 以下。该系列器件具有引脚对引脚和 BOM 对 BOM 兼容性。整个解决方案需要一个小型 470nH 电感器、一个 4.7µF 输入电容器和两个 10µF 或一个 22µF 的输出电容器。

TPS6282x 具有两种型号。第一种型号可自动进入省电模式,在超轻负载条件下保持高效率,从而延长系统电池的运行时间。第二种型号可实现强制 PWM 运行,以维持连续导通模式,从而确保超低的输出电压纹波和准固定开关频率。该器件具有电源正常信号和内部软启动电路。该器件能够以 100% 模式运行。在故障保护方面,该器件加入了断续短路保护以及热关断功能。该器件采用 6 引脚 1.5mm × 1.5mm QFN 封装,可提供功率密度超高的解决方案。

  • 可作为集成电感器的电源模块:TPSM82821、TPSM82822 和 TPSM82823
  • DCS-Control 拓扑
  • 1% 反馈或输出电压精度(整个温度范围)
  • 效率高达 97%
  • 26mΩ 和 25mΩ 内部功率 MOSFET
  • 2.4V 至 5.5V 输入电压范围
  • 4µA 工作静态电流
  • 2.2MHz 开关频率
  • 可调输出电压范围为 0.6V 至 4V
  • 可实现轻负载效率的省电模式
  • 可实现最低压降的 100% 占空比
  • 有源输出放电
  • 电源正常状态输出
  • 热关断保护
  • 断续短路保护
  • 强制 PWM 版本可支持 CCM 运行
  • 使用 TPS6282x 并借助 WEBENCH 电源设计器创建定制设计方案
Vin (min) (V)2.4
Vin (max) (V)5.5
Vout (min) (V)0.6
Vout (max) (V)4
Iout (max) (A)1
Iq (typ) (mA)0.004
Switching frequency (min) (kHz)2200
Switching frequency (max) (kHz)2200
FeaturesEnable, Forced PWM, Output discharge, Over Current Protection, Power good, Pre-Bias Start-Up, Soft Start Fixed, Synchronous Rectification, UVLO fixed
Operating temperature range (°C)-40 to 125
RatingCatalog
Regulated outputs (#)1
Control modeConstant on-time (COT), DCS-Control
Duty cycle (max) (%)100
TypeConverter
VSON-HR (DMQ)62.25 mm² 1.5 x 1.5
产品购买
  • 商品型号
  • 封装
  • 工作温度
  • 包装
  • 价格
  • 现货库存
  • 操作
10s
温馨提示:
订单商品问题请移至我的售后服务提交售后申请,其他需投诉问题可移至我的投诉提交,我们将在第一时间给您答复
返回顶部