h1_key

TI(德州仪器) TPS566238
德州仪器 (TI) 全系列产品在线购买
  • TI(德州仪器) TPS566238
  • TI(德州仪器) TPS566238
  • TI(德州仪器) TPS566238
  • TI(德州仪器) TPS566238
  • TI(德州仪器) TPS566238
  • TI(德州仪器) TPS566238
立即查看
您当前的位置: 首页 > 电源管理 > 直流/直流开关稳压器 > 降压稳压器 > TPS566238
TPS566238

TPS566238

正在供货

具有强制持续导通模式的 3V 至 18V 输入、6A 同步降压稳压器

产品详情
  • 说明
  • 特性
  • 参数
  • 封装 | 引脚 | 尺寸

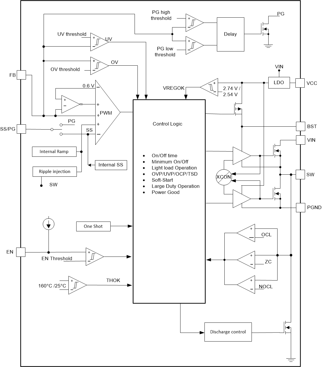
TPS56623x 是采用 QFN 9 引脚 1.5mm x 2.0mm 封装的简单、易用且高效的 6A 同步降压转换器。

这些器件采用更宽的电源输入电压范围(3V 至 18V),通过 D-CAP3™ 控制模式提供快速瞬态响应,具有良好的线路和负载调节,无需外部补偿,并支持低 ESR 输出电容器。

TPS566231 和 TPS566231P 采用 Eco-Mode™ 模式运行,可在轻负载运行期间保持高效率;带有 ULQ™(超低静态电流)功能,可实现 50uA 的静态电流,从而延长低功耗应用中的电池寿命。TPS566238 和 TPS566238P 采用连续电流模式运行,可在所有负载条件下保持较低的输出纹波。

TPS566231 和 TPS566238 软启动时间可通过 SS 引脚进行调节。TPS566231P 和 TPS566238P 通过 PG 引脚指示电源正常状态。

TPS56623x 可支持以高达 98% 的占空比运行,并集成了全面的断续模式 OVP、OCP、UVLO、OTP 和 UVP 保护。它们均可采用 9 引脚 1.5mm x 2.0mm HotRod™ 封装,额定结温范围为 -40°C 至 125°C。

  • 专为耐用的应用而设计
    • 输入电压范围:3V 至 18V
    • 输出电压范围:0.6V 至 7V
    • 6A 持续输出电流
    • 0.6V ±1% 基准电压 (25°C)
    • 98% 最大占空比
    • 600kHz 开关频率
    • 非闭锁,可提供 OC、OV、UV 和 OT 保护
    • 内置输出放电功能
  • 大量兼容引脚的选件
    • 带 SS 引脚可实现可调软启动时间的 TPS566231 和 TPS566238
    • 带 PG 引脚可支持电源正常状态指示器的 TPS566231P 和 TPS566238P
    • 可支持自动跳跃模式的 TPS566231 和 TPS566231P
    • 可支持连续电流模式的 TPS566238 和 TPS566238P
  • 解决方案小巧且易于使用
    • 具有 RDS(on) 20.8mΩ 和 10.6mΩ 的集成功率 MOSFET
    • 可实现快速瞬态响应和内部补偿的 D-CAP3™ 架构控制
    • 1.5mm × 2.0mm HotRod™ QFN 封装
    • 借助 WEBENCH® Power Designer 创建定制设计方案
Vin (min) (V)3
Vin (max) (V)18
Vout (min) (V)0.6
Vout (max) (V)7
Iout (max) (A)6
Iq (typ) (mA)0.05
Switching frequency (min) (kHz)600
Switching frequency (max) (kHz)600
FeaturesEnable, Forced PWM, Over Current Protection, Power good, Soft Start Adjustable, Synchronous Rectification
Operating temperature range (°C)-40 to 125
RatingCatalog
Regulated outputs (#)1
Control modeD-CAP3
Duty cycle (max) (%)98
TypeConverter
VQFN-HR (RQF)93 mm² 2 x 1.5
产品购买
  • 商品型号
  • 封装
  • 工作温度
  • 包装
  • 价格
  • 现货库存
  • 操作
10s
温馨提示:
订单商品问题请移至我的售后服务提交售后申请,其他需投诉问题可移至我的投诉提交,我们将在第一时间给您答复
返回顶部