h1_key

TI(德州仪器) BQ76942
德州仪器 (TI) 全系列产品在线购买
  • TI(德州仪器) BQ76942
  • TI(德州仪器) BQ76942
  • TI(德州仪器) BQ76942
  • TI(德州仪器) BQ76942
  • TI(德州仪器) BQ76942
  • TI(德州仪器) BQ76942
立即查看
您当前的位置: 首页 > 电源管理 > 电池管理 IC > 电池监测器和平衡器 > BQ76942
BQ76942

BQ76942

正在供货

适用于 3 节至 10 节串联电池的多节电池监测器和保护器

产品详情
  • 说明
  • 特性
  • 参数
  • 封装 | 引脚 | 尺寸

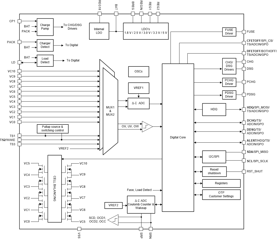
德州仪器 (TI) 的 BQ76942 是一款高度集成的高精度电池监控器和保护器,适用于 3 节至 10 节串联锂离子、锂聚合物和磷酸铁锂‌‌‍‍‍‍‍‍‍‍‍‍‍‍‍‍‍‍‍‍‍电池组。该器件包括一个 高精度监控系统和一个高度可配置的保护子系统,并支持自主式或主机控制型电池平衡。它集成了高侧电荷泵 NFET 驱动器、供外部系统使用的双路可编程 LDO 以及一个支持 400kHz I2C、SPI 和 HDQ 单线标准的主机通信外设。BQ76942 采用 48 引脚 TQFP 封装。

  • 适用于 3 节至 10 节串联电池的电池监控功能
  • 集成电荷泵,用于高侧 NFET 保护,具有可选的自动恢复功能
  • 广泛的保护套件,包括电压、温度、电流和内部诊断
  • 两个独立的 ADC
    • 支持电流和电压同步采样
    • 高精度库伦计数器,输入失调电压误差 < 1µV(典型值)
    • 高精度电池电压测量小于 10mV(典型值)
  • 宽量程电流应用(感应电阻器上的测量范围为 ±200mV)
  • 集成式化学保险丝驱动二级保护
  • 自主式或主机控制型电池平衡
  • 多种电源模式(典型电池组运行范围条件)
    • 正常模式:286µA
    • 多个睡眠模式选项:24µA 至 41µA
    • 多个深度睡眠模式选项:9µA 至 10µA
    • 关断模式:1µA
  • 电池连接和部分其他引脚上的高电压容差为 85V
  • 支持量产线上的随机电池连接序列
  • 支持使用内部传感器和多达九个外部热敏电阻进行温度检测
  • 集成的一次性可编程 (OTP) 存储器可由客户在生产线上编程
  • 通信选项包括 400kHz I2C、SPI 和 HDQ 单线接口
  • 供外部系统使用的双路可编程 LDO
  • 48 引脚 TQFP 封装 (PFB)
Number of series cells (min)3
Vin (max) (V)55
FeaturesDigital output, High-side driver, I2C support, Integrated ADC, LDO output, Multi-cell support, One-time-programmable (OTP) memory, Open-wire detection, Overcurrent in charging protection, Overcurrent in discharging protection, Overtemperature protection, Overvoltage protection, Scratchpad memory, Short-current detection, Temperature sensing, Undertemperature protection, Undervoltage protection
Device typeCell monitor and balancer
Number of series cells (max)10
Operating temperature range (°C)-40 to 85
RatingCatalog
Battery overvoltage protection (min) (V)1
Battery overvoltage protection (max) (V)5.5
Communication interfaceHDQ, I2C, SPI
Operating current (typ) (µA)250
TQFP (PFB)4881 mm² 9 x 9
产品购买
  • 商品型号
  • 封装
  • 工作温度
  • 包装
  • 价格
  • 现货库存
  • 操作
10s
温馨提示:
订单商品问题请移至我的售后服务提交售后申请,其他需投诉问题可移至我的投诉提交,我们将在第一时间给您答复
返回顶部