h1_key

TI(德州仪器) TLV62595
德州仪器 (TI) 全系列产品在线购买
  • TI(德州仪器) TLV62595
  • TI(德州仪器) TLV62595
  • TI(德州仪器) TLV62595
  • TI(德州仪器) TLV62595
  • TI(德州仪器) TLV62595
  • TI(德州仪器) TLV62595
立即查看
您当前的位置: 首页 > 电源管理 > 直流/直流开关稳压器 > 降压稳压器 > TLV62595
TLV62595

TLV62595

正在供货

采用 1.5mm x 1.5mm QFN 封装、具有 1% 输出精度的 2.5V 至 5.5V 输入、4A 降压转换器

产品详情
  • 说明
  • 特性
  • 参数
  • 封装 | 引脚 | 尺寸

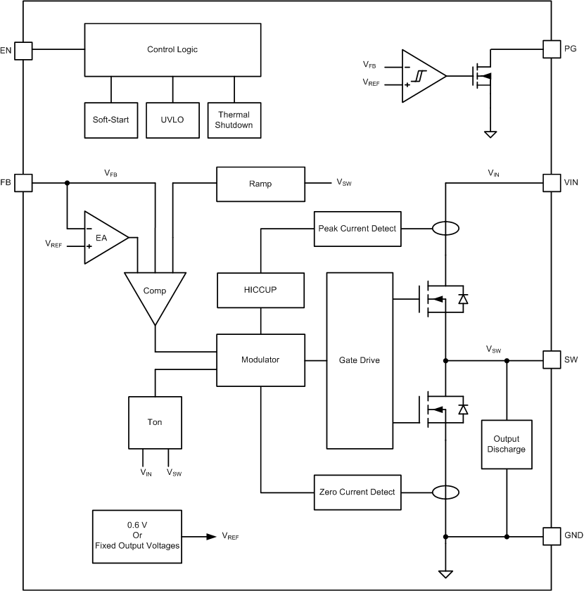
TLV62595 是一款高频同步降压转换器,经优化具有解决方案尺寸紧凑和高效率两大优点。该器件集成了可提供高达 4A 输出电流的开关。在中等负载至重负载情况下,该转换器将以 2.2MHz 典型开关频率在脉宽调制 (PWM) 模式下运行。在轻负载情况下,该器件自动进入节能模式 (PSM),从而在整个负载电流范围内保持高效率,且静态电流低至 10µA。

该器件基于 DCS 控制拓扑,可实现快速瞬态响应。内部基准在 -40°C 至 125°C 的结温范围内,以 1% 的高反馈电压精度将输出电压调低至 0.6V。整个解决方案需要一个小型 470nH 电感器、一个 4.7µF 输入电容器以及三个 10µF 或一个 47µF 输出电容器。

该器件采用 6 引脚 1.5mm × 1.5mm QFN 封装,可提供高功率密度解决方案。

  • 效率高达 97%
  • 低 RDS(ON) 电源开关:26mΩ/25mΩ
  • 输入电压范围为 2.5V 至 5.5V
  • 可调输出电压范围为 0.6V 至 4V
  • 反馈电压精度为 1%(整个温度范围)
  • DCS-Control 拓扑
  • 可实现轻负载效率的省电模式
  • 100% 占空比,可实现超低压降
  • 工作静态电流为 10µA
  • 典型开关频率为 2.2MHz
  • 短路保护 (HICCUP)
  • 有源输出放电
  • 电源正常状态输出
  • 热关断保护
  • 使用 TLV62595 并借助 WEBENCH Power Designer 创建定制设计方案
Vin (min) (V)2.5
Vin (max) (V)5.5
Vout (min) (V)0.6
Vout (max) (V)4
Iout (max) (A)4
Iq (typ) (mA)0.004
Switching frequency (min) (kHz)2000
Switching frequency (max) (kHz)2400
FeaturesEnable, Light load efficiency, Output discharge, Over Current Protection, Power good, Pre-Bias Start-Up, Synchronous Rectification
Operating temperature range (°C)-40 to 125
RatingCatalog
Regulated outputs (#)1
Control modeDCS-Control
Duty cycle (max) (%)100
TypeConverter
VSON-HR (DMQ)62.25 mm² 1.5 x 1.5
产品购买
  • 商品型号
  • 封装
  • 工作温度
  • 包装
  • 价格
  • 现货库存
  • 操作
10s
温馨提示:
订单商品问题请移至我的售后服务提交售后申请,其他需投诉问题可移至我的投诉提交,我们将在第一时间给您答复
返回顶部