h1_key

TI(德州仪器) LM5127-Q1
德州仪器 (TI) 全系列产品在线购买
  • TI(德州仪器) LM5127-Q1
  • TI(德州仪器) LM5127-Q1
  • TI(德州仪器) LM5127-Q1
  • TI(德州仪器) LM5127-Q1
  • TI(德州仪器) LM5127-Q1
  • TI(德州仪器) LM5127-Q1
立即查看
您当前的位置: 首页 > 电源管理 > 多通道 IC (PMIC) > LM5127-Q1
LM5127-Q1

LM5127-Q1

正在供货

适用于汽车应用的 42V 宽输入电压三路降压和升压控制器

产品详情
  • 说明
  • 特性
  • 参数
  • 封装 | 引脚 | 尺寸

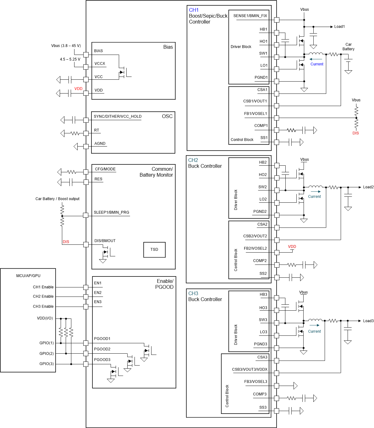
LM5127-Q1 是一款功能齐全、具有宽输入范围的三通道直流/直流控制器,该控制器支持升压/降压的灵活拓扑,采用峰值电流模式控制。该器件设计为集成单片解决方案,适用于汽车信息娱乐、仪表组、车身控制以及 ADAS 系统中的前沿电源。(接下页)

  • 符合面向汽车应用的 AEC-Q100 标准
    • 温度等级 1:–40°C 至 +125°C,T A
  • 提供功能安全
    • 可帮助进行功能安全系统设计的文档
  • 适合各种架构且可扩展
    • 三路输出同步控制器
    • 灵活的拓扑
      • CH1:升压/降压拓扑
      • CH2、CH3:两个单相降压/双相交错降压拓扑
    • 每个通道配备使能引脚和 PGOOD 指示器
    • 可选低 I Q 电池监测器
  • 针对汽车类应用具有宽工作电压范围
    • 3.8V 至 42V 输入电压工作范围
    • BIAS 电压大于等于 3.8V 时最小升压输入为 0.8V
    • 升压输出电压:可调节至高达 42V
    • 降压输出电压:固定 3.3V 或 5V,或可调节0.8V 至 42V
    • V SUPPLY>V LOAD(升压)时进行旁路操作
    • V SUPPLY ≈ V LOAD(降压)时进行 LDO 操作
  • 最小电池消耗
    • 关断电流 ≤ 2.8µA
    • 自动转换至低 I Q 睡眠模式
    • 睡眠模式下的电池消耗
      • 启用 3.3V 降压时,I Q≤ 14µA
      • 启用 3.3V 和 5V 降压时,I Q≤ 22µA
      • 启用 3.3V 和 5V 降压和旁边路升压时,I Q≤ 32µA
    • 使用强大的 5V 驱动器可实现高效率
    • 双输入 VCC 和 VDD 稳压器
  • 经济高效的小尺寸解决方案
    • 最大开关频率:2.2MHz
    • 内部自举二极管(升压)
    • 峰值电流限制保持恒定
    • 支持 DCR 电感器电流感应
    • 具有可湿性侧面的 QFN-48 封装
  • 避免 AM 频带干扰和串扰
    • 可选的时钟同步
    • 开关频率范围为 100kHz 至 2.2MHz
    • 可选开关模式(FPWM、二极管仿真和跳跃模式)
  • 降低 EMI
    • 可选可编程扩展频谱
  • 可编程性和灵活性
    • 可编程的唤醒和睡眠阈值
    • 动态开关频率编程
    • 可调软启动时间
    • 使用 0.8V ±1% 基准电压时输出可调节
    • 自适应死区时间控制
  • 集成型保护特性
    • 过流保护
      • 逐周期峰值电流限制
      • 可选断续模式保护(降压)
      • 可选闭锁模式保护(降压)
    • 过压保护
    • HB-SW 短路保护(升压)
    • 热关断保护
Regulated outputs (#)3
ConfigurabilityHardware configurable, User programmable
Vin (min) (V)0.8
Vin (max) (V)42
Iout (max) (A)30
FeaturesEnable, Overcurrent protection, Overvoltage protection, Power good, Thermal shutdown
TI functional safety categoryFunctional Safety-Capable
Step-down DC/DC controller2
Step-up DC/DC controller1
Iq (typ) (mA)3
RatingAutomotive
Switching frequency (max) (kHz)2200
Operating temperature range (°C)-40 to 150
Shutdown current (ISD) (typ) (µA)2.2
VQFN (RGZ)4849 mm² 7 x 7
产品购买
  • 商品型号
  • 封装
  • 工作温度
  • 包装
  • 价格
  • 现货库存
  • 操作
10s
温馨提示:
订单商品问题请移至我的售后服务提交售后申请,其他需投诉问题可移至我的投诉提交,我们将在第一时间给您答复
返回顶部