h1_key

TI(德州仪器) TLV767-Q1
德州仪器 (TI) 全系列产品在线购买
  • TI(德州仪器) TLV767-Q1
  • TI(德州仪器) TLV767-Q1
  • TI(德州仪器) TLV767-Q1
  • TI(德州仪器) TLV767-Q1
  • TI(德州仪器) TLV767-Q1
  • TI(德州仪器) TLV767-Q1
立即查看
您当前的位置: 首页 > 电源管理 > 线性和低压降 (LDO) 稳压器 > TLV767-Q1
TLV767-Q1

TLV767-Q1

正在供货

提供可调节输出和固定输出的汽车类 1A、16V 正电压低压降线性稳压器

产品详情
  • 说明
  • 特性
  • 参数
  • 封装 | 引脚 | 尺寸

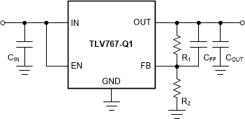
TLV767-Q1 是一款具有宽输入范围的线性稳压器,支持 2.5V 至 16V 的输入电压和高达 1A 的负载电流。输出范围为 0.8V 至 12V,在可调节版本中输出可高达 14.6V。

该器件具有宽输入电压范围,因此可由变压器次级绕组和稳压电源轨(例如 10V 或 12V)供电。此外,该器件还具有宽输出电压范围,不仅可为碳化硅 (SiC) 栅极驱动器和麦克风产生偏置电压,还能为微控制器 (MCU) 和处理器供电。

TLV767-Q1 具有 1% 的输出精度,可为电源要求严格的数字负载供电。

内部软启动电路可减小启动期间的浪涌电流,从而降低输入电容。

高带宽 PSRR 性能在 1kHz 时大于 70dB,在 1MHz 时大于 46dB,因此有助于衰减上游直流/直流转换器的开关频率,并最大限度减少后置稳压器滤波。该器件具有 20Hz 至 20kHz 的高纹波抑制,是为音频组件供电的理想选择。

TLV767-Q1 采用具有可湿性侧面和低热阻的 8 引脚、3mm × 3mm VSON (DRB) 封装。

  • 符合面向汽车应用的 AEC-Q100 标准:
    • 温度等级 1:–40°C 至 +125°C,TA
    • 结温:–40°C 至 +150°C,TJ
  • 输入电压范围:2.5V 至 16V(最大 18V)
  • 输出电压范围:
    • 0.8V 至 14.6V(可调节)
    • 1.2V 至 12V(固定)
  • 在整个负载和温度范围内的输出精度为 1%
  • 低静态电流 (IQ):
    • 空载时典型值为 50µA
    • 禁用时最大值为 4µA
  • 高 PSRR:1kHz 频率下为 70dB,1MHz 频率下为 46dB
  • 内部软启动时间:500µs(典型值)
  • 折返电流限制和热保护
  • 与 1µF 或更大的电容器搭配使用时可保持稳定
  • 封装:具有可湿性侧面的 8 引脚、3mm × 3mm WSON 封装
    • 低热阻 (RθJA):51.9°C/W
Output optionsAdjustable Output, Fixed Output
Iout (max) (A)1
Vin (max) (V)16
Vin (min) (V)2.5
Vout (max) (V)14.6
Vout (min) (V)0.8
Fixed output options (V)3.3, 5, 6, 8, 9
Noise (µVrms)60
Iq (typ) (mA)0.05
Thermal resistance θJA (°C/W)51.9
RatingAutomotive
Load capacitance (min) (µF)1
Regulated outputs (#)1
FeaturesEnable, Foldback Overcurrent protection, Wettable flanks package
Accuracy (%)1
Dropout voltage (Vdo) (typ) (mV)800
Operating temperature range (°C)-40 to 150
VSON (DRB)89 mm² 3 x 3
产品购买
  • 商品型号
  • 封装
  • 工作温度
  • 包装
  • 价格
  • 现货库存
  • 操作
10s
温馨提示:
订单商品问题请移至我的售后服务提交售后申请,其他需投诉问题可移至我的投诉提交,我们将在第一时间给您答复
返回顶部