h1_key

TI(德州仪器) TPS23731
德州仪器 (TI) 全系列产品在线购买
  • TI(德州仪器) TPS23731
  • TI(德州仪器) TPS23731
  • TI(德州仪器) TPS23731
  • TI(德州仪器) TPS23731
  • TI(德州仪器) TPS23731
  • TI(德州仪器) TPS23731
立即查看
您当前的位置: 首页 > 电源管理 > 以太网供电 (PoE) IC > 供电设备 > TPS23731
TPS23731

TPS23731

正在供货

具有非光电反激式直流/直流控制器的 IEEE 802.3bt 3 类 1-4 级 PoE PD

产品详情
  • 说明
  • 特性
  • 参数
  • 封装 | 引脚 | 尺寸

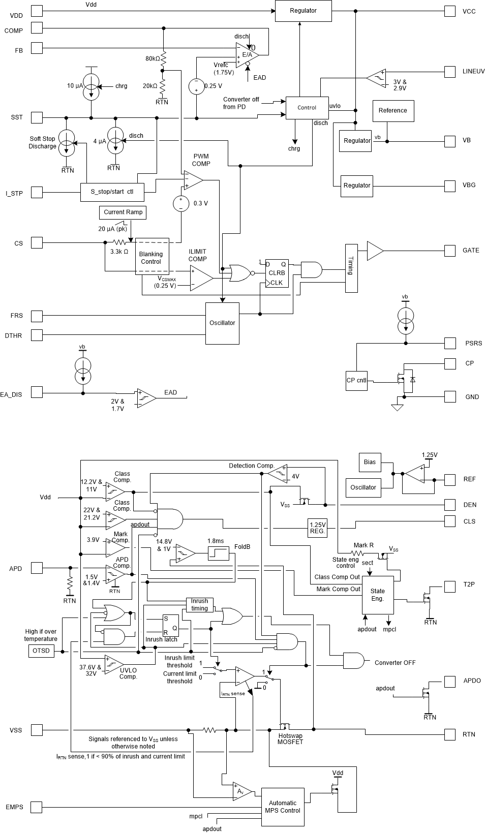
TPS23731 器件将以太网供电 (PoE) 供电设备 (PD) 接口和针对反激式开关稳压器设计进行了优化的电流模式直流/直流控制器组合在一起 支持使用初级测调节 (PSR)。针对 PD 输入端需要最高 25.5W 或更低功率的应用,PoE 接口支持 IEEE 802.3bt 和 IEEE 802.3at 标准 。

提供了可编程扩频频率抖动 (SSFD),以更大程度地减小 EMI 滤波器的尺寸并降低成本。具有可调软启动功能的高级启动有助于使用偏置超小的电容器,同时简化转换器的启动和间断设计,还确保满足 IEEE 802.3bt /at 启动要求。

软停止功能可以更大限度地减小开关 同步 FET 的应力,从而降低 FET BOM 成本。

直流/直流控制器的 PSR 功能通过辅助绕组的反馈来控制输出电压,无需外部并联稳压器和光耦合器。该器件针对连续导通模式 (CCM) 进行了优化,可进行次级侧同步整流,从而在多个输出上实现出色的效率、调节精度和阶跃负载响应。

直流/直流控制器具有斜坡补偿和消隐功能。典型的开关频率为 250kHz。

自动 MPS 支持具有低功耗模式或多电源供电的应用。它会根据 PSE 类型和系统条件自动调节其脉冲电流幅度和持续时间,从而在更大程度降低消耗的同时保持供电。

  • 完整的 IEEE 802.3bt 3 类( 1-4 级) 和 802.3at PoE PD 解决方案
    • 具有 EA 第 2 代标识(PoE 2 PD 控制器)
    • 可靠的 100V、0.3Ω(典型值)热插拔 MOSFET
    • 支持高达 30W 运行的功率级别
  • 集成式 PWM 控制器,可实现反激式或有源钳位正向配置
    • 具有初级侧调节功能的反激式控制
      • 支持 CCM 运行
      • ±1.5%(典型值,5V 输出)负载调节(0-100% 负载范围)- 具有同步 FET
      • ±3%(典型值,12V 输出)负载调节(5-100% 负载范围)- 二极管整流
    • 还支持次级侧调节
    • 具有高级启动和断续模式过载保护功能的软启动控制
    • 软停关断
    • 具有同步功能的可调频率
    • 用于 EMI 的可编程频率抖动
  • 自动维持功率特征 (MPS)
    • 通过自动扩展来自动调节以适应 PSE 类型和负载电流
  • 主适配器优先级输入
  • -40°C 至 125°C 的结温范围
Vin (min) (V)10.2
Vin (max) (V)60
PoE current limit (min) (mA)750
PoE inrush limit (mA) (typ) (A)0.14
rDS(on) per FET (typ) (mΩ)300
PoE standards supported802.3at Type 1 (802.3af), 802.3at Type 2, 802.3bt Type 3
PD power level13W, 25W
DC/DC controlPD and DC/DC
Fault responseAuto Retry
FeaturesAdapter priority, Advanced startup, Automatic MPS, Error amplifier, Inrush delay, Primary-side adapter priority, Primary-side regulation, Spread-spectrum frequency dithering, Thermal shutdown
Operating temperature range (°C)-40 to 125
RatingCatalog
VQFN (RMT)4535 mm² 7 x 5
产品购买
  • 商品型号
  • 封装
  • 工作温度
  • 包装
  • 价格
  • 现货库存
  • 操作
10s
温馨提示:
订单商品问题请移至我的售后服务提交售后申请,其他需投诉问题可移至我的投诉提交,我们将在第一时间给您答复
返回顶部