h1_key

TI(德州仪器) TPS552882
德州仪器 (TI) 全系列产品在线购买
  • TI(德州仪器) TPS552882
  • TI(德州仪器) TPS552882
  • TI(德州仪器) TPS552882
  • TI(德州仪器) TPS552882
  • TI(德州仪器) TPS552882
  • TI(德州仪器) TPS552882
立即查看
您当前的位置: 首页 > 电源管理 > 直流/直流开关稳压器 > 降压/升压和反相稳压器 > TPS552882
TPS552882

TPS552882

正在供货

36V、16A 降压/升压转换器

产品详情
  • 说明
  • 特性
  • 参数
  • 封装 | 引脚 | 尺寸

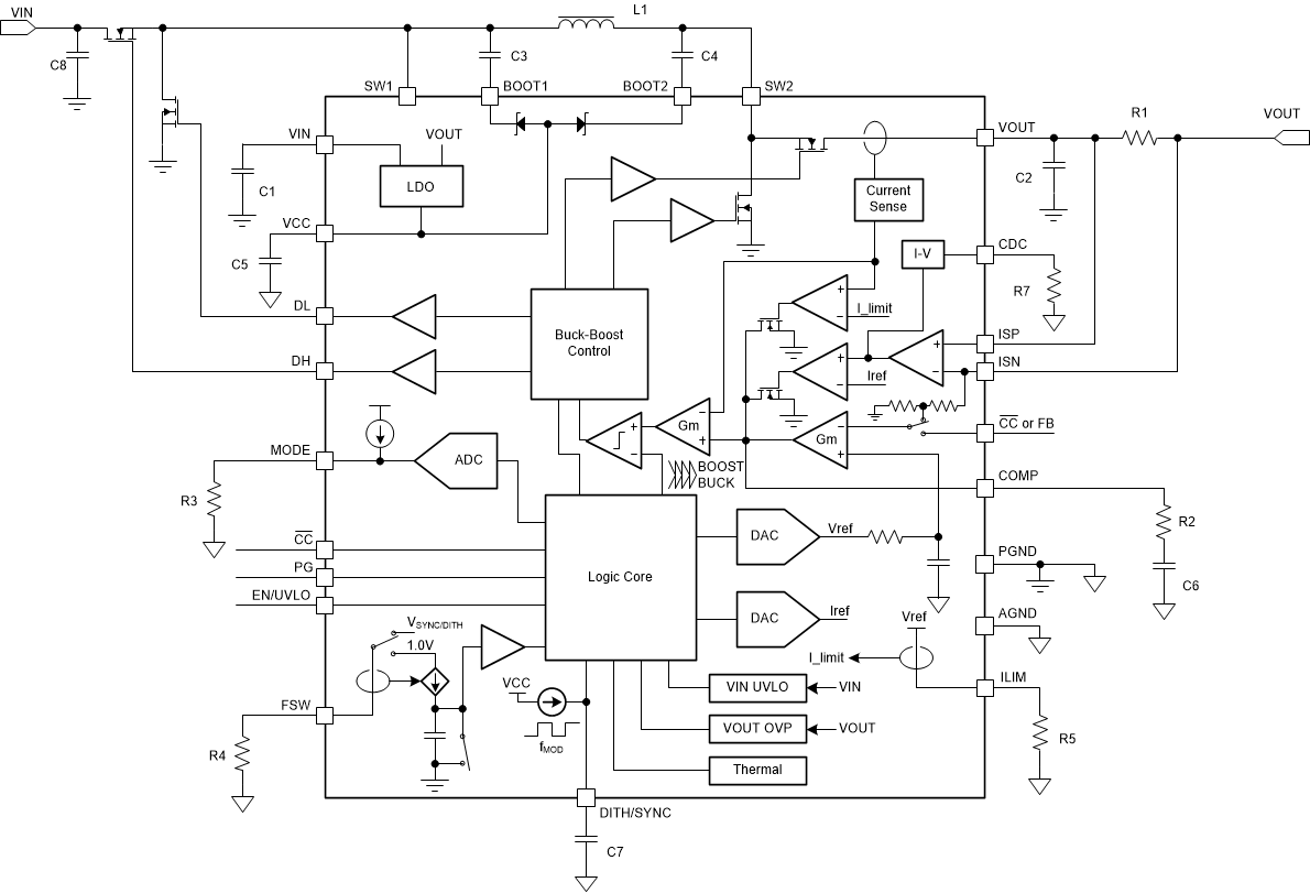
TPS552882 是一款同步四开关降压/升压转换器,能够将输出电压稳定在等于、高于或低于输入电压的某一电压值上。TPS552882 在 2.7V 至 36V 的宽输入电压范围内工作,可输出 0.8V 至 22V 电压以支持各种不同的应用。

TPS552882 集成了两个 16A MOSFET,其中的升压桥臂可实现解决方案尺寸和效率间的平衡。TPS552882 使用外部电阻分压器,通过 1.2V 内部基准电压来设置输出电压。TPS552882 能够通过 12V 输入电压提供 100W 的功率。

TPS552882 采用平均电流模式控制方案。开关频率可通过外部电阻在 200kHz 至 2.2MHz 之间进行编程,并且可与外部时钟同步。TPS552882 还提供可选的展频,从而更大限度地减少峰值 EMI。

TPS552882 提供输出过压保护、平均电感器电流限制、逐周期峰值电流限制和输出短路保护。TPS552882 还通过可选输出电流限制和断续模式保护,在持续过载情况下确保安全运行。

TPS552882 可以使用具有高开关频率的小型电感器和小型电容器。它采用 4.0mm × 3.5mm HotRod QFN 封装。

  • 宽输入和输出电压范围
    • 宽输入电压范围:2.7V 至 36V
    • 宽输出电压范围:0.8V 至 22V
  • 在整个负载范围内具有高效率
    • VIN = 12V、VOUT = 20V 且 IOUT = 3A 时效率为 97%
    • 轻负载状态下的可编程 PFM 和 FPWM 模式
  • 避免频率干扰和串扰
    • 可选的时钟同步
    • 可编程开关频率范围为 200kHz 至 2.2MHz
  • 降低 EMI
    • 可选可编程扩展频谱
    • 无引线封装
  • 丰富的保护特性
    • 输出过压保护
    • 利用断续模式实现输出短路保护
    • 热关断保护
    • 可编程平均电感器电流限制高达 16A
  • 小解决方案尺寸
    • 开关频率高达 2.2MHz(最大值)
    • 4.0mm × 3.5mm HotRod™ QFN 封装
  • 电缆上压降的可调输出电压补偿
  • 感应电阻器的可编程输出电流限制
  • ±5% 精密输出电流监测
  • ±1% 基准电压精度
  • 固定 4ms 软启动时间
  • 使用 TPS552882 并借助 WEBENCH Power Designer 创建定制设计
TopologyBuck-Boost
Vin (min) (V)2.7
Vin (max) (V)36
Vout (max) (V)22
Vout (min) (V)0.8
Duty cycle (max) (%)100
FeaturesAdjustable current limit, Enable, Frequency synchronization, Light Load Efficiency, Load Disconnect, Output discharge, Power good, Spread Spectrum, Synchronous Rectification
Switch current limit (typ) (A)16
Switching frequency (min) (kHz)200
Switching frequency (max) (kHz)2200
Iq (typ) (mA)1.3
Iout (max) (A)6.35
RatingCatalog
Operating temperature range (°C)-40 to 125
TypeConverter
VQFN-HR (RPM)2614 mm² 4 x 3.5
产品购买
  • 商品型号
  • 封装
  • 工作温度
  • 包装
  • 价格
  • 现货库存
  • 操作
10s
温馨提示:
订单商品问题请移至我的售后服务提交售后申请,其他需投诉问题可移至我的投诉提交,我们将在第一时间给您答复
返回顶部