h1_key

TI(德州仪器) TPS7H4010-SEP
德州仪器 (TI) 全系列产品在线购买
  • TI(德州仪器) TPS7H4010-SEP
  • TI(德州仪器) TPS7H4010-SEP
  • TI(德州仪器) TPS7H4010-SEP
  • TI(德州仪器) TPS7H4010-SEP
  • TI(德州仪器) TPS7H4010-SEP
  • TI(德州仪器) TPS7H4010-SEP
立即查看
您当前的位置: 首页 > 电源管理 > 直流/直流开关稳压器 > 降压稳压器 > TPS7H4010-SEP
TPS7H4010-SEP

TPS7H4010-SEP

正在供货

采用塑料封装的抗辐射、3.5V 至 32V 输入、6A 同步降压转换器

产品详情
  • 说明
  • 特性
  • 参数
  • 封装 | 引脚 | 尺寸

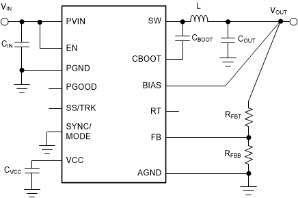
TPS7H4010-SEP 是一款易于使用的同步降压直流/直流转换器,能够驱动高达 6A 的负载电流,电源电压范围为 3.5V 至 32V。TPS7H4010-SEP 以极小的解决方案尺寸提供优异的效率和输出精度。此器件采用峰值电流模式控制。可调开关频率、与外部时钟同步、FPWM 选项、电源正常状态标志、精密使能、可调节软启动以及跟踪等其他特性可为各种应用提供灵活且简单易用的解决方案。轻负载时的自动频率折返和可选的外部偏置电源可在整个负载范围内提高效率。该器件需要超少的外部元件,引脚排列设计可简化 PCB 布局,提供出色的 EMI 和热性能。保护特性包括热关断、输入欠压锁定、逐周期电流限制和断续短路保护。

  • 耐辐射
    • SEL、SEB 和 SEGR 对于 LET 的抗扰度高达 43MeV-cm2/mg
    • SET 和 SEFI 的 LET 特征值高达 43MeV-cm2/mg
    • 每个晶圆批次的保障 TID 高达 20krad(Si)
    • TID 特征值高达 30krad(Si)
  • 增强型航天塑料
    • 受控基线
    • Au 键合线和 NiPdAu 铅涂层
    • 采用增强型模塑化合物实现低释气
    • 制造、组装和测试一体化基地
    • 延长了产品生命周期
    • 延长了产品变更通知
    • 产品可追溯性
  • 宽电压转换范围:
    • tON-MIN = 60ns(典型值)
    • tOFF-MIN = 70ns(典型值)
  • 低 MOSFET 导通电阻:
    • RDS_ON_HS = 53mΩ(典型值)
    • RDS_ON_LS = 31mΩ(典型值)
  • 可调频率范围:350 kHz 至 2.2MHz
  • 可与外部时钟同步
  • 内部补偿
  • 电源正常状态标志
  • 通过精密使能功能对系统 UVLO 进行编程
  • 固定或可调的软启动时间
  • 逐周期电流限制
  • 具有断续模式的短路保护
  • 热关断保护
Vin (min) (V)3.5
Vin (max) (V)32
Vout (min) (V)1
Vout (max) (V)30.4
Iout (max) (A)6
Iq (typ) (mA)0.015
Switching frequency (min) (kHz)350
Switching frequency (max) (kHz)2200
FeaturesEnable, Forced PWM, Frequency synchronization, Light Load Efficiency, Over Current Protection, Power good, Pre-Bias Start-Up, Synchronous Rectification, Tracking, UVLO Fixed
Operating temperature range (°C)-55 to 125
RatingSpace
Regulated outputs (#)1
Control modecurrent mode
Duty cycle (max) (%)95
TypeConverter
DIESALE (KGD)See data sheet
WQFN (RNP)3024 mm² 6 x 4
产品购买
  • 商品型号
  • 封装
  • 工作温度
  • 包装
  • 价格
  • 现货库存
  • 操作

很抱歉,暂时无法提供与“TPS7H4010-SEP”系列相匹配的产品,您可以联系专属客服快速找货或在现货搜索框中重新搜索。

10s
温馨提示:
订单商品问题请移至我的售后服务提交售后申请,其他需投诉问题可移至我的投诉提交,我们将在第一时间给您答复
返回顶部