h1_key

TI(德州仪器) TPS562202
德州仪器 (TI) 全系列产品在线购买
  • TI(德州仪器) TPS562202
  • TI(德州仪器) TPS562202
  • TI(德州仪器) TPS562202
  • TI(德州仪器) TPS562202
  • TI(德州仪器) TPS562202
  • TI(德州仪器) TPS562202
立即查看
您当前的位置: 首页 > 电源管理 > 直流/直流开关稳压器 > 降压稳压器 > TPS562202
TPS562202

TPS562202

正在供货

4.3V 至 17V 输入、2A 输出同步降压转换器

产品详情
  • 说明
  • 特性
  • 参数
  • 封装 | 引脚 | 尺寸

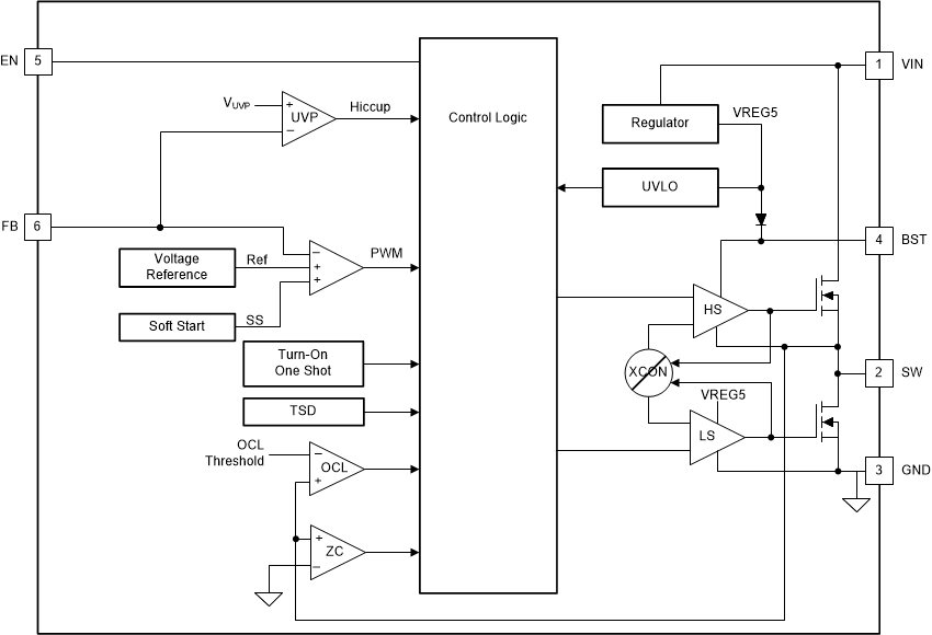
TPS562202 是一款采用 SOT563 封装的简单易用型 2A 同步降压转换器。

该器件经过优化,更大限度地减少了运行所需的外部器件并可实现低待机电流。

该开关模式电源 (SMPS) 器件采用 D-CAP2 模式控制,能够提供快速瞬态响应,并且在无需外部补偿器件的情况下支持专用聚合物等低等效串联电阻 (ESR) 输出电容以及超低 ESR 陶瓷电容器。

TPS562202 采用 ECO 模式运行,可在轻负载运行期间保持高效率。TPS562202 采用 6 引脚 1.6mm × 1.6mm SOT563 (DRL) 封装,额定结温范围为 –40°C 至 125°C。

  • 带集成 140mΩ 和 84mΩ FET 的 2A 转换器
  • 具有快速瞬态响应的 D-CAP2™ 模式控制
  • 输入电压范围:4.3V 至 17V
  • 输出电压范围:0.804V 至 7V
  • 轻负载下采用 ECO 模式
  • 580kHz 开关频率
  • 小于 3µA 的低关断电流
  • 2% 反馈电压精度 (25°C)
  • 支持预偏置启动
  • 逐周期过流限制
  • 断续模式过流保护
  • 非锁存欠压保护 (UVP) 和热关断 (TSD) 保护
  • 固定软启动:1.2ms
Vin (min) (V)4.3
Vin (max) (V)17
Vout (min) (V)0.804
Vout (max) (V)7
Iout (max) (A)2
Iq (typ) (mA)0.38
Switching frequency (min) (kHz)580
Switching frequency (max) (kHz)580
FeaturesEnable, Light Load Efficiency, Soft Start Fixed
Operating temperature range (°C)-40 to 125
RatingCatalog
Regulated outputs (#)1
Control modeD-CAP2
Duty cycle (max) (%)80
TypeConverter
SOT-5X3 (DRL)62.56 mm² 1.6 x 1.6
产品购买
  • 商品型号
  • 封装
  • 工作温度
  • 包装
  • 价格
  • 现货库存
  • 操作
10s
温馨提示:
订单商品问题请移至我的售后服务提交售后申请,其他需投诉问题可移至我的投诉提交,我们将在第一时间给您答复
返回顶部