h1_key

TI(德州仪器) TPS25846-Q1
德州仪器 (TI) 全系列产品在线购买
  • TI(德州仪器) TPS25846-Q1
  • TI(德州仪器) TPS25846-Q1
  • TI(德州仪器) TPS25846-Q1
  • TI(德州仪器) TPS25846-Q1
  • TI(德州仪器) TPS25846-Q1
  • TI(德州仪器) TPS25846-Q1
立即查看
您当前的位置: 首页 > 电源管理 > USB 电源开关和充电端口控制器 > TPS25846-Q1
TPS25846-Q1

TPS25846-Q1

正在供货

具有客户端模式支持的 USB BC1.2 5V 3.5A 输出、36V 输入同步降压转换器

产品详情
  • 说明
  • 特性
  • 参数
  • 封装 | 引脚 | 尺寸

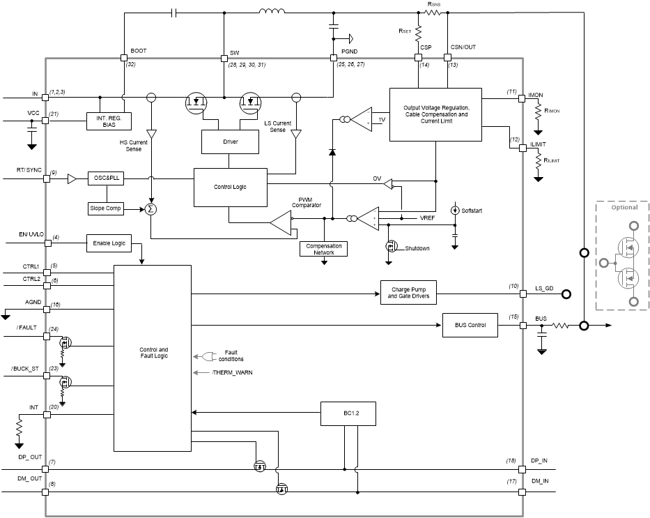
The TPS25846-Q1 is a USB Type-A BC1.2 charging solution that includes a synchronous DC/DC converter. With cable droop compensation, the Vbus voltage remains constant regardless of load current, ensuring connected portable devices are charged at optimal current and voltage even under heavy loads.

The TPS25846-Q1 includes high bandwidth analog switches for DP and DM pass-through. The device also integrates short to battery protection on VBUS, DM_IN and DP_IN pins. These pins can withstand voltage up to 18 V.

The synchronous buck regulator operates with current mode control and is internally compensated to simplify design. A resistor on the RT pin sets the switching frequency between 300 kHz and 2.2 MHz. Operating below 400 kHz results in better system efficiency. Operation above 2.1 MHz avoids the AM radio bands and allows for use of a smaller inductor.

The TPS25846-Q1 integrates electrical signatures necessary for legacy devices which use USB data lines to determine charging configuration.

A precision current sense amplifier is included for user programmable cable droop compensation and current limit tuning. Cable compensation aids portable devices in charging at optimum current and voltage under heavy loads by changing the buck regulator output voltage linearly with load current to counteract the voltage drop due to wire resistance in automotive cabling. The VBUS voltage measured at a connected portable device remains approximately constant, regardless of load current, allowing the portable device’s battery charger to work optimally.

The USB specifications require current limiting of USB charging ports, but give system designers reasonable flexibility to choose overcurrent protection levels based on system requirements. The TPS25846-Q1 uses a novel two-threshold current limit circuit allowing system designers to either program average current limit protection of the buck regulator, or optionally, current limit using an external NMOS between the CSN/OUT and BUS pins. The NFET implementation enables the TPS25846-Q1 buck regulator to supply a 5-V output for other loads during an overcurrent condition on the USB port.

Protection features include cycle-by-cycle current limit, hiccup short-circuit protection, undervoltage lockout, VBUS overvoltage and overcurrent, data line (Dx) short to VBUS, and die overtemperature protection.

The TPS25846-Q1 includes high bandwidth analog switches for DP and DM pass-through, and support data line (Dx) short-to-VBAT protection.

  • AEC-Q100 qualified for automotive applications:
    • Temperature grade 1: –40°C to +125°C, TA
    • HBM ESD classification level H2
    • CDM ESD classification level C5
  • Synchronous buck DC/DC regulator
    • Input voltage range: 4.5 V to 36 V
    • Output current: 3.5 A
    • 5.1-V output voltage with ±1% accuracy
    • Current mode control
    • Adjustable frequency: 300 kHz to 2.2 MHz
    • Frequency synchronization to external clock
    • FPWM with spread-spectrum dithering
    • Internal compensation for ease of use
  • Compliant to USB-IF standards
    • CDP/SDP mode per USB BC1.2
  • Optimized for USB power and communication
    • User-programmable USB current limit
    • Cable droop compensation up to 1.5 V
    • High bandwidth data switches on DP and DM
    • Client mode for system update
  • Integrated protection
    • VBUS short-to-VBAT protection
    • DP_IN and DM_IN short-to-VBAT
    • DP_IN and DM_IN short-to-VBUS
    • DP_IN, DM_IN IEC 61000-4-2 rated
      • ±8-kV contact and ±15-kV air discharge
  • Fault flag reports
  • 32-pin QFN package with wettable flank
Product typeCharge port converter
Vin (min) (V)4.5
Vin (max) (V)36
Continuous current (max) (A)3.5
Current limit (A)User Selectable Current Limit
Operating temperature range (°C)-40 to 125
EnableAdjustable Enable Threshold
Number of switches1
RatingAutomotive
VQFN (RHB)3225 mm² 5 x 5
产品购买
  • 商品型号
  • 封装
  • 工作温度
  • 包装
  • 价格
  • 现货库存
  • 操作
10s
温馨提示:
订单商品问题请移至我的售后服务提交售后申请,其他需投诉问题可移至我的投诉提交,我们将在第一时间给您答复
返回顶部