h1_key

TI(德州仪器) TPS54JB20
德州仪器 (TI) 全系列产品在线购买
  • TI(德州仪器) TPS54JB20
  • TI(德州仪器) TPS54JB20
  • TI(德州仪器) TPS54JB20
  • TI(德州仪器) TPS54JB20
  • TI(德州仪器) TPS54JB20
  • TI(德州仪器) TPS54JB20
立即查看
您当前的位置: 首页 > 电源管理 > 直流/直流开关稳压器 > 降压稳压器 > TPS54JB20
TPS54JB20

TPS54JB20

正在供货

具有遥感功能和闭锁电流限制的 2.7V 至 16V 输入、20A 同步降压转换器

产品详情
  • 说明
  • 特性
  • 参数
  • 封装 | 引脚 | 尺寸

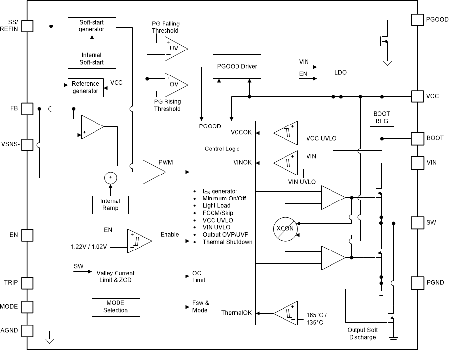
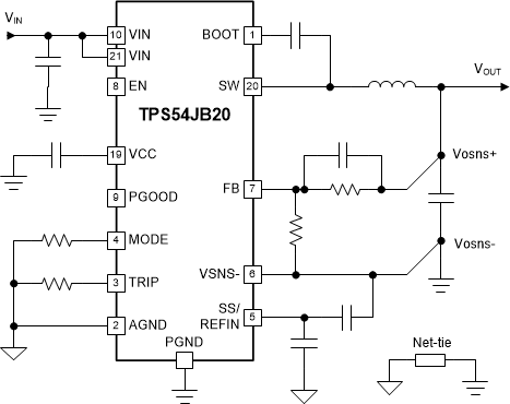
TPS54JB20 器件是一款具有自适应导通时间 D-CAP3 控制模式的小型高效同步降压转换器。该器件不需要外部补偿,因此易于使用并且仅需要很少的外部元件。该器件非常适合空间受限的数据中心应用。

TPS54JB20 器件具有差分遥感功能和高性能集成 MOSFET,在整个工作结温范围具有高精度 (±1%) 0.9V 电压基准。该器件具有快速负载瞬态响应、精确负载调节和线路调节、跳跃模式或 FCCM 运行以及可编程软启动功能。

TPS54JB20 器件是一款无铅器件。完全符合 RoHS 标准,无需豁免。

  • 输入范围为 4V 至 16V,电流高达 20A,无外部偏压
  • 输入范围为 2.7V 至 16V,电流高达 20A,外部偏压范围为 3.13V 至 3.6V
  • 输出电压范围:0.9V 至 5.5V
  • 集成 7.7mΩ 和 2.4mΩ MOSFET 支持 20A 持续输出电流
  • D-CAP3™,可提供超快负载阶跃响应
  • 支持所有陶瓷输出电容器
  • 在 –40°C 至 +125°C 结温下实现差分遥感,VREF 为 0.9V ±1%
  • 自动跳跃 Eco-mode™ 可实现高轻负载效率
  • 通过 RTRIP 实现可编程电流限制
  • 引脚可选开关频率:600kHz、800kHz、1MHz
  • 可实现高输出精度的差分遥感功能
  • 可编程软启动时间
  • 外部基准输入,用于跟踪
  • 预偏置启动功能
  • 开漏电源正常状态输出
  • 在发生 OC、UV 和 OV 故障时进入闭锁模式
  • 4mm × 3mm 21 引脚 QFN 封装
  • 与 12A TPS54JA20 引脚兼容
  • 完全符合 RoHS 标准,无需豁免
Vin (min) (V)2.7
Vin (max) (V)16
Vout (min) (V)0.9
Vout (max) (V)5.5
Iout (max) (A)20
Iq (typ) (mA)0.91
Switching frequency (min) (kHz)600
Switching frequency (max) (kHz)1000
FeaturesAdjustable current limit, Differential Remote Sense, Enable, Forced PWM, Light Load Efficiency, Over Current Protection, Power good, Pre-Bias Start-Up, Soft Start Adjustable, Synchronous Rectification, Tracking, UVLO Fixed
Operating temperature range (°C)-40 to 125
RatingCatalog
Regulated outputs (#)1
Control modeD-CAP3
Duty cycle (max) (%)86
TypeConverter
VQFN-HR (RWW)2112 mm² 4 x 3
产品购买
  • 商品型号
  • 封装
  • 工作温度
  • 包装
  • 价格
  • 现货库存
  • 操作
10s
温馨提示:
订单商品问题请移至我的售后服务提交售后申请,其他需投诉问题可移至我的投诉提交,我们将在第一时间给您答复
返回顶部