h1_key

TI(德州仪器) TPS92520-Q1
德州仪器 (TI) 全系列产品在线购买
  • TI(德州仪器) TPS92520-Q1
  • TI(德州仪器) TPS92520-Q1
  • TI(德州仪器) TPS92520-Q1
  • TI(德州仪器) TPS92520-Q1
  • TI(德州仪器) TPS92520-Q1
  • TI(德州仪器) TPS92520-Q1
立即查看
您当前的位置: 首页 > 电源管理 > LED 驱动器 > 汽车 LED 驱动器 > TPS92520-Q1
TPS92520-Q1

TPS92520-Q1

正在供货

具有 SPI 的 1.6A 双路同步降压 LED 驱动器

产品详情
  • 说明
  • 特性
  • 参数
  • 封装 | 引脚 | 尺寸

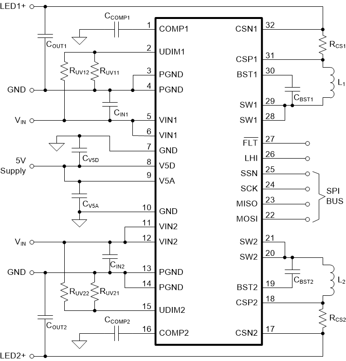
TPS92520-Q1 是一款单片双路同步降压 LED 驱动器,具有 4.5V 至 65V 宽工作输入电压范围,可独立为两串串联的 LED 供电。TPS92520-Q1 实施自适应导通时间平均电流模式控制功能,经设计可与分流 FET 调光技术和基于 LED 矩阵管理器的动态光束前照灯兼容。自适应导通时间控制功能可提供近乎恒定的开关频率,频率设置范围为 100kHz 至 2.2MHz。电感器电流感应和闭环反馈功能可在较宽的输入电压、输出电压和环境温度范围内实现 ±4% 以上的精度。

高性能 LED 驱动器可使用模拟调光或 PWM 调光技术来单独调制 LED 电流。通过 SPI 对 10 位 IADJ 数值进行编程可获得高于 16:1 的线性模拟调光响应。通过借助所需占空比直接调制相应的 UDIM 输入引脚或通过启用内部 PWM 发生器电路,来实现 LED 电流的 PWM 调光。通过比较 10 位 PWM 寄存器与可编程数字计数器的数值,PWM 发生器可将 10 位 PWM 寄存器值转化为相应的占空比。

TPS92520-Q1 整合了高级 SPI 可编程诊断和故障保护功能,其中涉及:逐周期电流限制、自举欠压保护、LED 开路、LED 短路、热警告和热关断功能。板载 10 位 ADC 对监测和诊断系统运行状况所需的重要输入参数进行采样。

TPS92520-Q1 采用 8.1mm x 11mm 热增强型 32 引脚 HTSSOP 封装(具有 2.75mm x 3.45mm 的顶部外露散热焊盘和底部外露散热焊盘)。

  • 符合面向汽车应用的 AEC-Q100 标准
    • 1 级:–40°C 至 125°C 的工作环境温度范围
    • 器件 HBM 分类等级 H1C
    • 器件 CDM 分类等级 C5
  • 提供功能安全
    • 可帮助进行功能安全系统设计的文档
  • 4.5V 至 65V 的宽输入电压范围
  • 持续输出电流最高为 1.6A,且精度为 4%
  • 自适应导通时间平均电流控制
  • 可编程开关频率范围为 100kHz 至 2.2MHz
  • 高级调光操作
    • 10 位精密模拟调光
    • 10 位精密内部 PWM 调光
    • 支持外部 PWM 调光输入
    • 为外部分流调光(包括 LED 矩阵管理器)而优化
  • 开关逐周期过流保护
  • 开关过热保护
  • 串行外设接口 (SPI)
    • 可配置模拟基准、开关频率和 PWM 调光占空比
    • 故障监控和报告
  • 支持跛行回家 (LH) 和独立模式运行
Number of channels2
TopologyBuck
RatingAutomotive
TI functional safety categoryFunctional Safety-Capable
Operating temperature range (°C)-40 to 125
Vin (min) (V)4.5
Vin (max) (V)65
Vout (min) (V)0
Vout (max) (V)61
Iout (max) (A)1.6
Iq (typ) (mA)5
Switching frequency (max) (kHz)2200
FeaturesFault Detection, LED Open Detection, Precision Dimming Control, Thermal Error Flag, Thermal shutdown
HTSSOP (DAD)3289.1 mm² 11 x 8.1
HTSSOP (DAP)3289.1 mm² 11 x 8.1
产品购买
  • 商品型号
  • 封装
  • 工作温度
  • 包装
  • 价格
  • 现货库存
  • 操作
10s
温馨提示:
订单商品问题请移至我的售后服务提交售后申请,其他需投诉问题可移至我的投诉提交,我们将在第一时间给您答复
返回顶部