h1_key

TI(德州仪器) BQ25616
德州仪器 (TI) 全系列产品在线购买
  • TI(德州仪器) BQ25616
  • TI(德州仪器) BQ25616
  • TI(德州仪器) BQ25616
  • TI(德州仪器) BQ25616
  • TI(德州仪器) BQ25616
  • TI(德州仪器) BQ25616
立即查看
您当前的位置: 首页 > 电源管理 > 电池管理 IC > 电池充电器 IC > BQ25616
BQ25616

BQ25616

正在供货

具有电源路径和 1.2A 升压操作的独立式单节 3.0A 降压型电池充电器

产品详情
  • 说明
  • 特性
  • 参数
  • 封装 | 引脚 | 尺寸

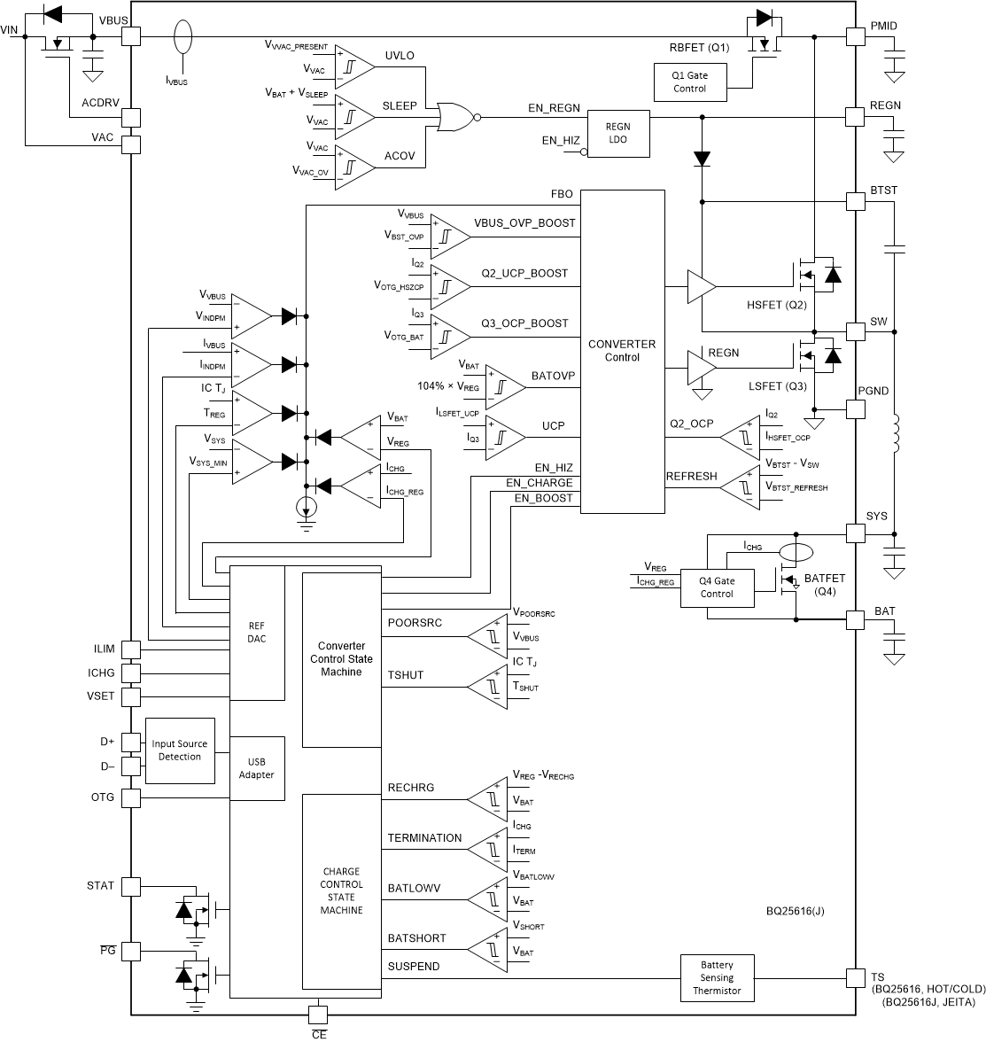
BQ25616/616J 是适用于单节锂离子电池和锂聚合物电池、高度集成的 3A 开关模式电池充电管理和系统电源路径管理器件。该解决方案在系统和电池之间高度集成输入反向阻断 FET(RBFET,Q1)、高侧开关 FET(HSFET,Q2)、低侧开关 FET(LSFET,Q3)以及电池 FET(BATFET,Q4)。其低阻抗电源路径对开关模式运行效率进行了优化,缩短了电池充电时间并延长了放电阶段的电池运行时间。

BQ25616/616J 是适用于锂离子电池和锂聚合物电池、高度集成的 3A 开关模式电池充电管理和系统电源路径管理器件。它可为 扬声器、工业和医疗便携式设备等各种应用提供快速充电功能和高输入电压。其低阻抗电源路径对开关模式运行效率进行了优化,缩短了电池充电时间并延长了放电阶段的电池运行时间。其输入电压和电流调节可以为电池提供最大的充电功率。

该解决方案在系统和电池之间高度集成输入反向阻断 FET(RBFET,Q1)、高侧开关 FET(HSFET,Q2)、低侧开关 FET(LSFET,Q3)以及电池 FET(BATFET、Q4)。它还集成了自举二极管以进行高侧栅极驱动,从而简化系统设计。 硬件设置和状态报告为充电解决方案提供了简单的配置。

该器件支持多种输入源,包括标准 USB 主机端口、USB 充电端口、兼容 USB 的高电压适配器和无线电源。该器件符合 USB 2.0 和 USB 3.0 电源规格,具有输入电流和电压调节功能。 该器件根据内置 USB 检测通过 D+/D- 引脚设置默认输入电流限值。当器件内置 USB 接口确定输入适配器未知时,器件的输入电流限值是通过 ILIM 引脚设置电阻器值来决定的。

该器件通过单个电感器将降压充电器和升压稳压器集成在一个解决方案中。 它通过提供 5V 电压和高达 1.2A 的恒定电流限值,符合 USB On-the-Go (OTG) 运行功率额定值规格。

在应用适配器时,电源路径管理将系统电压调节至稍高于电池电压的水平,但不会降至 3.5V 最小系统电压以下。借助于这个特性,即使在电池电量完全耗尽或者电池被拆除时,系统也能保持运行。当达到输入电流限值或电压限值时,电源路径管理会自动减小充电电流。随着系统负载持续增加,电池开始放电,直到满足系统电源需求。该补充模式可防止输入源过载。

此器件在无需软件控制情况下启动并完成一个充电周期。它感应电池电压并通过三个阶段为电池充电:预充电、恒定电流和恒定电压。在充电周期的末尾,当充电电流低于预设限值并且电池电压高于再充电阈值时,充电器自动终止。如果已完全充电的电池降至再充电阈值以下,则充电器自动启动另一个充电周期。

此充电器提供针对电池充电和系统运行的多种安全特性,其中包括电池负温度系数热敏电阻监视、充电安全性计时器和过压/过流保护。当结温超过 110°C 时,热调节会减小充电电流。 STAT 输出报告充电状态和任何故障状况。

  • 高效 1.5MHz 同步开关模式降压充电器
    • 在 2A 电流(5V 输入)下具有 92% 的充电效率
    • ±0.5% 充电电压调节
    • 通过 VSET 引脚实现的可调节充电电压支持 4.1V、4.2V 和 4.35 V 电压,稳压精度为 ±0.4%
    • 充电电流调节范围为 ±6%
    • 输入电流调节范围为 ±7.5%
    • 支持 JEITA (BQ25616J) 或热/冷 (BQ25616) 温度感应曲线
    • 10 小时充电安全计时器
  • 支持 USB On-The-Go (OTG)
    • 具有高达 1.2A 输出的 5V 升压转换器
    • 在 1A 输出下具有 92% 的升压效率
    • 精确的恒定电流 (CC) 限制
    • 高达 500µF 容性负载的软启动
    • 用于轻负载运行的 PFM 模式
  • 单个输入,支持 USB 输入以及高电压适配器或无线电源
    • 支持 4V 至 13.5V 输入电压范围,绝对最大输入额定值为 22V
    • 130ns 快速关断输入过压保护 ,可选的外部 OVPFET 可承受高达 30V 的输入电压
    • 通过 ILIM 引脚实现可编程输入电流限制 (IINDPM)
    • 通过 VINDPM 阈值自动跟踪电池电压 ,从而实现最大功率
    • 自动检测 USB SDP、CDP、DCP 以及非标准适配器
  • 窄 VDC (NVDC) 电源路径管理
    • 无需电池或使用深度放电的电池即可使系统瞬时启动
  • 低 RDSON 19.5mΩ BATFET,可更大程度地降低充电损耗和延长电池运行时间
  • 在系统待机时具有 9.5µA 的低电池泄漏电流
  • 高集成度包括所有 MOSFET、电流感应和环路补偿
  • 安全相关认证:
    • 经 IEC 62368-1 CB 认证
Number of series cells1
Charge current (max) (A)3
Vin (max) (V)13.5
Cell chemistryLi-Ion/Li-Polymer
Battery charge voltage (min) (V)4.1
Battery charge voltage (max) (V)4.35
Absolute max Vin (max) (V)22
Control topologySwitch-Mode Buck
Control interfaceStandalone (RC-Settable)
FeaturesBAT temp thermistor monitoring (hot/cold profile), IC thermal regulation, IINDPM (Input current limit), Input OVP, Power Path, USB OTG integrated, VINDPM (Input voltage threshold to maximize adaptor power)
Vin (min) (V)3.9
RatingCatalog
Operating temperature range (°C)-40 to 85
WQFN (RTW)2416 mm² 4 x 4
产品购买
  • 商品型号
  • 封装
  • 工作温度
  • 包装
  • 价格
  • 现货库存
  • 操作
10s
温馨提示:
订单商品问题请移至我的售后服务提交售后申请,其他需投诉问题可移至我的投诉提交,我们将在第一时间给您答复
返回顶部