h1_key

TI(德州仪器) TPS6521825
德州仪器 (TI) 全系列产品在线购买
  • TI(德州仪器) TPS6521825
  • TI(德州仪器) TPS6521825
  • TI(德州仪器) TPS6521825
  • TI(德州仪器) TPS6521825
  • TI(德州仪器) TPS6521825
  • TI(德州仪器) TPS6521825
立即查看
您当前的位置: 首页 > 电源管理 > 多通道 IC (PMIC) > TPS6521825
TPS6521825

TPS6521825

正在供货

适用于 NXP i.MX 8M mini 的电源管理 IC (PMIC)

产品详情
  • 说明
  • 特性
  • 参数
  • 封装 | 引脚 | 尺寸

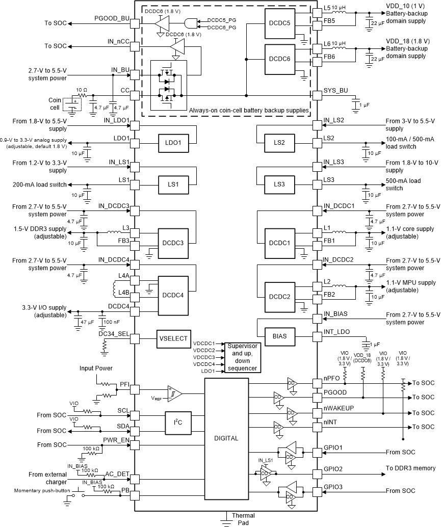
TPS6521825 是一款单芯片电源管理 IC (PMIC),专门用于支持与 LP873347 器件配合使用的 i.MX 8M Mini 处理器。此器件的额定工作温度范围为 -40°C 至 +105°C,适用于各种工业应用。

  • 具有集成开关 FET 的 3 个可调节降压转换器(DCDC1、DCDC2 和 DCDC3):
    • DCDC1:默认电压为 0.85V,电流高达 1.8A
    • DCDC2:默认电压为 1.1V,电流高达 1.8A
    • DCDC3:默认电压为 3.3V,电流高达 1.8A
    • 输入电压范围:2.7V 至 5.5V
    • 可调节输出电压范围:0.85V 至 1.675V(DCDC1 和 DCDC2)
    • 可调节输出电压范围:0.9V 至 3.4V (DCDC3)
    • 轻负载电流状态下进入节能模式
    • 100% 占空比,可实现最低压降
    • 禁用时支持有源输出放电
  • 具有集成开关 FET 的 1 个可调节降压/升压转换器 (DCDC4):
    • DCDC4:默认电压为 1.8V,电流高达 1.6A
    • 输入电压范围:2.7V 至 5.5V
    • 可调节输出电压范围:1.175V 至 3.4V
    • 禁用时支持有源输出放电
  • 2 个适用于备用电池域的低静态电流、高效降压转换器(DCDC5、DCDC6)
    • DCDC5:1V 输出电压
    • DCDC6:1.8V 输出电压
    • 输入电压范围:2.2V 至 5.5V
    • 由系统电源或备用纽扣电池供电
  • 可调节通用 LDO (LDO1)
    • LDO1:默认电压为 1.8V,电流高达 400mA
    • 输入电压范围:1.8V 至 5.5V
    • 可调节输出电压范围:0.9V 至 3.4V
    • 禁用时支持有源输出放电
  • 具有 350mA 电流限制的低电压负载开关 (LS1)
    • 输入电压范围:1.2V 至 3.6V
    • 电压为 1.35V 时,开关阻抗为 110mΩ(最大值)
  • 具有 100mA 或 500mA 可选电流限制的 5V 负载开关 (LS2)
    • 输入电压范围:3V 至 5.5V
    • 电压为 5V 时,开关阻抗为 500mΩ(最大值)
  • 具有 100mA 或 500mA 可选电流限制的高电压负载开关 (LS3)
    • 输入电压范围:1.8V 至 10V
    • 开关阻抗:500mΩ(最大值)
  • 带有内置监控功能的监控器可用于监测:
    • DCDC1、DCDC2 ±4% 容差
    • DCDC3、DCDC4 ±5% 容差
    • LDO1 ±5% 容差
  • 保护、诊断和控制:
    • 欠压锁定 (UVLO)
    • 常开按钮监视器
    • 过热警告和关断
    • 备用电源和主电源采用独立的电源正常状态输出
    • I2C 接口(地址 0x24)(请参阅 400kHz 时的 I2C 操作时序要求
Regulated outputs (#)7
ConfigurabilityFactory programmable, Software configurable
Vin (min) (V)2.2
Vin (max) (V)5.5
Iout (max) (A)1.8
FeaturesDynamic voltage scaling, Eco-mode, I2C control, Overcurrent protection, Power good, Power sequencing, Power supply and system monitoring, Thermal shutdown, UVLO adjustable
Step-up DC/DC converter1
Step-down DC/DC converter5
Step-down DC/DC controller0
Step-up DC/DC controller0
LDO1
Iq (typ) (mA)0.025
RatingCatalog
Switching frequency (max) (kHz)2400
Operating temperature range (°C)-40 to 105
Processor supplierNXP/Freescale
Processor namei.MX 8M Mini/Nano
Switching frequency (typ) (kHz)2400
VQFN (RSL)4836 mm² 6 x 6
产品购买
  • 商品型号
  • 封装
  • 工作温度
  • 包装
  • 价格
  • 现货库存
  • 操作
10s
温馨提示:
订单商品问题请移至我的售后服务提交售后申请,其他需投诉问题可移至我的投诉提交,我们将在第一时间给您答复
返回顶部