h1_key

TI(德州仪器) TPS56637
德州仪器 (TI) 全系列产品在线购买
  • TI(德州仪器) TPS56637
  • TI(德州仪器) TPS56637
  • TI(德州仪器) TPS56637
  • TI(德州仪器) TPS56637
  • TI(德州仪器) TPS56637
  • TI(德州仪器) TPS56637
立即查看
您当前的位置: 首页 > 电源管理 > 直流/直流开关稳压器 > 降压稳压器 > TPS56637
TPS56637

TPS56637

正在供货

具有 ULQ-Mode 的 4.5V 至 28V、6A 同步降压转换器

产品详情
  • 说明
  • 特性
  • 参数
  • 封装 | 引脚 | 尺寸

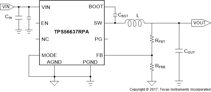
TPS56637 是一款配备了集成式 MOSFET 且具有高效率、高电压输入、易于使用的同步降压转换器。

由于具有 4.5V 至 28V 的宽工作输入电压范围,TPS56637 非常适用于由 12V、19V 和 24V 总线电源轨供电的系统。其输出电压为 0.6V 至 13V,支持高达 6A 的持续输出电流。

TPS56637 利用 DCAP3™控制模式提供快速瞬态响应、良好的线路和负载调节,无需外部补偿,并支持低等效串联电阻 (ESR) 输出电容器,如 POSCAP 和 MLCC。

TPS56637 兼具 FCCM 和 Eco-mode™两种运行模式,可在轻负载条件下通过 MODE 引脚配置进行选择。要在轻负载条件下实现高效率,可以选择 Eco-mode™。FCCM 符合严格的输出电压纹波要求。

TPS56637 具有完整的非闭锁 OV(过压)、UV(欠压)、OC(过流)、OT(过热)以及 UVLO(欠压锁定)保护以及电源正常状态指示器和输出放电功能 特性。

TPS56637 采用 10 引脚 3.0mm x 3.0mm HotRod™QFN 封装,额定结温范围为 –40°C 至 150°C。

  • 4.5V 至 28V 输入电压范围
  • 0.6V 至 13V 输出电压范围
  • 6A 最大连续输出电流
  • 集成式 26mΩ 和 12mΩ MOSFET
  • 0.6V ±1% 基准电压
  • D-CAP3™控制模式,用于快速瞬态响应
  • Eco-mode™和 FCCM(强制持续导通模式)可选,适用于通过 MODE 引脚的轻负载运行
  • 内部 2ms 软启动
  • 内置输出放电功能
  • 500kHz 开关频率
  • 电源正常状态指示器,可监控输出电压
  • 逐周期过流限制
  • 非闭锁 UV、OV、OT 和 UVLO 保护
  • –40°C 至 +150°C 的工作结温范围
  • 小型 10 引脚 3.0mm × 3.0mm HotRod™四方扁平无引线 (QFN) 封装
  • 可使用 WEBENCH® 电源设计器创建定制设计方案
Vin (min) (V)4.5
Vin (max) (V)28
Vout (min) (V)0.6
Vout (max) (V)13
Iout (max) (A)6
Iq (typ) (mA)0.125
Switching frequency (min) (kHz)500
Switching frequency (max) (kHz)500
FeaturesEnable, Forced PWM, Light Load Efficiency, Pre-Bias Start-Up, Soft Start Fixed, Synchronous Rectification, UVLO adjustable
Operating temperature range (°C)-40 to 150
RatingCatalog
Regulated outputs (#)1
Control modeD-CAP3
Duty cycle (max) (%)91
TypeConverter
VQFN-HR (RPA)109 mm² 3 x 3
产品购买
  • 商品型号
  • 封装
  • 工作温度
  • 包装
  • 价格
  • 现货库存
  • 操作
10s
温馨提示:
订单商品问题请移至我的售后服务提交售后申请,其他需投诉问题可移至我的投诉提交,我们将在第一时间给您答复
返回顶部