h1_key

TI(德州仪器) TPS25842-Q1
德州仪器 (TI) 全系列产品在线购买
  • TI(德州仪器) TPS25842-Q1
  • TI(德州仪器) TPS25842-Q1
  • TI(德州仪器) TPS25842-Q1
  • TI(德州仪器) TPS25842-Q1
  • TI(德州仪器) TPS25842-Q1
  • TI(德州仪器) TPS25842-Q1
立即查看
您当前的位置: 首页 > 电源管理 > USB 电源开关和充电端口控制器 > TPS25842-Q1
TPS25842-Q1

TPS25842-Q1

正在供货

USB Type-A SDP/CDP 汽车充电端口转换器电缆补偿

产品详情
  • 说明
  • 特性
  • 参数
  • 封装 | 引脚 | 尺寸

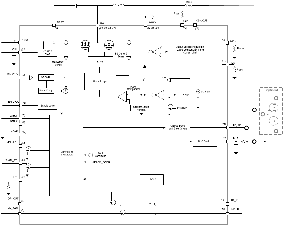
TPS2584x-Q1 是 USB Type-A BC1.2 充电解决方案,其中包括一个同步直流/直流转换器。凭借电缆压降补偿,不管负载电流如何变化,Vbus 都保持恒定,确保即使在重负载期间也能以合适的电流和电压为连接的便携式设备充电。

TPS2584x-Q1 包括可实现 DP 和 DM 直通的高带宽模拟开关。

TPS25840-Q1 还在 VBUS、DM_IN 和 DP_IN 引脚上集成了电池短路保护。这些引脚可承受最高 18V 的电压。TPS25842-Q1 不支持数据线 (Dx) 对 VBAT 短路保护。

此同步降压稳压器具有电流模式控制并采用内部补偿,因此简化了设计。RT 引脚上有一个电阻器,可用于在 300kHz 和 2.2MHz 之间设置开关频率。在低于 400kHz 的频率下运行可实现更高的系统效率。在高于 2.1MHz 的频率下运行则可以避开 AM 无线电频带,并且能够使用较小的电感器。

TPS2584x-Q1 集成了传统器件所需的电气特性,这些器件使用 USB 数据线来确定充电配置。

内含一个精密电流感应放大器,用于实现用户可编程电缆压降补偿和电流限制调整。电缆补偿可使降压稳压器输出电压随负载电流线性改变,以抵消由于汽车电缆布线中的导线电阻引起的压降,从而帮助便携式设备在重载下实现最佳电流和电压充电。无论负载电流如何,在连接的便携式器件上测得的 VBUS 电压都保持大致恒定,这样,便携式器件的电池充电器就能够保持最佳工作状态。

USB 规范要求 USB 充电端口满足电流限制,但也留下了合理的自由空间,允许系统设计人员基于系统要求选择过流保护级别。TPS2584x-Q1 使用了一种新颖的双阈值电流限制电路,允许系统设计者对降压稳压器的平均电流限制保护进行编程,或者在 CSN/OUT 和 BUS 引脚之间使用一个外部 NMOS 来对电流限制进行调整。由于实施了 NFET,TPS2584x-Q1 降压稳压器可在 USB 端口上存在过流故障期间为其他负载提供 5V 输出。

保护特性包括逐周期电流限制、断续短路保护、欠压锁定、VBUS 过压和过流保护、数据线 (Dx) 对 VBUS 短路保护以及裸片过热保护。

TPS25840-Q1 包括可实现 DP 和 DM 直通的高带宽模拟开关,支持数据线 (Dx) 对 VBAT 短路保护。TPS25842-Q1 不支持数据线 (Dx) 对 VBAT 短路保护。

  • 符合面向汽车应用的 AEC-Q100 标准:
    • 温度等级 1:–40°C 至 +125°C,TA
    • HBM ESD 分类等级 H2
    • CDM ESD 分类等级 C5
  • 提供功能安全
    • 有助于进行功能安全系统设计的文档
  • 同步降压直流/直流稳压器
    • 输入电压范围:4.5V 至 36V
    • 输出电流:3.5A
    • 5.1V 输出电压,精度为 ±1%
    • 电流模式控制
    • 频率可调节:300 kHz 至 2.2 MHz
    • 与外部时钟频率同步
    • 具有扩频频谱抖动的 FPWM
    • 内置补偿功能,便于使用
  • 符合 USB-IF 标准
    • 符合 USB BC1.2 规范的 CDP/SDP 模式
  • 针对 USB 电源和通信进行了优化
    • 用户可编程的 USB 电流限制
    • 高达 1.5V 的电缆压降补偿
    • DP 和 DM 上的高带宽数据开关
    • 可用于进行系统更新的客户端模式
  • 集成式保护
    • VBUS 对 VBAT 短路保护
    • DP_IN 和 DM_IN VBAT 短路保护 (仅 TPS25840-Q1)
    • DP_IN 和 DM_IN VBUS 短路保护
    • 符合 IEC 61000-4-2 标准的 DP_IN、DM_IN
      • ±8kV 接触放电和 ±15kV 空气放电
  • 故障标志报告
  • 具有可润湿侧翼的 32 引脚 QFN 封装
Product typeCharge port converter
Vin (min) (V)4.5
Vin (max) (V)36
Continuous current (max) (A)3.5
Current limit (A)User-selectable current limit
Operating temperature range (°C)-40 to 125
EnableActive High
Number of switches1
TI functional safety categoryFunctional Safety-Capable
RatingAutomotive
VQFN (RHB)3225 mm² 5 x 5
产品购买
  • 商品型号
  • 封装
  • 工作温度
  • 包装
  • 价格
  • 现货库存
  • 操作
10s
温馨提示:
订单商品问题请移至我的售后服务提交售后申请,其他需投诉问题可移至我的投诉提交,我们将在第一时间给您答复
返回顶部