h1_key

TI(德州仪器) BQ25618
德州仪器 (TI) 全系列产品在线购买
  • TI(德州仪器) BQ25618
  • TI(德州仪器) BQ25618
  • TI(德州仪器) BQ25618
  • TI(德州仪器) BQ25618
  • TI(德州仪器) BQ25618
  • TI(德州仪器) BQ25618
立即查看
您当前的位置: 首页 > 电源管理 > 电池管理 IC > 电池充电器 IC > BQ25618
BQ25618

BQ25618

正在供货

采用 WCSP 封装、具有 20mA 终止电流和 1A 升压电流的 I2C 控制型 1.5A 单节降压型电池充电器

产品详情
  • 说明
  • 特性
  • 参数
  • 封装 | 引脚 | 尺寸

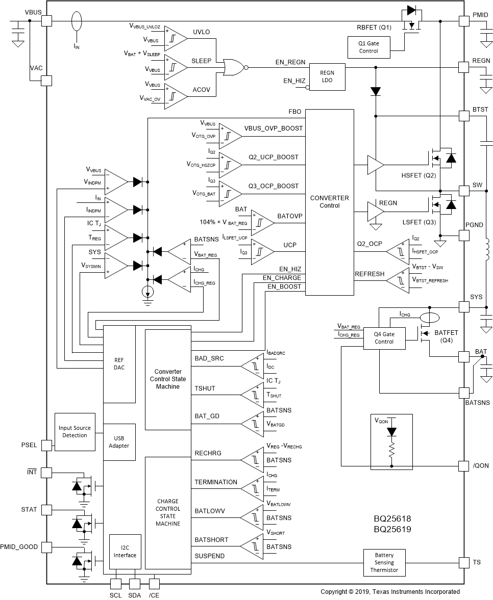
BQ25618/619 将充电、升压转换器和电压保护功能集成在单个器件中。该器件为开关充电器提供了业界最低的终端电流,从而以最大电池容量为可穿戴设备充电。BQ25618/619 具有出色的低静态电流,可在运输模式下将电池泄漏降低至 6uA,从而节约电池电量,将器件的货架期延长一倍。BQ25619 采用 4x4 QFN 封装,以便于布局。BQ25618 采用 2.0x2.4mm2 WCSP 封装,以支持空间受限的设计。

  • 单芯片解决方案,可以通过适配器或电池为可穿戴附件充电
  • 高效 1.5MHz 同步开关模式降压充电器
    • 0.5A 时充电效率为 95.5%,1A 时充电效率为 94.5%
    • ±0.5% 充电电压调节(10mV 阶跃)
    • 充电电压、电流和温度阈值的 I2C 可编程 JEITA 曲线
    • 高精度低终止电流 20mA±10mA
    • 2.5 x 2.0 x 1.0mm3 的小电感器尺寸
  • 输出范围为 4.6V 至 5.15V 的升压模式
    • 在 1A 输出下具有 94% 的升压效率
    • 集成控制功能,可实现充电模式与升压模式间的切换
    • PMID_GOOD 引脚控制外部 PMOS FET,用于针对故障情况提供保护
  • 单个输入,支持 USB 输入以及高电压适配器或无线电源
    • 支持 4V 至 13.5V 输入电压范围,绝对最大输入额定值为 22V
    • 通过 I2C(100mA 至 3.2A,100mA/阶跃) 实现可编程输入电流限制 (IINDPM)
    • 通过 高达 5.4V 的输入电压限制 (VINDPM) 进行最大功率跟踪
    • 通过 VINDPM 阈值自动跟踪电池电压
  • 窄 VDC (NVDC) 电源路径管理
    • 无需电池或使用深度放电的电池即可使系统瞬时启动
  • 灵活的 I2C 配置和自主充电,可实现出色的系统性能
  • 高集成度包括所有 MOSFET、电流感应和环路补偿
  • 低 RDSON 19.5mΩ BATFET,可更大程度地降低充电损耗和延长电池运行时间
    • 提供用于运输模式的 BATFET 控制,以及使用和不使用适配器的完全系统复位功能
  • 运输模式下具有 7µA 低电池泄漏电流
  • 在系统待机时具有 9.5µA 的低电池泄漏电流
  • 高精度电池充电曲线
    • ±6% 充电电流调节
    • ±7.5% 输入电流调节
    • 远程电池检测,可更快地进行充电
    • 用于电池完全充电的可编程充电完成计时器
  • 安全相关认证:
    • 经 IEC 62368-1 CB 认证
Number of series cells1
Charge current (max) (A)1.5
Vin (max) (V)13.5
Cell chemistryLi-Ion/Li-Polymer, Lithium Phosphate/LiFePO4
Battery charge voltage (min) (V)3.5
Battery charge voltage (max) (V)4.52
Absolute max Vin (max) (V)22
Control topologySwitch-Mode Buck
Control interfaceI2C
FeaturesBAT temp thermistor monitoring (JEITA profile), IC thermal regulation, IINDPM (Input current limit), Input OVP, Power Path, USB OTG integrated, VINDPM (Input voltage threshold to maximize adaptor power)
Vin (min) (V)3.9
RatingCatalog
Operating temperature range (°C)-40 to 85
DSBGA (YFF)305.71999999999999912 mm² 2.2 x 2.5999999999999996
产品购买
  • 商品型号
  • 封装
  • 工作温度
  • 包装
  • 价格
  • 现货库存
  • 操作
10s
温馨提示:
订单商品问题请移至我的售后服务提交售后申请,其他需投诉问题可移至我的投诉提交,我们将在第一时间给您答复
返回顶部