h1_key

TI(德州仪器) LP8869C-Q1
德州仪器 (TI) 全系列产品在线购买
  • TI(德州仪器) LP8869C-Q1
  • TI(德州仪器) LP8869C-Q1
  • TI(德州仪器) LP8869C-Q1
  • TI(德州仪器) LP8869C-Q1
  • TI(德州仪器) LP8869C-Q1
  • TI(德州仪器) LP8869C-Q1
立即查看
您当前的位置: 首页 > 电源管理 > LED 驱动器 > 汽车 LED 驱动器 > LP8869C-Q1
LP8869C-Q1

LP8869C-Q1

正在供货

高集成度 3 通道 120mA 汽车类 LED 驱动器

产品详情
  • 说明
  • 特性
  • 参数
  • 封装 | 引脚 | 尺寸

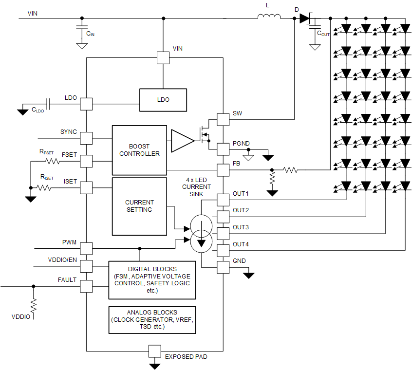
LP8867C-Q1、LP8869C-Q1 是高度集成、低 EMI、易于使用并具有直流/直流转换器的汽车 LED 驱动器。直流/直流转换器支持升压和 SEPIC 工作模式。此器件具有四个或三个高精度灌电流,可以将这些电流组合在一起以获得更高的电流能力。

直流/直流转换器可基于 LED 正向电压提供自适应输出电压控制。该特性可在所有条件下将电压调节到能够满足需要的最低水平,从而更大限度降低功耗。为了降低 EMI,DC-DC 转换器支持针对开关频率进行扩频以及使用专用引脚实现外部同步。凭借宽范围可调频率,LP886xC-Q1 可避免敏感频段的干扰。

LP886xC-Q1 的输入电压范围为 4.5V 至 40V,支持汽车启动/停止以及负载突降的情况。LP886xC-Q1 集成了丰富的故障检测 特性。

  • 符合面向汽车 应用的 AEC-Q100 标准:
    • 器件温度等级 1:
      –40°C 至 +125°C,TA
  • 适用于汽车 LCD 显示屏的 3 通道、4 通道 120mA LED 驱动器
    • 在 100Hz 时具有 10000:1 的高调光比
    • 电流匹配度为 1%(典型值)
    • LED 灯串电流高达 120mA/通道
    • 可以在外部组合输出,以便为每个灯串提供更高的电流
  • 用于 LED 灯串电源的集成式升压和 SEPIC 转换器
    • 输入电压工作范围:4.5V 至 40V
    • 输出电压高达 45V
    • 集成的 3.3A 开关 FET
    • 开关频率为 300kHz 至 2.2MHz
    • 开关同步输入
    • 扩频,以实现更低的 EMI
  • 保护和故障检测
    • 故障输出
    • 输入电压 OVP、UVLO
    • 升压 OVP
    • SW OVP
    • LED 开路和短路故障检测
    • 热关断
Number of channels3
TopologyBoost with Current Sink, SEPIC
RatingAutomotive
TI functional safety categoryFunctional Safety-Capable
Operating temperature range (°C)-40 to 125
Vin (min) (V)4.5
Vin (max) (V)40
Vout (min) (V)6
Vout (max) (V)45
Iout (max) (A)0.36
Iq (typ) (mA)4.5
Switching frequency (max) (kHz)2200
FeaturesAdjustable Switch Frequency, Boost Sync, Enable/Shutdown, Fault Detection, Global dimming, Integrated Switch, LED Open Detection, LED Shorted Detection, Soft Start, Spread Spectrum, Synchronization Pin, Thermal shutdown
HTSSOP (PWP)2041.6 mm² 6.5 x 6.4
产品购买
  • 商品型号
  • 封装
  • 工作温度
  • 包装
  • 价格
  • 现货库存
  • 操作
10s
温馨提示:
订单商品问题请移至我的售后服务提交售后申请,其他需投诉问题可移至我的投诉提交,我们将在第一时间给您答复
返回顶部