h1_key

TI(德州仪器) TPS652170
德州仪器 (TI) 全系列产品在线购买
  • TI(德州仪器) TPS652170
  • TI(德州仪器) TPS652170
  • TI(德州仪器) TPS652170
  • TI(德州仪器) TPS652170
  • TI(德州仪器) TPS652170
  • TI(德州仪器) TPS652170
立即查看
您当前的位置: 首页 > 电源管理 > 多通道 IC (PMIC) > TPS652170
TPS652170

TPS652170

正在供货

具有 3 个直流/直流转换器、4 个 LDO、电池充电器和 LED 驱动器的用户可编程电源管理 IC (PMIC)

产品详情
  • 说明
  • 特性
  • 参数
  • 封装 | 引脚 | 尺寸

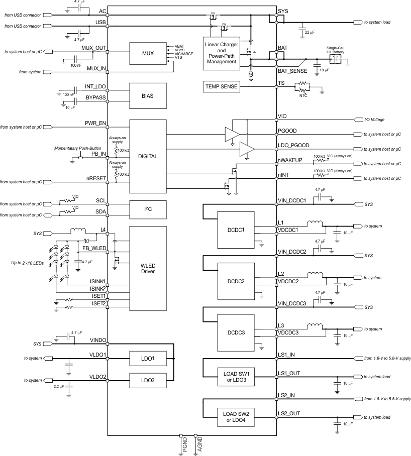
TPS652170 是一款单芯片电源管理 IC (PMIC),专门设计用于为便携式和 5V 线路供电型应用中的 AM335x ARM® Cortex®-A8 处理器 供电。该 PMIC 器件包含一个线性电池充电器(支持单节锂离子电池和锂聚合物电池)、双输入电源路径、三个降压转化器、四个低压降 (LDO) 稳压器以及一个高效升压转换器,可为两个分别由多达 10 个 LED 组成的灯串供电。此系统可由 USB 端口、5V 交流适配器或锂离子电池的任意组合供电。此器件的额定运行温度范围为 -40°C 至 +105°C,非常适合工业 应用。三个高效 2.25MHz 降压转换器可为系统提供内核电压、存储器和 I/O 电压。TPS652170 器件采用具有 0.4mm 间距的 48 引脚无引线封装 (6mm × 6mm VQFN)。

  • 充电器和电源路径
    • 电源路径上具有 2A 输出电流
    • 线性充电器;700mA 最大充电电流
    • 可耐受 20V USB 和交流输入
    • 热调节,安全计时器
    • 温度检测输入
  • 降压转换器(DCDC1、DCDC2、DCDC3)
    • 三个具有集成开关 FET 的降压转换器
    • 2.25MHz 固定频率运行
    • 轻负载电流状态下进入节能模式
    • PWM 模式下输出电压精度为 ±2%
    • 100% 占空比,可实现最低压降
    • 每个转换器的静态电流典型值为 15µA
    • 禁用时支持无源对地放电
  • LDO 稳压器(LDO1、LDO2)
    • 两个可调 LDO
    • LDO2 可配置为跟踪 DCDC3
    • 15µA 静态电流(典型值)
  • 负载开关(LDO3、LDO4)
    • 两个可配置为 LDO 的独立负载开关
  • WLED 驱动器
    • 内部生成的 PWM 可支持调光控制
    • 38V 开路 LED 保护
    • 支持两个 LED 灯串(每串多达 10 个 LED,每个 LED 的电流为 25mA)
    • 内部低侧灌电流
  • 保护
    • 欠压锁定和电池故障比较器
    • 常开按钮监视器
    • 硬件复位引脚
    • 受密码保护的 I2C 寄存器
  • 接口
    • I2C 接口(地址 0x24)
    • 受密码保护的 I2C 寄存器
Regulated outputs (#)9
ConfigurabilityUser programmable
Vin (min) (V)2.75
Vin (max) (V)5.8
Iout (max) (A)1.2
FeaturesComm control, Dynamic voltage scaling, I2C control, Power good, Power sequencing
Step-up DC/DC converter1
Step-down DC/DC converter3
Step-down DC/DC controller0
Step-up DC/DC controller0
LDO4
Iq (typ) (mA)0.08
RatingCatalog
Switching frequency (max) (kHz)2550
Operating temperature range (°C)-40 to 105
Processor supplierTexas Instruments
Processor nameSitara AM335x
Shutdown current (ISD) (typ) (µA)6
Switching frequency (typ) (kHz)2250
VQFN (RSL)4836 mm² 6 x 6
产品购买
  • 商品型号
  • 封装
  • 工作温度
  • 包装
  • 价格
  • 现货库存
  • 操作
10s
温馨提示:
订单商品问题请移至我的售后服务提交售后申请,其他需投诉问题可移至我的投诉提交,我们将在第一时间给您答复
返回顶部