h1_key

TI(德州仪器) TPS61390
德州仪器 (TI) 全系列产品在线购买
  • TI(德州仪器) TPS61390
  • TI(德州仪器) TPS61390
  • TI(德州仪器) TPS61390
  • TI(德州仪器) TPS61390
  • TI(德州仪器) TPS61390
  • TI(德州仪器) TPS61390
立即查看
您当前的位置: 首页 > 电源管理 > 直流/直流开关稳压器 > 升压稳压器 > TPS61390
TPS61390

TPS61390

正在供货

具有电流镜和采样保持功能且输出电压为 85V 的升压转换器

产品详情
  • 说明
  • 特性
  • 参数
  • 封装 | 引脚 | 尺寸

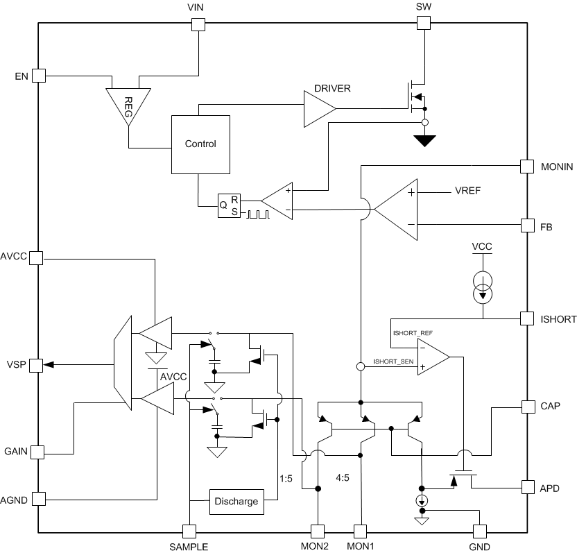
TPS61390 是一个 700kHz 脉宽调制 (PWM) 升压转换器,具有 85V 开关 FET,输入范围为 2.5V 至 5.5V。开关峰值电流高达 1000mA。TPS61390 包括具有两个可选增益选项(1:5 或 4:5)的精确电流镜。

此外,TPS61390 还集成了一个适用于突发模式光学接收器 应用 的采样/保持电路,可捕获流经 APD 的电流并将此电流传递给外部 ADC。当在强弱光学密度之间转换时,此器件可实现快速的响应时间。TPS61390 还提供了高光功率保护,并将一个额外的 FET 与 APD 电源路径串联在一起,典型响应时间为 0.5µs。当高光功率下降时,它能够自动恢复。

TPS61390 可采用下面带有外露散热垫的 3mm × 3mm QFN 封装。

  • 输入电压范围:2.5V 至 5.5V
  • 输出电压范围:高达 85V
  • 开关 FET 的 R(DS)on:0.9Ω
  • 开关电流限制:1000mA
  • 最短响应时间为 400ns 的采样窗口
  • 具有 0.5µs 响应时间的高光功率保护
  • 开关频率:700kHz
  • 瞬态电流:来自 VIN 时为 110µA,来自 VOUT 时为 340µA,来自 AVCC 时为 140µA
  • 软启动时间:4.8ms
  • 封装:3mm × 3mm × 0.75mm QFN
TopologyBoost, Flyback, SEPIC
Vin (min) (V)2.5
Vin (max) (V)5.5
Vout (min) (V)2.5
Vout (max) (V)84
Switch current limit (typ) (A)1
TypeConverter
Regulated outputs (#)1
Switching frequency (min) (kHz)600
Switching frequency (max) (kHz)800
Iq (typ) (mA)0.5
FeaturesEnable, Nonsynchronous, UVLO Fixed
Duty cycle (max) (%)99
Operating temperature range (°C)-40 to 125
RatingCatalog
WQFN (RTE)169 mm² 3 x 3
产品购买
  • 商品型号
  • 封装
  • 工作温度
  • 包装
  • 价格
  • 现货库存
  • 操作
10s
温馨提示:
订单商品问题请移至我的售后服务提交售后申请,其他需投诉问题可移至我的投诉提交,我们将在第一时间给您答复
返回顶部