h1_key

TI(德州仪器) TPS23758
德州仪器 (TI) 全系列产品在线购买
  • TI(德州仪器) TPS23758
  • TI(德州仪器) TPS23758
  • TI(德州仪器) TPS23758
  • TI(德州仪器) TPS23758
  • TI(德州仪器) TPS23758
  • TI(德州仪器) TPS23758
立即查看
您当前的位置: 首页 > 电源管理 > 以太网供电 (PoE) IC > 供电设备 > TPS23758
TPS23758

TPS23758

正在供货

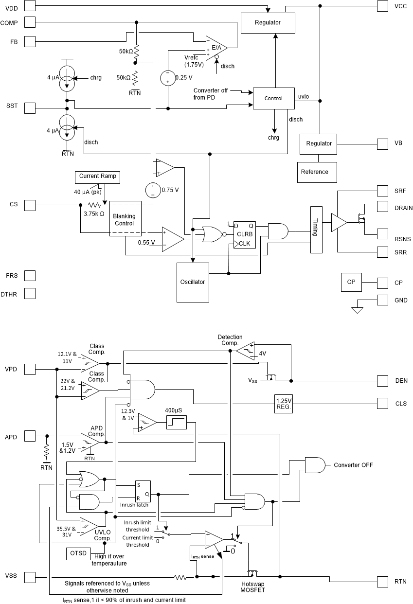
具有非光电同步反激式直流/直流控制器的 IEEE 802.3at PoE PD

产品详情
  • 说明
  • 特性
  • 参数
  • 封装 | 引脚 | 尺寸
Vin (min) (V)10.2
Vin (max) (V)57
PoE current limit (min) (mA)405
PoE inrush limit (mA) (typ) (A)0.14
rDS(on) per FET (typ) (mΩ)360
PoE standards supported802.3at Type 1 (802.3af)
PD power level13W
DC/DC controlPD and DC/DC
Fault responseAuto Retry
FeaturesAdvanced startup, Error amplifier, Integrated Switching FET, Primary-side adapter priority, Primary-side regulation, Spread-spectrum frequency dithering, Thermal shutdown
Operating temperature range (°C)-40 to 125
RatingCatalog
VSON (RJJ)2324 mm² 6 x 4
产品购买
  • 商品型号
  • 封装
  • 工作温度
  • 包装
  • 价格
  • 现货库存
  • 操作
10s
温馨提示:
订单商品问题请移至我的售后服务提交售后申请,其他需投诉问题可移至我的投诉提交,我们将在第一时间给您答复
返回顶部