h1_key

TI(德州仪器) TPS56339
德州仪器 (TI) 全系列产品在线购买
  • TI(德州仪器) TPS56339
  • TI(德州仪器) TPS56339
  • TI(德州仪器) TPS56339
  • TI(德州仪器) TPS56339
  • TI(德州仪器) TPS56339
  • TI(德州仪器) TPS56339
立即查看
您当前的位置: 首页 > 电源管理 > 直流/直流开关稳压器 > 降压稳压器 > TPS56339
TPS56339

TPS56339

正在供货

4.5V 至 24V 输入、3A 输出同步降压转换器

产品详情
  • 说明
  • 特性
  • 参数
  • 封装 | 引脚 | 尺寸

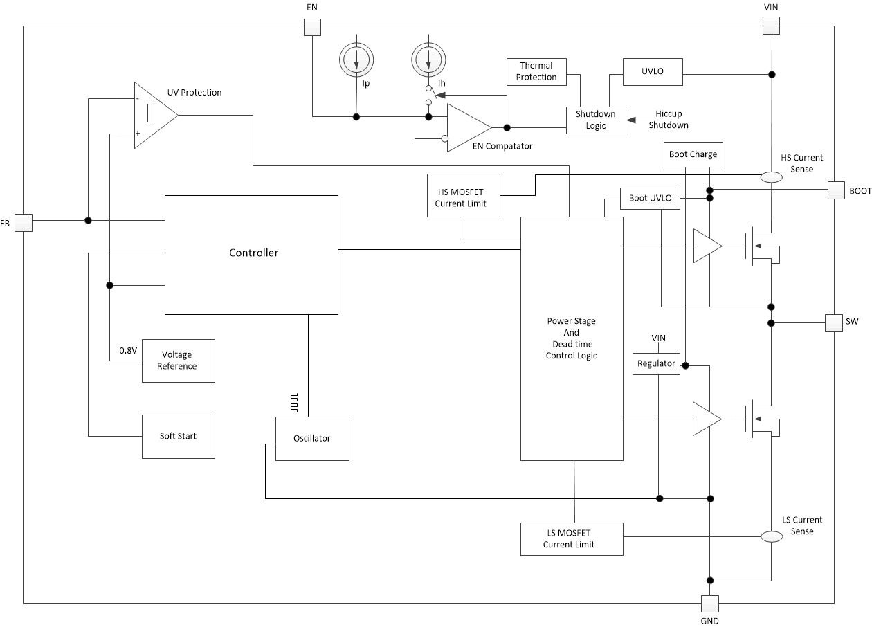
TPS56339 是一款输入电压范围为 4.5V 至 24V 的 3A 同步降压转换器。该器件包含两个集成开关 MOSFET、内部回路补偿和 5ms 内部软启动功能,可降低组件数。通过采用 SOT-23 (6) 封装,该器件实现了高功率密度,并且在 PCB 上的占用空间非常小。

TPS56339 采用高级仿真电流模式 (AECM) 控制,可实现固定频率快速瞬态响应。该器件具有内部自适应环路调节功能,因此在宽电压输出范围内无需进行外部补偿。

高侧逐周期电流限制可在电流过载情况下保护器件,并通过低侧拉电流限制防止电流失控,增强限制效果。在欠压和热关断保护情况下将触发断续保护。

  • 输入电压范围:4.5V 至 24V
  • 输出电压范围:0.8V 至 16V
  • 3A 最大连续输出电流
  • 500kHz 固定开关频率
  • 支持高达 97% 的占空比
  • 集成式 70mΩ 和 35mΩ MOSFET
  • 关断电流典型值为 3µA
  • 静态电流典型值为 98µA
  • 内部 5ms 软启动
  • 方便易用的内部环路补偿
  • 用于高侧和低侧 MOSFET 的逐周期电流限制
  • 非锁存 UVP、UVLO 和 TSD 保护
  • SOT-23 (6) 封装
  • 使用 TPS56339 并借助 WEBENCH® 电源设计器创建定制设计
Vin (min) (V)4.5
Vin (max) (V)24
Vout (min) (V)0.8
Vout (max) (V)16
Iout (max) (A)3
Iq (typ) (mA)0.093
Switching frequency (min) (kHz)500
Switching frequency (max) (kHz)500
FeaturesEnable, Light Load Efficiency, Soft Start Fixed, Synchronous Rectification
Operating temperature range (°C)-40 to 125
RatingCatalog
Regulated outputs (#)1
Control modeACM/AECM
Duty cycle (max) (%)95
TypeConverter
SOT-23-THN (DDC)68.12 mm² 2.9 x 2.8
产品购买
  • 商品型号
  • 封装
  • 工作温度
  • 包装
  • 价格
  • 现货库存
  • 操作
10s
温馨提示:
订单商品问题请移至我的售后服务提交售后申请,其他需投诉问题可移至我的投诉提交,我们将在第一时间给您答复
返回顶部