h1_key

TI(德州仪器) UC1825B-SP
德州仪器 (TI) 全系列产品在线购买
  • TI(德州仪器) UC1825B-SP
  • TI(德州仪器) UC1825B-SP
  • TI(德州仪器) UC1825B-SP
  • TI(德州仪器) UC1825B-SP
  • TI(德州仪器) UC1825B-SP
  • TI(德州仪器) UC1825B-SP
立即查看
您当前的位置: 首页 > 电源管理 > 交流/直流和隔离式直流/直流开关稳压器 > PWM 控制器 > UC1825B-SP
UC1825B-SP

UC1825B-SP

正在供货

耐辐射 QMLV、30V 输入、2A 双输出 1MHz PWM 控制器

产品详情
  • 说明
  • 特性
  • 参数
  • 封装 | 引脚 | 尺寸

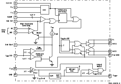
UC1825B-SP PWM 控制器件针对高频开关模式电源应用进行了优化。对在大大增加误差放大器的带宽和转换率的同时,大大减小通过比较器和逻辑电路的传播延迟给与了特别关注。这个控制器设计用于电流模式或电压模式系统,此系统具有输出电压前馈功能。

保护电路包括一个阈值电压为 1V 的电流限制比较器、一个 TTL 兼容关断端口和一个软启动引脚,此引脚可对折为一个最大占空比钳位。此逻辑被完全锁存以提供无抖动运行,并且抑制了输出上的多脉冲。一个具有 800mV 滞后的欠压闭锁部分可确保低启动电流。欠压闭锁期间,输出为高阻抗。

这个器件特有推挽式输出,此输出被设计用来拉、灌来自电容负载(诸如一个功率金属氧化物半导体场效应晶体管 (MOSFET) 的栅极)的高峰值电流。导通状态设计为高电平。

  • 符合 QML-V 标准,SMD 5962-8768106
  • 5962 R8768106VYC:
    • 耐辐射加固保障 (RHA) 能力高达 100krad(Si) 总电离剂量 (TID) (1)
  • 与电压或电流模式拓扑兼容
  • 实际工作开关频率高达 1MHz
  • 50ns 传播延迟到输出
  • 大电流双图腾柱输出(2A 峰值)
  • 宽带宽误差放大器
  • 带有双脉冲抑制功能的全锁存逻辑
  • 逐脉冲电流限制
  • 软启动/最大占空比控制
  • 带有迟滞功能的欠压锁定
  • 低启动电流 (1.1mA)

(1)辐射耐受性是基于初始器件认证(剂量率 = 10mrad(Si)/s)获得的典型值。提供辐射批次验收测试 - 详细信息请联系厂家。

TopologyBoost, Flyback, Forward, Full bridge, Half bridge, Push pull
Control modePeak current mode, Voltage
Duty cycle (max) (%)80
Switching frequency (max) (kHz)500
FeaturesAdjustable switching frequency, Enable/Shutdown, Error amplifier, Integrated gate drivers, Programmable soft start, Soft start
UVLO thresholds on/off (V)10/9.2
Operating temperature range (°C)-55 to 125
RatingSpace
Gate drive (typ) (A)2
Vin (max) (V)30
Radiation, SEL (MeV·cm2/mg)75
CFP (HKT)1672.136 mm² 10.16 x 7.1
DIESALE (KGD)See data sheet
产品购买
  • 商品型号
  • 封装
  • 工作温度
  • 包装
  • 价格
  • 现货库存
  • 操作

很抱歉,暂时无法提供与“UC1825B-SP”系列相匹配的产品,您可以联系专属客服快速找货或在现货搜索框中重新搜索。

10s
温馨提示:
订单商品问题请移至我的售后服务提交售后申请,其他需投诉问题可移至我的投诉提交,我们将在第一时间给您答复
返回顶部