h1_key

TI(德州仪器) TPS1663
德州仪器 (TI) 全系列产品在线购买
  • TI(德州仪器) TPS1663
  • TI(德州仪器) TPS1663
  • TI(德州仪器) TPS1663
  • TI(德州仪器) TPS1663
  • TI(德州仪器) TPS1663
  • TI(德州仪器) TPS1663
立即查看
您当前的位置: 首页 > 电源管理 > 电源开关 > 电子保险丝和热插拔控制器 > TPS1663
TPS1663

TPS1663

正在供货

具有输出功率限制功能的 4.5V 至 60V、31mΩ、0.6A 至 6A 电子保险丝

产品详情
  • 说明
  • 特性
  • 参数
  • 封装 | 引脚 | 尺寸

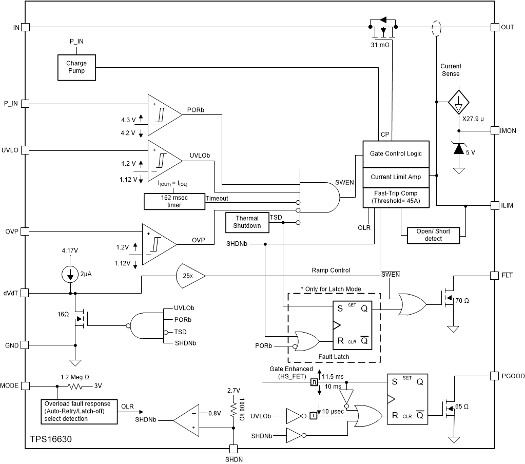
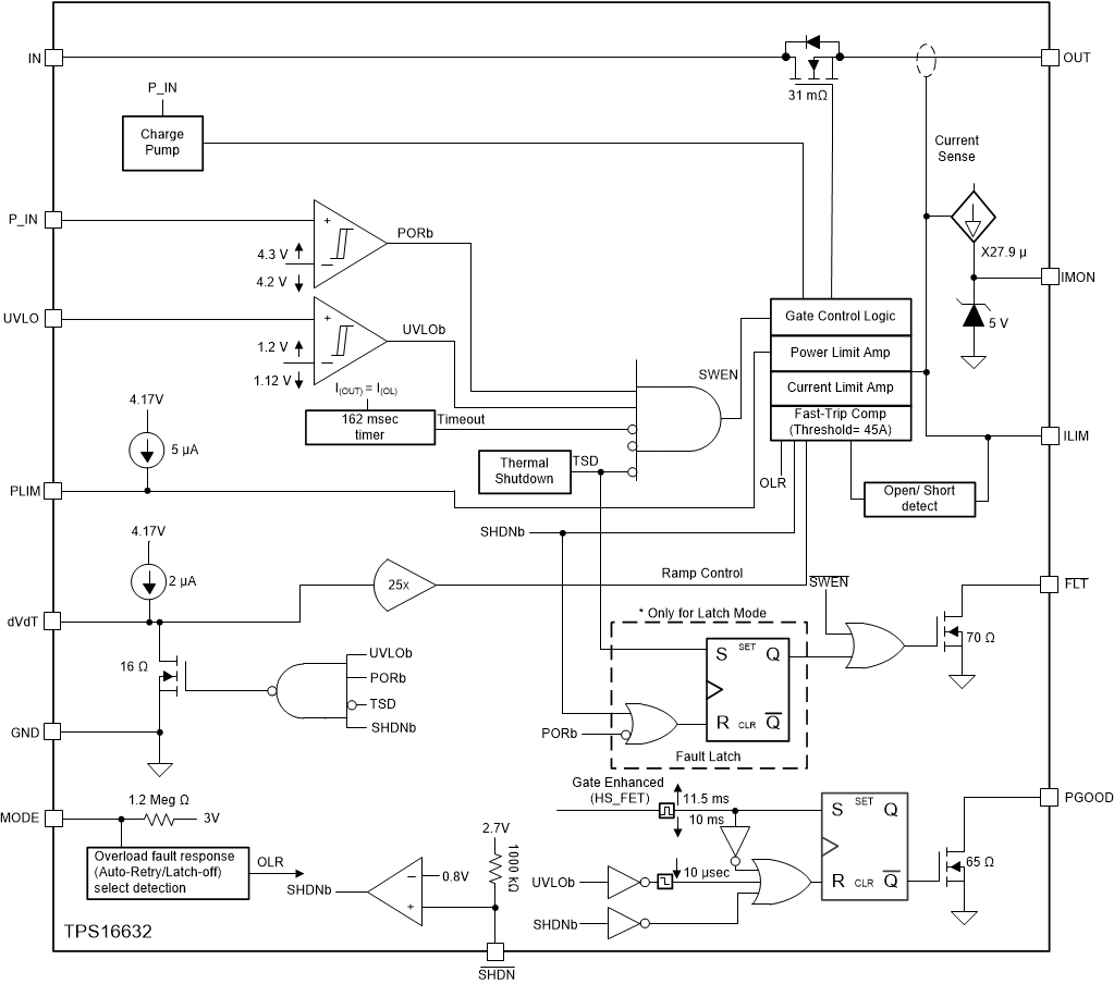
TPS1663x 是一款易于使用的正极 60V、6A 电子保险丝,具有一个 31mΩ 的集成式 FET。可提供对负载、电源和电子保险丝本身的保护以及可调特性,例如精确的过流保护、快速短路保护、输出压摆率控制、过压保护和欠压锁定。TPS16332 器件集成了可调节输出功率限制 (PLIM) 功能,可简化并实现对诸如 IEC61010-1 和 UL1310 等标准的遵从。该器件还具有可调节过流保护功能。可以使用 PGOOD 来启用和禁用下游直流/直流转换器控制。

借助关断引脚,可以从外部控制内部 FET 的启用和禁用以及将器件置于低电流关断模式。为实现系统状态监视和下游负载控制,该器件提供了故障和精确的电流监视器输出。MODE 引脚可用于在两种限流故障响应(闭锁自动重试)之间灵活地对器件进行配置。

这些器件采用 4mm × 4mm 24 引脚 VQFN 封装,额定温度范围为 –40°C 至 +125°C。

  • 工作电压为 4.5V 至 60V, 绝对最大值为 67V
  • 集成式 60V、31mΩ R ON 热插拔 FET
  • 可调电流限制为 0.6A 至 6A (±7%)
  • 低静态电流,关断时为 21µA
  • 可调节输出功率限制(仅限 TPS16632)(±6%)
  • 精度为 ±2% 的可调节 UVLO 和 OVP 切断
    • 39V 固定最大过压钳位(仅限 TPS16632)
  • 可调节输出压摆率控制,用于实现浪涌电流限制
    • 通过在器件加电期间进行热调节,为大型及未知电容负载充电
  • 电源正常输出 (PGOOD)
  • 可选过流故障响应选项(自动重试和闭锁模式)
  • 模拟电流监控器 (IMON) 输出 (±6%)
  • 通过 UL 2367 认证
    • 文件编号 E169910
    • RILIM ≥ 3kΩ
  • 通过 IEC 62368-1 认证
  • 提供功能安全
    • 有助于进行功能安全系统设计的文档
  • 采用易于使用的 24 引脚 VQFN 封装
FETInternal
Ron (typ) (mΩ)31
Vin (min) (V)4.5
Vin (max) (V)60
Vabsmax_cont (V)67
Current limit (min) (A)0.6
Current limit (max) (A)6
Overcurrent responsecurrent limiting
Fault responseAuto-retry, Latch-off
Soft startAdjustable
Overvoltage responseClamp, Cut-off
FeaturesCurrent monitoring, Fault output, Output power limiting, Power good signal
UL recognitionIEC62368, UL2367
TI functional safety categoryFunctional Safety-Capable
RatingCatalog
Device typeeFuses and hot swap controllers
Operating temperature range (°C)-40 to 125
FunctionAdjustable current limit, Current monitoring, Inrush current control, Overvoltage protection, Power good signal, Short circuit protection, Thermal shutdown
HTSSOP (PWP)2041.6 mm² 6.5 x 6.4
VQFN (RGE)2416 mm² 4 x 4
产品购买
  • 商品型号
  • 封装
  • 工作温度
  • 包装
  • 价格
  • 现货库存
  • 操作
10s
温馨提示:
订单商品问题请移至我的售后服务提交售后申请,其他需投诉问题可移至我的投诉提交,我们将在第一时间给您答复
返回顶部