h1_key

TI(德州仪器) TPS51396A
德州仪器 (TI) 全系列产品在线购买
  • TI(德州仪器) TPS51396A
  • TI(德州仪器) TPS51396A
  • TI(德州仪器) TPS51396A
  • TI(德州仪器) TPS51396A
  • TI(德州仪器) TPS51396A
  • TI(德州仪器) TPS51396A
立即查看
您当前的位置: 首页 > 电源管理 > 直流/直流开关稳压器 > 降压稳压器 > TPS51396A
TPS51396A

TPS51396A

正在供货

4.5V 至 24V、8A 同步降压稳压器

产品详情
  • 说明
  • 特性
  • 参数
  • 封装 | 引脚 | 尺寸

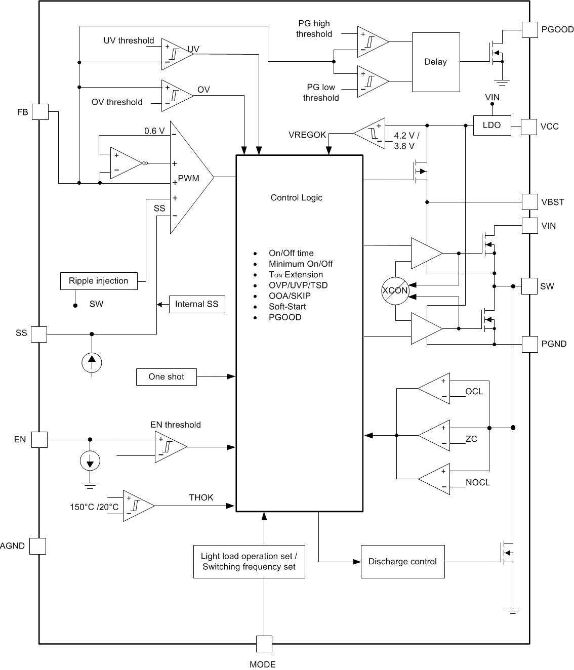
TPS51396A 是一款具有集成式 FET 且具有成本效益的高电压输入、高效率同步降压转换器。

TPS51396A 的主要特性是其 ULQ(超低静态电流),可实现低偏置电流和大负荷运行。该 ULQ 特性非常有益于在低功耗运行时延长电池寿命。TPS51396A 的电源输入电压范围为 4.5V 至 24V。该器件使用 DCAP3 控制模式来提供快速瞬态响应、良好的线路和负载调节,无需外部补偿,并支持低等效串联电阻 (ESR) 输出电容器,如专用聚合物和超低 ESR 陶瓷电容器。

TPS51396A 提供 OVP、UVP、OCP、OTP 和 UVLO 的全面保护。它结合了电源正常信号和输出放电功能。

可使用 TPS51396A 中的 MODE 引脚来设置 Eco-Mode 或 OOA 模式,从而实现轻负载运行。Eco-Mode 在轻负载运行期间可保持高效率,OOA 模式工作时的开关频率大于 25kHz(即使没有负载也是如此)。

TPS51396A 同时支持内部和外部软启动时间选项。它具有 1.3ms 的内部固定软启动时间。如果应用需要更长的软启动时间,则可以使用外部 SS 引脚,通过连接外部电容器来实现。

TPS51396A 可采用 20 引脚 3.0mm × 3.0mm HotRod 封装,额定结温范围为 –40°C 至 125°C。

  • 输入电压范围:4.5V 至 24V
  • D-CAP3™ 架构控制,可实现快速瞬态响应
  • 输出电压范围:0.6V 至 7V
  • 1% 反馈电压精度 (25°C)
  • 持续输出电流:8A
  • 集成 19.5mΩ 和 9.5mΩ RDS(on) 内部电源开关
  • ULQ™ 运行,能够在系统待机期间延长电池寿命
  • Eco-Mode™ 和 OOA 模式,适用于轻负载运行(通过 MODE 引脚选择)
  • 600kHz、800kHz 和 1MHz 可选开关频率(通过 MODE 引脚选择)
  • Out-of-Audio (OOA) 轻负载运行,开关频率超过 25kHz
  • 支持大负荷运行
  • 可调节软启动时间(通过 SS 引脚调节)
  • 电源正常指示器
  • 内置输出放电功能
  • 逐周期过流保护
  • 锁存输出,可提供 OV 和 UV 保护
  • 非锁存,可提供 OT 和 UVLO 保护
  • 20 引脚 3.0mm × 3.0mm HotRod™ VQFN 封装
Vin (min) (V)4.5
Vin (max) (V)24
Vout (min) (V)0.6
Vout (max) (V)7
Iout (max) (A)8
Iq (typ) (mA)0.09
Switching frequency (min) (kHz)600
Switching frequency (max) (kHz)1000
FeaturesEnable, Light Load Efficiency, Output discharge, Over Current Protection, Power good, Soft Start Adjustable, Synchronous Rectification
Operating temperature range (°C)-40 to 125
RatingCatalog
Regulated outputs (#)1
Control modeD-CAP3
Duty cycle (max) (%)88.6
TypeConverter
VQFN-HR (RJE)209 mm² 3 x 3
产品购买
  • 商品型号
  • 封装
  • 工作温度
  • 包装
  • 价格
  • 现货库存
  • 操作
10s
温馨提示:
订单商品问题请移至我的售后服务提交售后申请,其他需投诉问题可移至我的投诉提交,我们将在第一时间给您答复
返回顶部