h1_key

TI(德州仪器) TPS23755
德州仪器 (TI) 全系列产品在线购买
  • TI(德州仪器) TPS23755
  • TI(德州仪器) TPS23755
  • TI(德州仪器) TPS23755
  • TI(德州仪器) TPS23755
  • TI(德州仪器) TPS23755
  • TI(德州仪器) TPS23755
立即查看
您当前的位置: 首页 > 电源管理 > 以太网供电 (PoE) IC > 供电设备 > TPS23755
TPS23755

TPS23755

正在供货

具有非光电反激式直流/直流控制器的 IEEE802.3at PoE PD

产品详情
  • 说明
  • 特性
  • 参数
  • 封装 | 引脚 | 尺寸

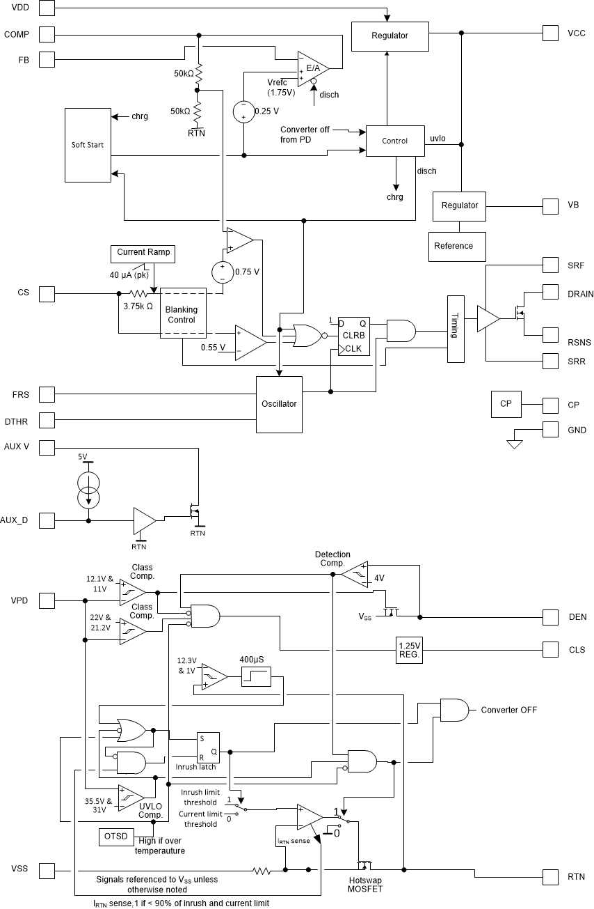
TPS23755 器件结合了以太网供电 (PoE) 供电设备 (PD) 接口、150V 开关功率 FET 和电流模式直流/直流控制器,并针对反激式拓扑进行了优化。高集成度以及初级侧调节 (PSR)、展频频率抖动 (SSFD) 和高级启动使 TPS23755 成为尺寸受限应用的理想之选。PoE 实现支持 IEEE 802.3at 标准(作为 13W、1 类 PD)。

直流/直流控制器的 PSR 功能使用来自辅助绕组的反馈来控制输出电压,无需外部并联稳压器和光耦合器。经优化,该器件可与次级侧二极管整流器(通常具有 12V 或更高的输出)一起工作。通常,转换器以 250kHz 的开关频率在连续导通模式 (CCM) 下运行。

SFFD 和压摆率控制有助于最大限度地减小 EMI 滤波器的尺寸并降低其成本。高级启动允许使用极小的偏置电容器,同时可以简化转换器启动和间断设计。

次级辅助电源检测功能为次级侧电源适配器提供了优先级,同时可确保与 PoE 输入电源之间的平稳过渡,无需效率或热性能折衷。

直流/直流控制器具有内部软启动、斜率补偿和消隐功能。对于非隔离应用,TPS23755 也支持降压拓扑。

  • 适用于 1 类 PoE 的完整 IEEE 802.3at PD 解决方案
    • 提供以太网联盟 (EA) 标识认证设计
    • 可靠的 100V、0.36Ω(典型值)热插拔 MOSFET
    • 可编程分类等级
  • 具有 0.77Ω(典型值)150V 功率 MOSFET 的集成 PWM 控制器
    • 具有 PSR 的反激式控制器
      • 支持 CCM 运行(采用次级侧二极管整流器)
      • ±3%(典型值,12V 输出)负载调节(5%-100% 范围)
    • 支持低侧开关降压拓扑
    • 具有同步功能的可调开关频率
    • 具有高级启动功能的
    • 可编程压摆率和频率抖动,可增强 EMI 降低水平
  • 具有平稳过渡功能的次级侧适配器优先级控制
  • 具有 –40°C 至 125°C 结温范围
  • 微型 6mm x 4mm VSON 封装
Vin (min) (V)10.2
Vin (max) (V)57
PoE current limit (min) (mA)405
PoE inrush limit (mA) (typ) (A)0.14
rDS(on) per FET (typ) (mΩ)360
PoE standards supported802.3at Type 1 (802.3af)
PD power level13W
DC/DC controlPD and DC/DC
Fault responseAuto Retry
FeaturesAdvanced startup, Error amplifier, Integrated Switching FET, Primary-side regulation, Secondary-side adapter priority, Spread-spectrum frequency dithering, Thermal shutdown
Operating temperature range (°C)-40 to 125
RatingCatalog
VSON (RJJ)2324 mm² 6 x 4
产品购买
  • 商品型号
  • 封装
  • 工作温度
  • 包装
  • 价格
  • 现货库存
  • 操作
10s
温馨提示:
订单商品问题请移至我的售后服务提交售后申请,其他需投诉问题可移至我的投诉提交,我们将在第一时间给您答复
返回顶部