h1_key

TI(德州仪器) TPS54540B
德州仪器 (TI) 全系列产品在线购买
  • TI(德州仪器) TPS54540B
  • TI(德州仪器) TPS54540B
  • TI(德州仪器) TPS54540B
  • TI(德州仪器) TPS54540B
  • TI(德州仪器) TPS54540B
  • TI(德州仪器) TPS54540B
立即查看
您当前的位置: 首页 > 电源管理 > 直流/直流开关稳压器 > 降压稳压器 > TPS54540B
TPS54540B

TPS54540B

正在供货

具有 Eco-Mode™ 的 4.5V 至 42V 输入、5-A 降压转换器

产品详情
  • 说明
  • 特性
  • 参数
  • 封装 | 引脚 | 尺寸

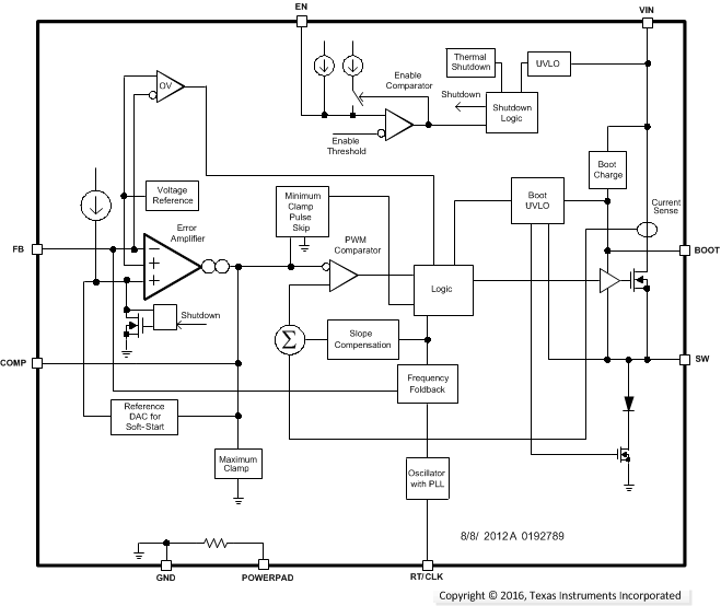
TPS54540B 是一款具有集成型高侧 MOSFET 的 42V、5A 降压稳压器。电流模式控制提供了简单的外部补偿和灵活的组件选择。低纹波脉冲跳跃模式可将无负载电源电流降至 146µA。当 EN(使能)引脚被拉至低电平时,关断电源电流降低至 2µA。

欠压闭锁在内部设定为 4.3V,但可用 EN(使能)引脚将之提高。输出电压启动斜坡可在内部控制,以实现启动过程可控并消除过冲。

宽开关频率范围可实现对效率或者外部组件尺寸的优化。输出电流是受限的逐周期电流。频率折返和热关断在过载条件下保护内部和外部组件。

TPS54540B 采用 8 引脚热增强型 HSOIC PowerPAD 封装。

  • 在轻负载条件下借助脉冲跳跃实现高效率 Eco-mode™
  • 92mΩ 高侧金属氧化物半导体场效应晶体管 (MOSFET)
  • 146µA 工作静态电流和
    2µA 关断电流
  • 100kHz 至 2.5MHz 的固定开关频率
  • 与外部时钟同步
  • 轻负载条件下使用集成型 BOOT 再充电 FET 实现低压降
  • 可调欠压闭锁 (UVLO) 和迟滞
  • 0.8V 1% 内部电压基准
  • 8 引脚 HSOIC PowerPAD™封装
  • -40°C 至 150°C TJ 工作范围
  • 利用 TPS54540B 并借助 WEBENCH® 电源设计器创建定制设计方案
Vin (min) (V)4.5
Vin (max) (V)42
Vout (min) (V)0.8
Vout (max) (V)41.1
Iout (max) (A)5
Iq (typ) (mA)0.146
Switching frequency (min) (kHz)100
Switching frequency (max) (kHz)2500
FeaturesEnable, Frequency synchronization, Light Load Efficiency, Over Current Protection, Pre-Bias Start-Up, Soft Start Fixed, Wettable flanks package
Operating temperature range (°C)-40 to 150
RatingCatalog
Regulated outputs (#)1
Control modecurrent mode
Duty cycle (max) (%)98
TypeConverter
HSOIC (DDA)829.4 mm² 4.9 x 6
产品购买
  • 商品型号
  • 封装
  • 工作温度
  • 包装
  • 价格
  • 现货库存
  • 操作
10s
温馨提示:
订单商品问题请移至我的售后服务提交售后申请,其他需投诉问题可移至我的投诉提交,我们将在第一时间给您答复
返回顶部