h1_key

TI(德州仪器) TPS563240
德州仪器 (TI) 全系列产品在线购买
  • TI(德州仪器) TPS563240
  • TI(德州仪器) TPS563240
  • TI(德州仪器) TPS563240
  • TI(德州仪器) TPS563240
  • TI(德州仪器) TPS563240
  • TI(德州仪器) TPS563240
立即查看
您当前的位置: 首页 > 电源管理 > 直流/直流开关稳压器 > 降压稳压器 > TPS563240
TPS563240

TPS563240

正在供货

17V、3A、1.4MHz 同步降压稳压器

产品详情
  • 说明
  • 特性
  • 参数
  • 封装 | 引脚 | 尺寸

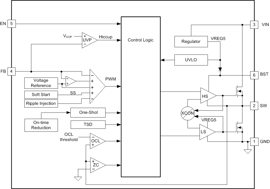
TPS563240 是一款采用 SOT-23 封装的简单易用型 3A 同步降压稳压器。峰值瞬态输出电流可达 3.5A。

这些器件经过优化,最大限度减少了运行所需的外部组件数量并且可以实现低待机电流。

此开关稳压器采用 D-CAP3 模式控制,能够提供快速瞬态响应,并且在无需外部补偿组件的情况下支持诸如专用聚合物等低等效串联电阻 (ESR) 输出电容以及超低 ESR 陶瓷电容器。

TPS563240 在脉冲跳跃模式下运行,从而在轻载运行期间保持高效率。通过采用 无声 ™(OOA) 模式运行,TPS563240 在轻负载条件下可将 Fsw 保持在 25kHz 以上。TPS563240 采用 6 引脚 1.6mm × 2.9mm SOT (DDC) 封装,额定结温范围为 –40°C 至 125°C。

  • 集成 70mΩ 和 30mΩ FET 且支持 3.5A 瞬态电流的 3A 转换器
  • D-CAP3™模式控制,用于快速瞬态响应
  • 输入电压范围:4.5V 至 17V
  • 输出电压范围:0.6V 至 7V
  • 脉冲跳跃模式,采用 无声 ™(OOA) 模式运行,轻负载运行时 Fs 在 25kHz 以上
  • 1.4MHz 开关频率
  • 低关断电流(低于 10µA)
  • 1% 反馈电压精度 (25°C)
  • 从预偏置输出电压中启动
  • 逐周期过流限制
  • 断续模式过流保护
  • 非锁存欠压保护 (UVP) 和热关断 (TSD) 保护
  • 固定软启动时间:1.7ms
Vin (min) (V)4.5
Vin (max) (V)17
Vout (min) (V)0.6
Vout (max) (V)7
Iout (max) (A)3
Iq (typ) (mA)0.26
Switching frequency (min) (kHz)1400
Switching frequency (max) (kHz)1400
FeaturesLight Load Efficiency, Soft Start Fixed
Operating temperature range (°C)-40 to 125
RatingCatalog
Regulated outputs (#)1
Control modeD-CAP3
Duty cycle (max) (%)80
TypeConverter
SOT-23-THN (DDC)68.12 mm² 2.9 x 2.8
产品购买
  • 商品型号
  • 封装
  • 工作温度
  • 包装
  • 价格
  • 现货库存
  • 操作
10s
温馨提示:
订单商品问题请移至我的售后服务提交售后申请,其他需投诉问题可移至我的投诉提交,我们将在第一时间给您答复
返回顶部