h1_key

TI(德州仪器) UCC24624
德州仪器 (TI) 全系列产品在线购买
  • TI(德州仪器) UCC24624
  • TI(德州仪器) UCC24624
  • TI(德州仪器) UCC24624
  • TI(德州仪器) UCC24624
  • TI(德州仪器) UCC24624
  • TI(德州仪器) UCC24624
立即查看
您当前的位置: 首页 > 电源管理 > 交流/直流和隔离式直流/直流开关稳压器 > SR 和负载共享控制器 > UCC24624
UCC24624

UCC24624

正在供货

用于 LLC 转换器的高频双通道同步整流器控制器

产品详情
  • 说明
  • 特性
  • 参数
  • 封装 | 引脚 | 尺寸

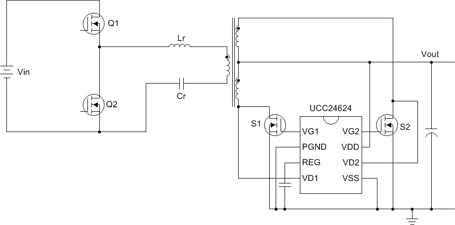
UCC24624 高性能同步整流器 (SR) 控制器专用于 LLC 谐振转换器,以便使用 SR MOSFET 替代有损耗二极管输出整流器并提高整体系统效率。

UCC24624 SR 控制器使用漏源极电压检测方法来实现对 SR MOSFET 的开关控制。实现了比例栅极驱动器,以延长 SR 导通时间并最大限度地缩短体二极管导通时间。为了补偿由 SR MOSFET 寄生电感导致的偏移电压,UCC24624 实现了可调节正向关断阈值,以适应不同的 SR MOSFET 封装。UCC24624 具有内置的 475ns 导通时间消隐和固定的 650ns 关断时间消隐功能,以避免 SR 错误导通和关断。UCC24624 还集成了双通道互锁功能,可防止两个 SR 同时导通。该器件具有 230V 电压检测引脚和 28V 绝对最大 VDD 额定值,可直接用于输出电压高达 24.75V 的转换器。内部钳位允许控制器通过在 VDD 上添加外部电流限制电阻器来轻松支持 36V 输出电压。

空白

  • 230V VD 引脚额定值
  • 23ns 关断延迟,支持 LLC 运行频率高于谐振频率并支持高达 625kHz 的开关频率
  • 比例栅极驱动器,可延长 SR 导通时间
  • 可调节关断阈值,可最大限度地减小体二极管导通时间
  • 具有 180µA 低待机电流的自动待机模式检测
  • 具有内部钳位的 4.25V 至 26V 宽 VDD 工作电压范围
  • 自适应导通延迟,可实现更佳的 DCM 振铃抑制
  • 双通道互锁,可防止击穿
  • 适用于 N 沟道 MOSFET、具有 1.5A 拉电流和 4A 灌电流能力的集成式栅极驱动器
  • 8 引脚 SOIC 封装
TopologyLLC
UVLO thresholds on/off (V)4.5/4
Switching frequency (max) (kHz)700
FeaturesAutomatic Standby Mode, Dual Channel, Proportional gate drive, Synchronous Rectifier
Operating temperature range (°C)-40 to 125
Vin (max) (V)26
Control modeVDS sensing
Device typeControllers
RatingCatalog
SOIC (D)829.4 mm² 4.9 x 6
产品购买
  • 商品型号
  • 封装
  • 工作温度
  • 包装
  • 价格
  • 现货库存
  • 操作
10s
温馨提示:
订单商品问题请移至我的售后服务提交售后申请,其他需投诉问题可移至我的投诉提交,我们将在第一时间给您答复
返回顶部