h1_key

TI(德州仪器) LM5146-Q1
德州仪器 (TI) 全系列产品在线购买
  • TI(德州仪器) LM5146-Q1
  • TI(德州仪器) LM5146-Q1
  • TI(德州仪器) LM5146-Q1
  • TI(德州仪器) LM5146-Q1
  • TI(德州仪器) LM5146-Q1
  • TI(德州仪器) LM5146-Q1
立即查看
您当前的位置: 首页 > 电源管理 > 直流/直流开关稳压器 > 降压稳压器 > LM5146-Q1
LM5146-Q1

LM5146-Q1

正在供货

具有宽占空比范围的汽车类 100V 同步降压直流/直流控制器

产品详情
  • 说明
  • 特性
  • 参数
  • 封装 | 引脚 | 尺寸

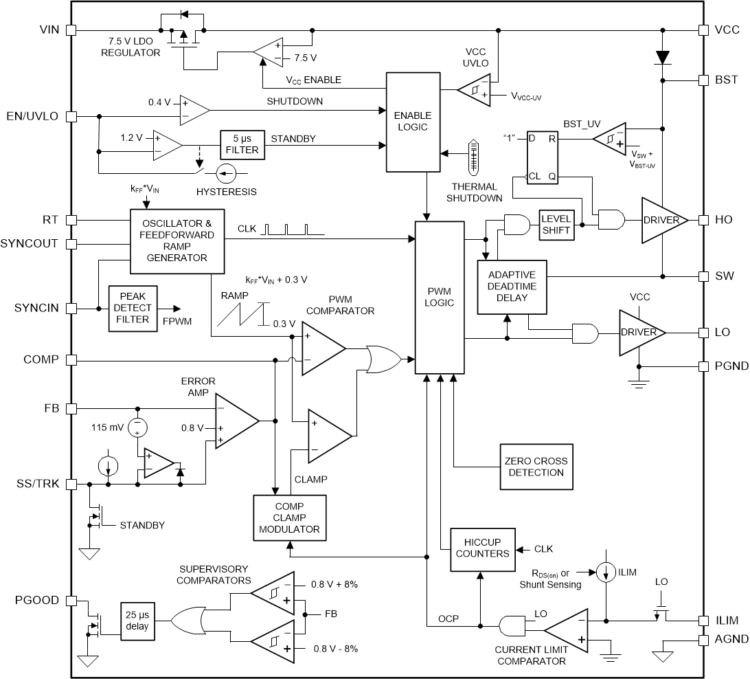
LM5146-Q1 100V 同步降压控制器旨在对高输入电压源或会发生高电压瞬变的输入电源轨进行电压调节,从而尽可能地减少对外部浪涌抑制组件的需求。40ns 的高侧开关超短导通时间有助于获得较大的降压比,支持从 48V 标称输入到低电压轨的直接降压转换,从而降低系统的复杂性并减少解决方案成本。 LM5146-Q1 在输入电压突降至 5.5V 时,仍能根据需要以接近 100% 的占空比继续工作,因此非常适用于高性能 48V 电池汽车应用、ADAS(环视 ECU)和 HEV/EV 系统。

强制 PWM (FPWM) 模式运行可以消除开关频率变化从而尽可能地降低 EMI,而用户可选的二极管仿真功能则可以降低轻负载条件下的电流消耗。高达 1MHz 的可调开关频率可同步至外部时钟源,从而消除噪声敏感应用中的拍频

  • 符合面向汽车应用的 AEC-Q100 标准:
    • 器件温度等级 1:–40°C 至 +125°C 的环境温度范围
  • 提供功能安全型
    • 可帮助进行功能安全系统设计的文档
  • 多功能同步降压直流/直流控制器
    • 5.5V 至 100V 的宽输入电压范围
    • 150°C 最大结温
    • 具有 ±1% 反馈精度的 0.8V 基准
    • 可调输出电压范围为 0.8V 至 60V
    • 40ns tON(min),可实现高 VIN/VOUT
    • 140ns tOFF(min),可实现低压降
    • 无损 RDS(on) 或分流电流感应
    • 针对 CISPR 25 5 级要求进行了优化
  • 开关频率范围为 100kHz 至 1MHz
    • 同步输入和同步输出功能
    • 可选二极管仿真或 FPWM
  • 适用于标准 VTH MOSFET 的 7.5V 栅极驱动器
    • 14ns 自适应死区时间控制
    • 2.3A 拉电流和 3.5A 灌电流能力
  • 固有保护特性,可实现稳健设计
    • 可调节输出电压软启动
    • 断续模式过流保护
    • 具有迟滞功能的输入 UVLO
    • VCC 和栅极驱动 UVLO 保护
    • 精密使能输入和漏极开路 PGOOD 指示器(用于时序和控制)
    • 具有迟滞功能的热关断保护
  • 具有可湿性侧面的 20 引脚 VQFN 封装
  • 使用 LM5146-Q1 并借助 WEBENCH Power Designer 创建定制设计方案
Vin (min) (V)5.5
Vin (max) (V)100
Vout (min) (V)0.8
Vout (max) (V)60
Iout (max) (A)30
Iq (typ) (mA)1.75
Switching frequency (min) (kHz)100
Switching frequency (max) (kHz)1000
FeaturesAdjustable current limit, Enable, Frequency synchronization, Light Load Efficiency, Power good, Pre-Bias Start-Up, Synchronous Rectification, Tracking, UVLO adjustable
Operating temperature range (°C)-40 to 150
Regulated outputs (#)1
TI functional safety categoryFunctional Safety-Capable
Number of phases1
RatingAutomotive
Control modeVoltage mode
TypeController
VQFN (RGY)2015.75 mm² 4.5 x 3.5
产品购买
  • 商品型号
  • 封装
  • 工作温度
  • 包装
  • 价格
  • 现货库存
  • 操作
10s
温馨提示:
订单商品问题请移至我的售后服务提交售后申请,其他需投诉问题可移至我的投诉提交,我们将在第一时间给您答复
返回顶部