h1_key

TI(德州仪器) BQ25120F3A
德州仪器 (TI) 全系列产品在线购买
  • TI(德州仪器) BQ25120F3A
  • TI(德州仪器) BQ25120F3A
  • TI(德州仪器) BQ25120F3A
  • TI(德州仪器) BQ25120F3A
  • TI(德州仪器) BQ25120F3A
  • TI(德州仪器) BQ25120F3A
立即查看
您当前的位置: 首页 > 电源管理 > 电池管理 IC > 电池充电器 IC > BQ25120F3A
BQ25120F3A

BQ25120F3A

正在供货

700nA 低 IQ 高度集成式电池充电管理解决方案

产品详情
  • 说明
  • 特性
  • 参数
  • 封装 | 引脚 | 尺寸

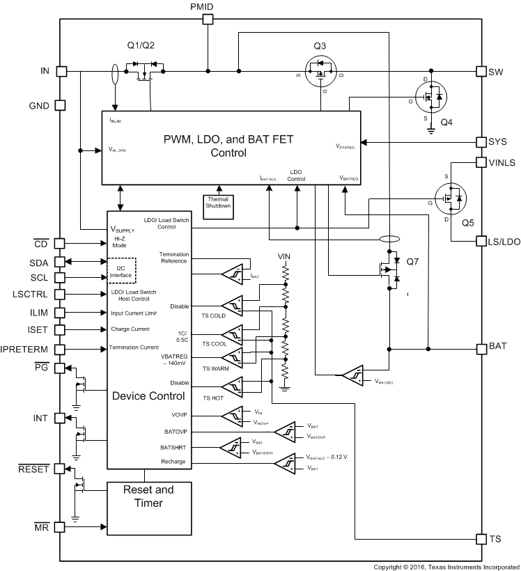
The BQ25120F3A is a highly integrated battery charge management IC that integrates the most common functions for wearable devices: Linear charger, regulated output, load switch, manual reset with timer, and battery voltage monitor. The integrated buck converter is a high efficiency, low IQ switcher using DCS-Control™ that extends light load efficiency down to 10-µA load currents. The low quiescent current during operation and shutdown enables maximum battery life. The device supports charge currents from 5 mA to 300 mA.

The battery is charged using a standard Li-Ion charge profile with three phases: precharge, constant current and constant voltage. A voltage-based battery pack thermistor monitoring input (TS) is included that monitors battery temperature and automatically changes charge parameters to prevent the battery from charging outside of its safe temperature range. The charger is optimized for 5-V USB input, with 20-V tolerance to withstand line transients. The buck converter is run from the input or battery. When in battery only mode, the device can run from a battery up to 4.65 V.

A configurable load switch allows system optimization by disconnecting infrequently used devices. The manual reset with timer allows multiple different configuration options for wake are reset optimization. A simple voltage based monitor provides battery level information to the host in 2% increments from 60% to 100% of the programmed V(BATREG).

  • Increases system operation time between charges
    • Configurable 300-mA buck regulator (1.8-V default)
    • 700-nA (typical) Iq with buck converter enabled (no load)
    • Configurable load switch or 100-mA LDO output ( LDO by default. VLDO 1.8-V)
    • Up to 300-mA charge current for fast charging. I2C programmable up to 200 mA, external resistor setting for 200 mA to 300 mA.
    • 0.5% Accurate battery voltage regulation (configurable from 3.6 V to 4.65 V in 10-mV steps) 4.35-V default
    • Configurable termination current down to 500 µA
    • Simple voltage based battery monitor
    • Watchdog timer disabled
    • TS WARM fault disabled (no reduction in battery regulation voltage)
  • Highly integrated solution with small footprint
    • 2.5-mm x 2.5-mm WCSP Package and six external components for minimal solution
    • Push-button wake-up and reset with adjustable timers
    • Power path management for powering the system and charging the battery
    • Power path management enables < 50 nA Ship Mode battery quiescent current for longest shelf life
    • Battery charger operates from 3.4 V – 5.5 VIN (5.5-V OVP / 20-V tolerant)
    • Dedicated pins for input current limit, charge current, termination current, and status output
  • I2C communication control
    • Charge voltage and current
    • Termination threshold
    • Input current limit
    • VINDPM Threshold
    • Timer options
    • Load switch control
    • System output voltage adjustment
    • LDO output voltage adjustment
Number of series cells1
Charge current (max) (A)0.3
Vin (max) (V)5.5
Cell chemistryLi-Ion/Li-Polymer, Lithium Phosphate/LiFePO4
Battery charge voltage (min) (V)3.6
Battery charge voltage (max) (V)4.65
Absolute max Vin (max) (V)20
Control topologyLinear
Control interfaceI2C
FeaturesBAT temp thermistor monitoring (JEITA profile), IC thermal regulation, Input OVP, Integrated LDO, Integrated buck converter, Power Path, VINDPM (Input voltage threshold to maximize adaptor power)
Vin (min) (V)3.4
RatingCatalog
Operating temperature range (°C)-40 to 85
DSBGA (YFP)256.75999999999999792000000000000016 mm² 2.5999999999999996 x 2.5999999999999996
产品购买
  • 商品型号
  • 封装
  • 工作温度
  • 包装
  • 价格
  • 现货库存
  • 操作
10s
温馨提示:
订单商品问题请移至我的售后服务提交售后申请,其他需投诉问题可移至我的投诉提交,我们将在第一时间给您答复
返回顶部