h1_key

TI(德州仪器) TPS65216
德州仪器 (TI) 全系列产品在线购买
  • TI(德州仪器) TPS65216
  • TI(德州仪器) TPS65216
  • TI(德州仪器) TPS65216
  • TI(德州仪器) TPS65216
  • TI(德州仪器) TPS65216
  • TI(德州仪器) TPS65216
立即查看
您当前的位置: 首页 > 电源管理 > 多通道 IC (PMIC) > TPS65216
TPS65216

TPS65216

正在供货

适用于 ARM® Cortex™-A8/A9 SOC 和 FPGA 的集成电源管理 IC (PMIC)

产品详情
  • 说明
  • 特性
  • 参数
  • 封装 | 引脚 | 尺寸

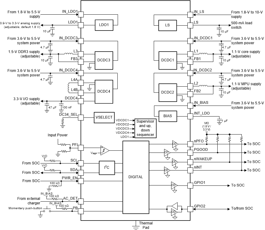
TPS65216 是一款单片电源管理 IC (PMIC),专为支持线路供电 (5V) 应用中的 AMIC110 和 AMIC120 系列处理器 而设计。此器件的额定工作温度范围为 -40°C 至 +105°C,非常适合各种工业 系统的需求。

TPS65216 经过专门设计,以便为 AMIC110 和 AMIC120 处理器的所有功能提供电源管理。直流/直流转换器 DCDC1 至 DCDC4 分别专门为内核、MPU、DDR 内存以及 3.3V 模拟和 I/O 供电。LDO1 为处理器提供 1.8V 模拟电压和 I/O。GPIO2 可实现 DCDC1 和 DCDC2 转换器的热复位利用 I2C 接口,用户可以启用和禁用所有电压稳压器、负载开关 和 GPIO。此外,可以通过 I2C 对 UVLO 和监控器电压阈值、加电序列和断电序列进行编程。也可监控因过热、过流和欠压引起的中断。该监控器可监测 DCDC1 到 DCDC4 以及 LDO1。监控器具有两种设置,一种针对典型的欠压容差 (STRICT = 0b),一种针对很小的欠压和过压容差 (STRICT = 1b)。电源正常信号指示五个电压稳压器正常调节。

三个迟滞降压转换器专门用于为处理器内核、MPU 和 DDRx 内存供电。每个转换器的默认输出电压均可通过 I2C 接口来调节。DCDC1 和 DCDC2 采用动态电压调节,可在处理器的所有操作点供电。DCDC1 和 DCDC2 还具有可编程的压摆率,有助于保护处理器组件。DCDC3 在处理器处于休眠模式时仍然可得到供电,从而保持向 DDRx 内存供电。

TPS65216 器件采用 48 引脚 VQFN 封装(6mm × 6mm,0.4mm 间距)。

  • 具有集成开关 FET 的 3 个可调节降压转换器(DCDC1、DCDC2、DCDC3):
    • DCDC1:默认电压为 1.1V,电流高达 1.8A
    • DCDC2:默认电压为 1.1V,电流高达 1.8A
    • DCDC3:默认电压为 1.2V,电流高达 1.8A
    • 输入电压范围:3.6V 至 5.5V
    • 可调节输出电压范围:0.85V 至 1.675V(DCDC1 和 DCDC2)
    • 可调节输出电压范围:0.9V 至 3.4V (DCDC3)
    • 轻负载电流状态下进入节能模式
    • 100% 占空比,可实现最低压降
    • 禁用时支持有源输出放电
  • 具有集成开关 FET 的 1 个可调节降压/升压转换器 (DCDC4):
    • DCDC4:默认电压为 3.3V,电流高达 1.6A
    • 输入电压范围:3.6V 至 5.5V
    • 可调节输出电压范围:1.175V 至 3.4V
    • 禁用时支持有源输出放电
  • 可调节通用 LDO (LDO1)
    • LDO1:电流高达 400mA 时,默认值为 1.8V
    • 输入电压范围:1.8V 至 5.5V
    • 可调节输出电压范围:0.9V 至 3.4V
    • 禁用时支持有源输出放电
  • 具有 100mA 或 500mA 可选电流限制的高电压负载开关 (LS)
    • 输入电压范围:1.8V 至 10V
    • 开关阻抗:500mΩ(最大值)
  • 带有内置监控功能的监控器可用于监测:
    • DCDC1,DCDC2 ±4% 容差
    • DCDC3、DCDC4 ±5% 容差
    • LDO1 ±5% 容差
  • 保护、诊断和控制:
    • 欠压锁定 (UVLO)
    • 常开按钮监视器
    • 过热警告和关断
    • I2C 接口(地址 0x24)(请参阅 400kHz 时的 I2C 操作时序要求
Regulated outputs (#)5
ConfigurabilityFactory programmable, Software configurable
Vin (min) (V)1.8
Vin (max) (V)5.5
Iout (max) (A)1.8
FeaturesDynamic voltage scaling, Eco-mode, I2C control, Overcurrent protection, Power good, Power sequencing, Power supply and system monitoring, Thermal shutdown, UVLO adjustable
Step-up DC/DC converter0
Step-down DC/DC converter4
Step-down DC/DC controller0
Step-up DC/DC controller0
LDO1
Iq (typ) (mA)0.22
RatingCatalog
Switching frequency (max) (kHz)2400
Operating temperature range (°C)-40 to 105
Processor supplierTexas Instruments
Processor nameSitara AM335x, Sitara AM43x, Sitara AMIC110, Sitara AMIC120
Shutdown current (ISD) (typ) (µA)5
Switching frequency (typ) (kHz)2400
VQFN (RSL)4836 mm² 6 x 6
产品购买
  • 商品型号
  • 封装
  • 工作温度
  • 包装
  • 价格
  • 现货库存
  • 操作
10s
温馨提示:
订单商品问题请移至我的售后服务提交售后申请,其他需投诉问题可移至我的投诉提交,我们将在第一时间给您答复
返回顶部