h1_key

TI(德州仪器) TPS23880
德州仪器 (TI) 全系列产品在线购买
  • TI(德州仪器) TPS23880
  • TI(德州仪器) TPS23880
  • TI(德州仪器) TPS23880
  • TI(德州仪器) TPS23880
  • TI(德州仪器) TPS23880
  • TI(德州仪器) TPS23880
立即查看
您当前的位置: 首页 > 电源管理 > 以太网供电 (PoE) IC > 电源设备 > TPS23880
TPS23880

TPS23880

正在供货

具有可编程 SRAM 的 4 线对、4 类、8 通道 PoE PSE

产品详情
  • 说明
  • 特性
  • 参数
  • 封装 | 引脚 | 尺寸

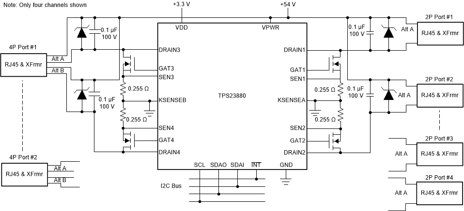
TPS23880 是一款 8 通道电源设备 (PSE) 控制器,旨在按照 IEEE 802.3bt 标准向以太网电缆提供电力。这八个单独的电源通道可以按 2 线对(单通道)或 4 线对(双通道)PoE 端口的任意组合进行配置。 PSE 控制器可以检测具有有效特征的供电设备 (PD),根据其分级确定设备的电源要求并进行供电。

可编程 SRAM 支持通过 I2C 实现现场固件可升级性,从而确保 IEEE 合规性和与支持最新 PoE 器件的互操作性。各端口专用 ADC 可提供持续的端口电流监控和执行并行分级测量的功能,以实现更短的端口开启时间。±3% 精度的可编程端口电源限制提供了将最大功率扩展到 90W 以上且不超过 100W 的功能,同时使系统级电源管理控制更容易实现且稳定可靠。 快速关断 (OSS) 输入可以为要求立即禁用多个端口的 应用 提供多达八个级别的逐端口关断。 255mΩ 电流感应电阻器和外部 FET 架构使设计能够平衡尺寸、效率、散热和解决方案成本要求。 

端口重映射以及与 TPS2388、TPS2380 和 TPS2381 的引脚对引脚兼容性可轻松实现上一代 PSE 设计的迁移,并支持可互换 2 层 PCB 设计以适应不同系统 PoE 电源配置。

  • 适用于 3 型或 4 型以太网供电 应用的 IEEE 802.3bt PSE 解决方案
  • 八个独立的 PSE 通道
  • SRAM 可编程存储器
  • 可编程功率限制精度 ±3%
  • 可选的 2 线对或 4 线对端口功率分配
    • 15.4W、30W、45W、60W、75W 或 90W
  • 单一特征和双特征 PD 兼容性
  • 各端口专用的 14 位积分电流 ADC
    • 固有滤波
    • 用于直流断开的抗噪 MPS
    • 2% 电流感应精度
    • 100ms 滚动端口电流平均
  • 1 位或 3 位快速端口关断输入
  • Auto-class 发现和功率测量
  • 永不受骗 4 点检测
  • 浪涌和操作折返保护
  • 425mA 和 1.25A 可选电流限制
  • 端口重映射
  • 8 位或 16 位 I2C 通信
  • 灵活的处理器控制运行模式
    • 自动、半自动和手动/诊断
  • 各端口电压监控和遥测
  • –40°C 至 +125°C 工作温度
Vin (min) (V)44
Vin (max) (V)57
ILIMProgrammable
PoE standards supported802.3at Type 1 (802.3af), 802.3at Type 2, 802.3bt Type 3, 802.3bt Type 4
FETExternal
MPS methodDC Disconnect
Pair control2-Pair Alt A, 4-Pair
Operating temperature range (°C)-40 to 125
FeaturesAuto Mode, Current Limit with Foldback, Fast shutdown, Multi Level Port Priority, Over Current Reporting, Over Temp Reporting, Port remapping, Programmable PCUT, Programmable Port Power Limiting, SRAM Programmable
Number of PSE ports8
RatingCatalog
VQFN (RTQ)5664 mm² 8 x 8
产品购买
  • 商品型号
  • 封装
  • 工作温度
  • 包装
  • 价格
  • 现货库存
  • 操作
10s
温馨提示:
订单商品问题请移至我的售后服务提交售后申请,其他需投诉问题可移至我的投诉提交,我们将在第一时间给您答复
返回顶部