h1_key

TI(德州仪器) TPS61282D
德州仪器 (TI) 全系列产品在线购买
  • TI(德州仪器) TPS61282D
  • TI(德州仪器) TPS61282D
  • TI(德州仪器) TPS61282D
  • TI(德州仪器) TPS61282D
  • TI(德州仪器) TPS61282D
  • TI(德州仪器) TPS61282D
立即查看
您当前的位置: 首页 > 电源管理 > 直流/直流开关稳压器 > 升压稳压器 > TPS61282D
TPS61282D

TPS61282D

正在供货

具有直通模式的 2.3MHz、4A 同步升压转换器

产品详情
  • 说明
  • 特性
  • 参数
  • 封装 | 引脚 | 尺寸

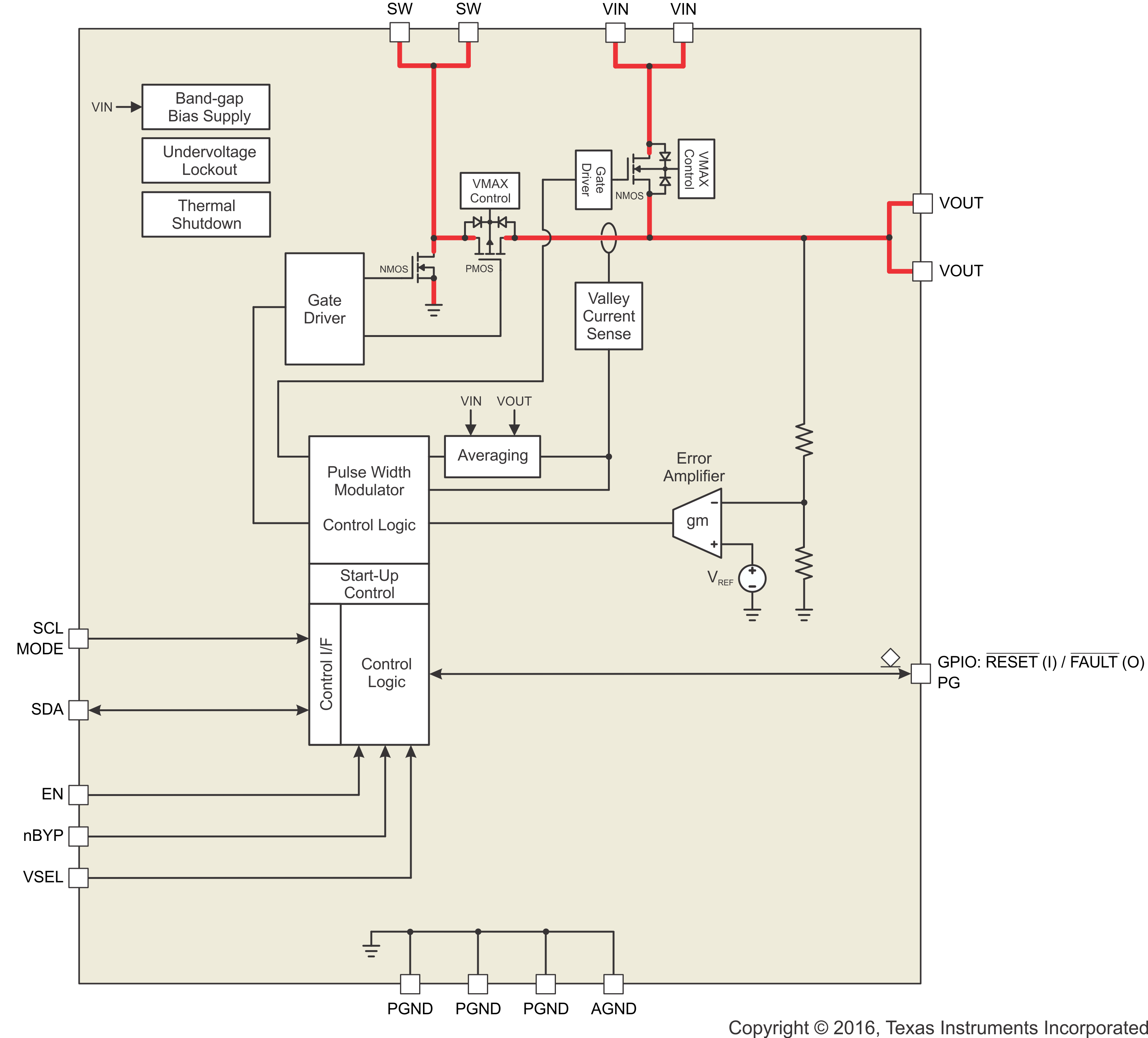
TPS6128xD/E 器件可以为由锂离子、富镍、硅阳极或磷酸铁锂电池供电的产品提供电源解决方案。电压范围针对诸如智能手机或平板电脑内单节电池便携式应用进行了优化。

TPS6128xD/E 可用作高功率预稳压器,延长电池运行时间并克服受电系统的输入电流和电压限制。

在关断情况下,TPS6128xD/E 运行在真正的直通模式下,静态耗电仅为 3µA,可充分延长电池寿命。

运行期间,当电池处于良好的充电状态中时,一个低欧姆、高效集成直通路径将电池连接至受电系统。

如果电池进入较低的充电状态,并且其电压变为低于所需的最小系统电压时,此器件无缝转换至升压模式以利用整个电池容量。

  • 频率为 2.3MHz 时,工作效率达 95%
  • 低 I Q 直通模式下具有 3µA 静态电流
  • 2.3V 至 4.8V 的宽 V IN 范围
  • V OUT = 3.35V 且 V IN ≥ 2.65V 时,I OUT ≥ 4A(峰值)
  • 集成直通模式 (35mΩ)
  • 可编程谷值电感器电流限值和输出电压
  • 关断期间进入真正的直通模式
  • 出色的 线路和负载瞬态
  • 低纹波轻负载 PFM 模式
  • 具有片上 E 2PROM(写保护)的原样定制
  • 两个接口选项:
    • 与 I 2C 兼容的 I/F:高达 3.4Mbps (TPS61280D/E)
    • 简单的 I/O 逻辑控制接口
  • 热关断和过载保护
  • 总解决方案尺寸 < 20mm 2,规格:小于 1mm
TopologyBoost
Vin (min) (V)2.3
Vin (max) (V)4.85
Vout (min) (V)3.15
Vout (max) (V)4.4
Switch current limit (typ) (A)4
TypeConverter
Regulated outputs (#)1
Switching frequency (min) (kHz)2300
Switching frequency (max) (kHz)2300
Iq (typ) (mA)0.015
FeaturesBypass Mode Pass-through Mode, Load Disconnect, Synchronous Rectification
Duty cycle (max) (%)90
Operating temperature range (°C)-40 to 85
RatingCatalog
DSBGA (YFF)163.24 mm² 1.8 x 1.8
产品购买
  • 商品型号
  • 封装
  • 工作温度
  • 包装
  • 价格
  • 现货库存
  • 操作
10s
温馨提示:
订单商品问题请移至我的售后服务提交售后申请,其他需投诉问题可移至我的投诉提交,我们将在第一时间给您答复
返回顶部