h1_key

TI(德州仪器) TPS62424-Q1
德州仪器 (TI) 全系列产品在线购买
  • TI(德州仪器) TPS62424-Q1
  • TI(德州仪器) TPS62424-Q1
  • TI(德州仪器) TPS62424-Q1
  • TI(德州仪器) TPS62424-Q1
  • TI(德州仪器) TPS62424-Q1
  • TI(德州仪器) TPS62424-Q1
立即查看
您当前的位置: 首页 > 电源管理 > 直流/直流开关稳压器 > 降压稳压器 > TPS62424-Q1
TPS62424-Q1

TPS62424-Q1

正在供货

用于 ADAS 摄像头应用的汽车类 2.25MHz 固定输出电压双通道 800mA 降压转换器

产品详情
  • 说明
  • 特性
  • 参数
  • 封装 | 引脚 | 尺寸

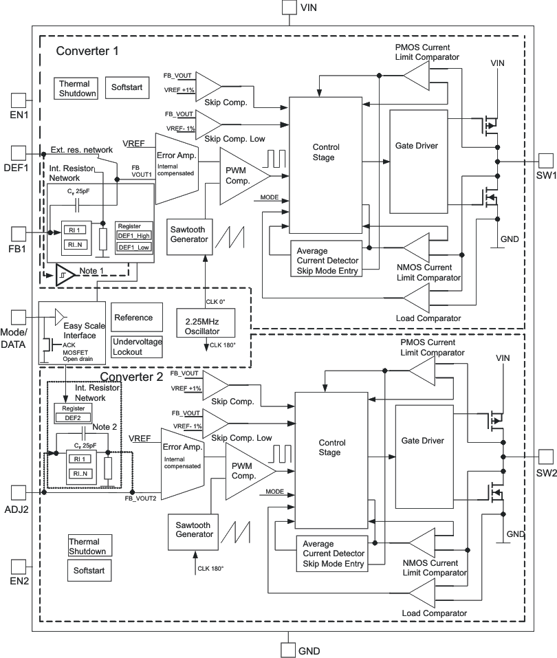
TPS624xx-Q1 器件系列是适用于汽车应用(例如高级驾驶辅助系统 (ADAS))的双路同步降压直流/直流转换器。该系列可提供两组由标准 3.3 V 或 5 V 电压轨供电的独立输出电压轨,以及经过优化的固定输出电压,为 ADAS 摄像头模块中的 CMOS 成像仪或串行器-解串器供电。

EasyScale™ 串行接口支持在运行过程中对输出电压进行修改。固定输出电压版本 TPS624xx-Q1 支持对低功耗处理器进行单引脚控制的简单动态电压调节。

TPS624xx-Q1 器件系列可在 2.25 MHz 固定开关频率下运行,在轻负载电流情况下会进入省电模式,以便在整个负载电流范围内保持高效率。对于低噪声应用,可通过拉高 MODE/DATA 引脚来强制器件进入固定频率 PWM 模式。关断模式可以将电流消耗降低至 1.2 µA 的典型值。此器件允许使用小型电感器和电容器,可实现一个小型解决方案尺寸。

  • 符合汽车应用要求
  • 具有符合 AEC-Q100 标准的下列特性:
    • 器件温度等级 1:–40°C 至 125°C 的工作结温范围
    • 器件 HBM ESD 分类等级 2
    • 器件 CDM ESD 分类等级 C4B
  • 高效率 - 高达 95%
  • VIN 范围为 2.5 V 至 6 V
  • 2.25 MHz 固定频率运行
  • 输出电流 TPS62406-Q1 1000mA/400mA
  • 输出电流 TPS62407-Q1 400mA/600mA
  • 输出电流 TPS62422-Q1 1000mA/600mA
  • 输出电流 TPS62423-Q1 800mA/800mA
  • 输出电流 TPS62424-Q1 800mA/800mA
  • 固定输出电压
  • EasyScale™ 可选单引脚串行接口
  • 轻负载电流状态下进入节能模式
  • 180° 异相运行
  • PWM 模式下的输出电压精度 ±1%
  • 适用于两个转换器的典型 32 µA 静态电流
  • 可实现最低压降的 100% 占空比
Vin (min) (V)2.5
Vin (max) (V)6
Vout (min) (V)1.1
Vout (max) (V)1.3
Iout (max) (A)0.8
Iq (typ) (mA)0.032
Switching frequency (min) (kHz)2000
Switching frequency (max) (kHz)2500
FeaturesAdaptive/Dynamic Voltage Scaling, Enable, Forced PWM, Light load efficiency, Over Current Protection, Synchronous Rectification, UVLO fixed
Operating temperature range (°C)-40 to 125
RatingAutomotive
Regulated outputs (#)2
Control modeVoltage mode
Duty cycle (max) (%)100
TypeConverter
VSON (DRC)109 mm² 3 x 3
产品购买
  • 商品型号
  • 封装
  • 工作温度
  • 包装
  • 价格
  • 现货库存
  • 操作
10s
温馨提示:
订单商品问题请移至我的售后服务提交售后申请,其他需投诉问题可移至我的投诉提交,我们将在第一时间给您答复
返回顶部