h1_key

TI(德州仪器) BQ77915
德州仪器 (TI) 全系列产品在线购买
  • TI(德州仪器) BQ77915
  • TI(德州仪器) BQ77915
  • TI(德州仪器) BQ77915
  • TI(德州仪器) BQ77915
  • TI(德州仪器) BQ77915
  • TI(德州仪器) BQ77915
立即查看
您当前的位置: 首页 > 电源管理 > 电池管理 IC > 电池保护器 > BQ77915
BQ77915

BQ77915

正在供货

具有电池自主平衡功能的 3 节至 5 节串联可堆叠超低功耗初级保护器

产品详情
  • 说明
  • 特性
  • 参数
  • 封装 | 引脚 | 尺寸

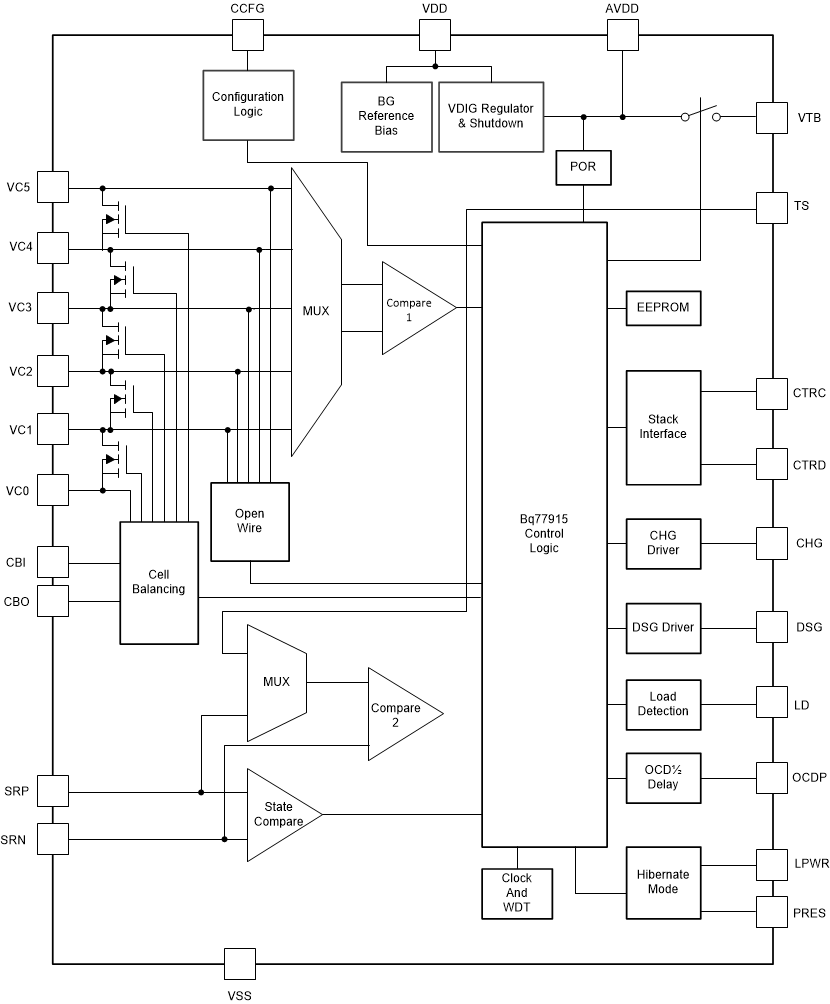
BQ77915 器件是一款低功耗电池组保护器,它实现了一整套的电压、电流和温度保护功能以及智能电池平衡算法,无需微控制器 (MCU) 控制。该器件的可堆叠接口可进行简单扩展,支持从 3 节串联到 20 节或更多节数串联的电池应用。保护阈值和延迟均为出厂编程设定,有多种配置可供选用。针对放电和充电采用单独的过热阈值和欠温阈值(分别为 OTD、UTD 和 OTC、UTC),从而提高了灵活性。

  • 超低静态电流:8 µA 典型值(正常模式),2 µA(休眠模式)
  • 整套电压、电流和温度保护功能
  • 智能电池被动平衡功能可消除电池间的不平衡
  • 可将电池节数从 3 节扩展到 20 节或更多
  • 电压保护(过压精度为 ±10mV,欠压精度为 ±18mV)
    • 过压:3V 至 4.575V
    • 欠压:1.2V 至 3V
  • 开路电池和断线检测 (OW)
  • 电流保护
    • 过流放电 1:-10mV 至 -85mV
    • 过流放电 2:-20mV 至 -170 mV
    • 短路放电:-40mV 至 -340 mV
  • 温度保护
    • 过热充电:45°C 至 50°C
    • 过热放电:65°C 至 70°C
  • 其他特性:
    • 独立充电 (CHG) 和放电 (DSG) FET 驱动器
    • 通过集成式 FET(平衡电流高达 50mA)实现了智能电池平衡算法,此外还支持通过外部 FET 实现更高的电池平衡电流
    • 超低功耗休眠模式
    • 每节电池输入的绝对最大额定电压高达 36V
    • 过流 (OCD1/2) 延迟可通过电阻器进行编程
  • 关断模式:0.5 µA(最大值)
  • 提供功能安全
    • 有助于进行功能安全系统设计的文档
FunctionProtection
Number of series cells (min)3, 4, 5
Number of series cells (max)4, 5
FeaturesCell balancing, FET drive, Open wire (OW), Over-temperature (OT), Overcurrent during charge (OCC), Overcurrent during discharge (OCD), Overvoltage, Short-circuit Discharge (SCD), Stackable, Under-temperature (UT), Undervoltage
Operating current (typ) (µA)8
RatingCatalog
Vin (max) (V)25
TI functional safety categoryFunctional Safety-Capable
Overvoltage protection3.8, 4.2, 4.25, 4.275, 4.3
Operating temperature range (°C)-40 to 85
Battery overvoltage protection (min) (V)3
Battery overvoltage protection (max) (V)4.575
TSSOP (PW)2449.92 mm² 7.8 x 6.4
— (—)See data sheet
产品购买
  • 商品型号
  • 封装
  • 工作温度
  • 包装
  • 价格
  • 现货库存
  • 操作
10s
温馨提示:
订单商品问题请移至我的售后服务提交售后申请,其他需投诉问题可移至我的投诉提交,我们将在第一时间给您答复
返回顶部