h1_key

TI(德州仪器) BQ25601D
德州仪器 (TI) 全系列产品在线购买
  • TI(德州仪器) BQ25601D
  • TI(德州仪器) BQ25601D
  • TI(德州仪器) BQ25601D
  • TI(德州仪器) BQ25601D
  • TI(德州仪器) BQ25601D
  • TI(德州仪器) BQ25601D
立即查看
您当前的位置: 首页 > 电源管理 > 电池管理 IC > 电池充电器 IC > BQ25601D
BQ25601D

BQ25601D

正在供货

具有电源路径、USB 检测和 OTG 的 I2C 单节 3A 降压电池充电器

产品详情
  • 说明
  • 特性
  • 参数
  • 封装 | 引脚 | 尺寸

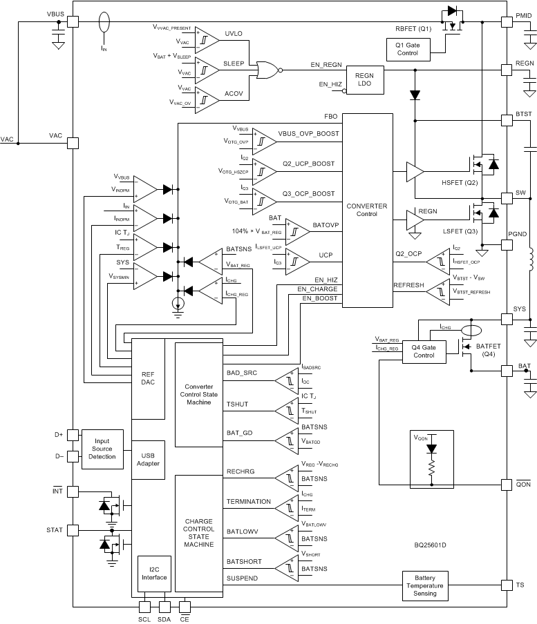
BQ25601D 器件 是一款适用于单节锂离子和锂聚合物电池的高度集成型 3A 开关模式电池充电管理和系统电源路径管理器件。低阻抗电源路径对开关模式运行效率进行了优化、缩短了电池充电时间并延长了放电阶段的电池使用寿命。 具有充电和系统设置的 I2C 串行接口使得此器件成为一种真正灵活的解决方案。

BQ25601D 是一款适用于单节锂离子和锂聚合物电池的高度集成型 3.0A 开关模式电池充电管理和系统电源路径管理器件,可以为各类 智能手机、平板电脑和便携式设备提供快速充电功能并支持高输入电压。其低阻抗电源路径对开关模式运行效率进行了优化、缩短了电池充电时间并延长了放电阶段的电池使用寿命。其输入电压和电流调节可以为电池提供最大的充电功率。该解决方案在系统和电池之间高度集成输入反向阻断 FET(RBFET,Q1)、高侧开关 FET(HSFET,Q2)、低侧开关 FET(LSFET,Q3)以及电池 FET(BATFET、Q4)。它还集成了自举二极管以进行高侧栅极驱动,从而简化系统设计。 具有充电和系统设置的 I2C 串行接口使得此器件成为一种真正灵活的解决方案。

该器件支持多种输入源,包括标准 USB 主机端口、USB 充电端口以及兼容 USB 的高电压适配器。 该器件根据内置 USB 接口设置默认输入电流限值。 为了设置默认输入电流限值,器件使用内置 USB 接口或者从系统检测电路(如 USB PHY 器件)中获取结果。该器件符合 USB 2.0 和 USB 3.0 电源规范,具有输入电流和电压调节功能。该器件还具有高达 1.2A 的恒定电流限制能力,能够为 VBUS 提供 5.15V 的电压,符合 USB On-the-Go (OTG) 运行功率额定值规范。

电源路径管理将系统电压调节至稍高于电池电压的水平,但是不会下降至 3.5V 最小系统电压 (可编程)以下。借助于这个特性,即使在电池电量完全耗尽或者电池被拆除时,系统也能保持运行。当达到输入电流限值或电压限值时,电源路径管理技术自动将充电电流减少至 0。随着系统负载持续增加,电源路径将使电池放电,直到满足系统电源需求。该补充模式可防止输入源过载。

此器件在无需软件控制情况下启动并完成一个充电周期。它感应电池电压并通过三个阶段为电池充电:预充电、恒定电流和恒定电压。在充电周期的末尾,当充电电流低于预设限值并且电池电压高于再充电阈值时,充电器自动终止。如果已完全充电的电池降至再充电阈值以下,则充电器自动启动另一个充电周期。

此充电器提供针对电池充电和系统运行的多种安全特性,其中包括电池负温度系数热敏电阻监视、充电安全性计时器以及过压和过流保护。当结温超过 110°C (可编程)时,热调节会使充电电流减小。STAT 输出报告充电状态和任何故障状况。其他安全特性包括针对充电和升压模式的电池温度感应、热调节和热关断以及输入 UVLO 和过压保护。 VBUS_GD 位指示电源是否正常。当发生故障时,INT 输出会立即通知主机。

该器件还提供用于 BATFET 使能和复位控制的 QON 引脚,以退出低功耗运输模式或完全系统复位功能。

该器件采用 24 引脚 4mm × 4mm x 0.75mm 薄型 WQFN 封装。

  • 高效 1.5MHz 同步开关模式降压充电器
    • 在 2A 电流(5V 输入)下具有 92% 的充电效率
    • 针对 USB 电压输入 (5V) 进行了优化
    • 用于轻负载运行的可选低功耗脉冲频率调制 (PFM) 模式
  • 支持 USB On-The-Go (OTG)
    • 具有高达 1.2A 输出的升压转换器
    • 在 1A 输出下具有 92% 的升压效率
    • 精确的恒定电流 (CC) 限制
    • 高达 500µF 容性负载的软启动
    • 输出短路保护
    • 用于轻负载运行的可选低功耗 PFM 模式
  • 单个输入,支持 USB 输入和高电压适配器
    • 支持 3.9V 至 13.5V 输入电压范围,绝对最大输入电压额定值为 22V
    • 可编程输入电流限制(100mA 至 3.2A,分辨率为 100mA),支持 USB 2.0、USB 3.0 标准和高电压适配器 (IINDPM)
    • 通过高达 5.4V 的输入电压限制 (VINDPM) 进行最大功率跟踪
    • VINDPM 阈值自动跟踪电池电压
    • 自动检测 USB BC1.2、SDP、CDP、DCP 以及非标准适配器
  • 高电池放电效率,电池放电 MOSFET 为 19.5mΩ
  • 窄 VDC (NVDC) 电源路径管理
    • 无需电池或深度放电的电池即可瞬时启动
    • 电池充电模式下实现理想的二极管运行
  • BATFET 控制,支持运输模式、唤醒和完全系统复位
  • 灵活的自主和 I2C 模式,可实现出色的系统性能
  • 高集成度包括所有 MOSFET、电流感测和环路补偿
  • 17µA 低电池泄漏电流
  • 高精度
    • ±0.5% 充电电压调节
    • ±5% 1.5A 充电电流调节
    • ±10% 0.9A 输入电流调节
  • 安全相关认证:
    • TUV IEC 62368 认证
Number of series cells1
Charge current (max) (A)3
Vin (max) (V)13.5
Cell chemistryLi-Ion/Li-Polymer
Battery charge voltage (min) (V)3.85
Battery charge voltage (max) (V)4.62
Absolute max Vin (max) (V)20
Control topologySwitch-Mode Buck
Control interfaceI2C
FeaturesBAT temp thermistor monitoring (JEITA profile), IC thermal regulation, Input OVP, Power Path, USB D+/D-/BC1.2 integrated, USB OTG integrated, VINDPM (Input voltage threshold to maximize adaptor power)
Vin (min) (V)3.9
RatingCatalog
Operating temperature range (°C)-40 to 85
WQFN (RTW)2416 mm² 4 x 4
产品购买
  • 商品型号
  • 封装
  • 工作温度
  • 包装
  • 价格
  • 现货库存
  • 操作
10s
温馨提示:
订单商品问题请移至我的售后服务提交售后申请,其他需投诉问题可移至我的投诉提交,我们将在第一时间给您答复
返回顶部