h1_key

TI(德州仪器) TPS3431-Q1
德州仪器 (TI) 全系列产品在线购买
  • TI(德州仪器) TPS3431-Q1
  • TI(德州仪器) TPS3431-Q1
  • TI(德州仪器) TPS3431-Q1
  • TI(德州仪器) TPS3431-Q1
  • TI(德州仪器) TPS3431-Q1
  • TI(德州仪器) TPS3431-Q1
立即查看
您当前的位置: 首页 > 电源管理 > 监控器和复位 IC > TPS3431-Q1
TPS3431-Q1

TPS3431-Q1

正在供货

具有使能功能的汽车类标准可编程看门狗计时器

产品详情
  • 说明
  • 特性
  • 参数
  • 封装 | 引脚 | 尺寸

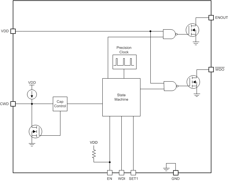
TPS3431-Q1 是一款具有使能功能的标准 汽车类可编程看门狗计时器,适用于 汽车应用。看门狗超时可在 –40°C 至 +125°C 温度范围内实现 15% 的高计时精度,在 25°C 下实现 2.5% 的典型计时精度,并且可通过外部电容器或工厂编程的默认延迟设置进行编程。在开发过程中,可以通过 Enable 引脚或 SET 逻辑引脚将看门狗禁用,从而避免出现不必要的看门狗超时。

TPS3431-Q1 采用小型 3.00mm × 3.00mm 8 引脚 VSON 封装。 TPS3431-Q1 具有可湿性侧面,可轻松进行光学检查。

  • 符合面向汽车应用的 AEC-Q100 标准:
    • 器件温度等级 1:–40°C 至 +125°C 的工作环境温度范围
  • 提供功能安全
    • 可帮助进行功能安全系统设计的文档
  • 出厂编程的精密看门狗计时器:
    • 可在 25°C 条件下实现 ±2.5%(典型值)的看门狗超时 (WDT) 精度
  • 看门狗禁用功能
  • 用户可编程看门狗超时
  • 输入电压范围:VDD = 1.8V 至 6.5V
  • 低静态电流:IDD = 10µA(典型值)
  • 低电平有效的开漏输出
  • 使能输入 (EN) 和使能输出 (ENOUT)
  • 采用小型 3mm × 3mm 8 引脚 VSON 封装
  • 工作结温范围: –40°C 至 +125°C
FeaturesTimeout watchdog, Watchdog disable, Watchdog timer
Reset threshold accuracy (%)0
Iq (typ) (mA)0.01
Output driver type/reset outputActive-low, Open-drain
Time delay (ms)200
Supply voltage (min) (V)1.8
Supply voltage (max) (V)6.5
TI functional safety categoryFunctional Safety-Capable
RatingAutomotive
Watchdog timer WDI (s)0.2, Programmable
Operating temperature range (°C)-40 to 125
VSON (DRB)89 mm² 3 x 3
产品购买
  • 商品型号
  • 封装
  • 工作温度
  • 包装
  • 价格
  • 现货库存
  • 操作
10s
温馨提示:
订单商品问题请移至我的售后服务提交售后申请,其他需投诉问题可移至我的投诉提交,我们将在第一时间给您答复
返回顶部