h1_key

TI(德州仪器) TPS650861
德州仪器 (TI) 全系列产品在线购买
  • TI(德州仪器) TPS650861
  • TI(德州仪器) TPS650861
  • TI(德州仪器) TPS650861
  • TI(德州仪器) TPS650861
  • TI(德州仪器) TPS650861
  • TI(德州仪器) TPS650861
立即查看
您当前的位置: 首页 > 电源管理 > 多通道 IC (PMIC) > TPS650861
TPS650861

TPS650861

正在供货

具有 3 个转换器、3 个控制器、4 个 LDO 和 3 个负载开关的用户可编程电源管理 IC (PMIC)

产品详情
  • 说明
  • 特性
  • 参数
  • 封装 | 引脚 | 尺寸

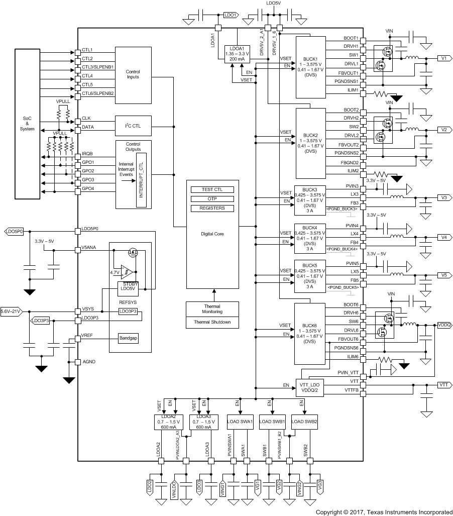
TPS650861 器件系列是一款单芯片电源管理 IC (PMIC),按照设计,其经编程可实现最佳的输出电压和电源定序。TPS650861 具有三个控制器,可提供最高 30A 电流的灵活供电能力,采用可满足大功率设计需求的大型外部 FET,但该 FET 的使用可降低尺寸和成本,获得更小巧的设计。通过将三个 3A 转换器、三个通用 LDO、一个适用于 DDR 的终端 LDO 以及三个负载开关相结合,TPS650861 可为多种 应用提供系统电源。该 D-CAP2™和DCS-Control 高频稳压器采用小型无源器件,以减小解决方案尺寸。D-CAP2 和 DCS-Control 拓扑具有出色的瞬态响应性能,非常适用于具有快速负载开关的处理器内核和系统内存电压轨。该器件具有两组一次性可编程 (OTP) 内存。如需大量采购,请联系当地的 TI 销售代表,以确定是否能够使用 TI 制造的产品进行 OTP 定制。第三方经销商也支持为 TPS650861 编程。

  • 两组用于为默认电压和序列进行编程的一次性可编程内存
  • 5.6V 至 21V 的宽输入电压范围
  • 三个采用 D-CAP2™ 拓扑的可变输出电压同步降压控制器
    • 使用外部 FET 的可扩展输出电流,支持可选电流限制
    • 在 0.41V 至 1.67V 之间以
      10mV 为步长、在 1V 至 3.575V 之间以 25mV 为步长或固定 5V 输出的 I2C DVS 控制
  • 三个采用 DCS-Control 拓扑的可变输出电压同步降压转换器
    • 输入电压范围为 3V 至 5.5 V
    • 输出电流高达 3A
    • 在 0.425V 至 3.575V在 25mV 为步长的 I2C 控制
  • 三个具有可调节输出电压的 LDO 稳压器
    • LDOA1:I2C 可选输出电压为 1.35V 至 3.3V,输出电流最高 200mA
    • LDOA2 和 LDOA3:I2C 可选输出为 0.7V 至 1.5V,各输出电流均为最高 600mA
  • 用于 DDR 存储器终端的 VTT LDO
  • 三个具有压摆率控制功能的负载开关
    • 输出电流高达 300mA,压降小于标称输入电压的 1.5%
    • 输入电压为 1.8V 时,RDSON < 96mΩ
  • 5V 固定输出电压 LDO (LDO5)
    • 用于 SMPS 的栅极驱动器和 LDOA1 的电源
    • 可自动切换至外部 5V 降压以实现更高效率
  • 内置可通过 OTP 编程功能实现的灵活性和可配置性
    • 六个 GPI 引脚均可配置为启用(CTL1 至 CTL6)任意所选电压轨或使其进入睡眠模式(CTL3 和 CTL6)
    • 四个 GPO 引脚均可配置为指示任意所选轨道的电源正常
    • 漏极开路中断输出引脚
  • I2C 接口支持标准模式 (100kHz)、快速模式 (400kHz) 和超快速模式 (1MHz)
Regulated outputs (#)13
ConfigurabilitySoftware configurable, User programmable
Vin (min) (V)5.6
Vin (max) (V)21
Iout (max) (A)25
FeaturesComm control, Dynamic voltage scaling, Enable, Enable pin, I2C control, Overcurrent protection, Power good, Power sequencing, Synchronous rectification, Thermal shutdown, UVLO fixed
Step-up DC/DC converter0
Step-down DC/DC converter3
Step-down DC/DC controller3
Step-up DC/DC controller0
LDO4
Iq (typ) (mA)0.3
RatingCatalog
Switching frequency (max) (kHz)3100
Operating temperature range (°C)-40 to 85
Processor supplierGeneric
Processor nameGeneric
Shutdown current (ISD) (typ) (µA)65
Switching frequency (typ) (kHz)2500
VQFN (RSK)6464 mm² 8 x 8
产品购买
  • 商品型号
  • 封装
  • 工作温度
  • 包装
  • 价格
  • 现货库存
  • 操作
10s
温馨提示:
订单商品问题请移至我的售后服务提交售后申请,其他需投诉问题可移至我的投诉提交,我们将在第一时间给您答复
返回顶部