h1_key

TI(德州仪器) BQ25713
德州仪器 (TI) 全系列产品在线购买
  • TI(德州仪器) BQ25713
  • TI(德州仪器) BQ25713
  • TI(德州仪器) BQ25713
  • TI(德州仪器) BQ25713
  • TI(德州仪器) BQ25713
  • TI(德州仪器) BQ25713
立即查看
您当前的位置: 首页 > 电源管理 > 电池管理 IC > 电池充电器 IC > BQ25713
BQ25713

BQ25713

正在供货

具有 USB type C PD 支持的 I2C 1 至 4 节 NVDC 降压/升压电池充电控制器

产品详情
  • 说明
  • 特性
  • 参数
  • 封装 | 引脚 | 尺寸

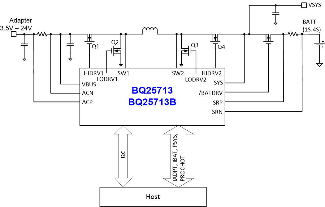
此器件是一款同步 NVDC 降压/升压电池充电控制器,可为空间受限的 1-4 芯串联电池充电应用提供元件数很少的高效解决方案。

通过 NVDC 配置,可将系统电压稳定在电池电压水平,但无法将其降至低于系统最低电压。即便在电池完全放电或被取出时,系统也仍会继续工作。当负载功率超过输入源额定值时,电池会进入补电模式并防止系统崩溃。

BQ25713/BQ25713B 可通过包括 USB 适配器、高电压 USB PD 源和传统适配器在内的各种输入源为电池充电。

在加电期间,充电器基于输入源和电池状况,将转换器设置为降压、升压或降压/升压配置。充电器自动在降压、升压、降压/升压配置间转换,无需主机控制。

在无输入源的情况下, BQ25713/BQ25713B 可支持适用于 1 到 4 芯电池的 USB On-the-Go (OTG) 功能,从而在 VBUS 上生成具有 8mV 分辨率的 3V 至 20.8V 可调电压。OTG 输出电压压摆率是可配置的,这符合 USB PD 3.0 PPS 规范。

当仅通过电池为系统供电 且 USB OTG 端口未连接任何外部负载时, BQ25713/BQ25713B 支持 Vmin 有源保护 (VAP) 特性,借助该特性,该器件会从电池给 VBUS 电压充电,从而将部分能量存储在输入解耦电容器中。在系统峰值功率尖峰期间,大量电流从电池流出,导致从电池到系统的阻抗上出现较大压降。存储在输入电容器中的能量会为系统补电,从而防止系统电压下降到最低系统电压之下进而导致系统崩溃。该 Vmin 主动保护 (VAP) 特性旨在在 SOC 高功率需求期间吸收系统功率峰值,Intel 强烈建议为具有 1 至 2 节电池的平台配备此特性。

BQ25713/BQ25713B 可监控适配器电流、电池电流和系统功率。灵活编程的 PROCHOT 输出直达 CPU,可根据需要降低其频率。

  • 与 BQ25703A 引脚对引脚和软件兼容
  • 从各种输入源为 1 至 4 节电池充电
    • 3.5V 至 24V 输入工作电压
    • 支持 USB 2.0、USB 3.0、USB 3.1 (Type-C) 和 USB 电力输送 (USB-PD) 输入电流设置
    • 可在降压、降压/升压和升压操作之间进无缝转换
    • 提供输入电流和电压调节(IDPM 和 VDPM)以防电源过载
  • 用于 CPU 节流的功率/电流监控器
    • 综合 PROCHOT 设置,符合 IMVP8/IMVP9 要求
    • 输入和电池电流监控器
    • 系统功率监控器,符合 IMVP8/IMVP9 要求
  • 窄电压 DC (NVDC) 电源路径管理
    • 即使没有电池或电池已深度放电亦可瞬时启动
    • 适配器满载时,电池可为系统补充电量
    • 电池 MOSFET 可在补电模式下实现理想二极管运行
  • 通过电池给 USB 端口加电 (USB OTG)
    • 具有 8mV 分辨率的 3V 至 20.8V VOTG
    • 输出电流限值最高为 6.4A,且具有 50mA 分辨率
  • TI 获得专利的直通模式 (PTM),可提高系统功效并实现电池快速充电
  • 当系统仅通过电池供电时,Vmin 有源保护 (VAP) 模式将会在系统峰值功率尖峰期间通过输入电容器为电池补电。
  • 输入电流优化器 (ICO) 可获取最大输入功率
  • 用于 2.2µH 至 1.0µH 电感器的 800kHz 或 1.2MHz 可编程开关频率
  • 可通过主机控制接口实现灵活系统配置
    • I 2C 端口优化系统性能与状态报告
    • 硬件引脚可用于设置输入电流限制,无需 EC 控制
  • 集成型 ADC 可监控电压、电流和功率
  • 高精度调节和监控
    • ±0.5% 充电电压调节
    • ±2% 输入/充电电流调节
    • ±2% 输入/充电电流监测
    • ±4% 功率监控器
  • 安全
    • 热关断
    • 输入、系统和电池过压保护
    • 输入、MOSFET 和电感器过流保护
  • 安全相关认证:
    • 经 IEC 62368-1 CB 认证
  • 低电池静态电流
  • 封装:32 引脚 4×4 WQFN
Number of series cells1, 2, 3, 4
Charge current (max) (A)8.128
Vin (max) (V)24
Cell chemistryLead Acid, Li-Ion/Li-Polymer, Lithium Phosphate/LiFePO4, NiCd, NiMH, SuperCap
Battery charge voltage (min) (V)1.024
Battery charge voltage (max) (V)19.2
Absolute max Vin (max) (V)30
Control topologySwitch-Mode Buck-boost
Control interfaceI2C
FeaturesIC thermal regulation, ICO (Input Current Optimization), IINDPM (Input current limit), Input OVP, Integrated ADC, Power Path, Solar input/MPPT, USB C/PD compatible, USB OTG integrated, VINDPM (Input voltage threshold to maximize adaptor power)
Vin (min) (V)3.5
RatingCatalog
Operating temperature range (°C)-40 to 85
WQFN (RSN)3216 mm² 4 x 4
产品购买
  • 商品型号
  • 封装
  • 工作温度
  • 包装
  • 价格
  • 现货库存
  • 操作
10s
温馨提示:
订单商品问题请移至我的售后服务提交售后申请,其他需投诉问题可移至我的投诉提交,我们将在第一时间给您答复
返回顶部