h1_key

TI(德州仪器) LM5036
德州仪器 (TI) 全系列产品在线购买
  • TI(德州仪器) LM5036
  • TI(德州仪器) LM5036
  • TI(德州仪器) LM5036
  • TI(德州仪器) LM5036
  • TI(德州仪器) LM5036
  • TI(德州仪器) LM5036
立即查看
您当前的位置: 首页 > 电源管理 > 交流/直流和隔离式直流/直流开关稳压器 > PWM 控制器 > LM5036
LM5036

LM5036

正在供货

具有集成辅助偏置电源和稳压预偏置启动的半桥 PWM 控制器

产品详情
  • 说明
  • 特性
  • 参数
  • 封装 | 引脚 | 尺寸

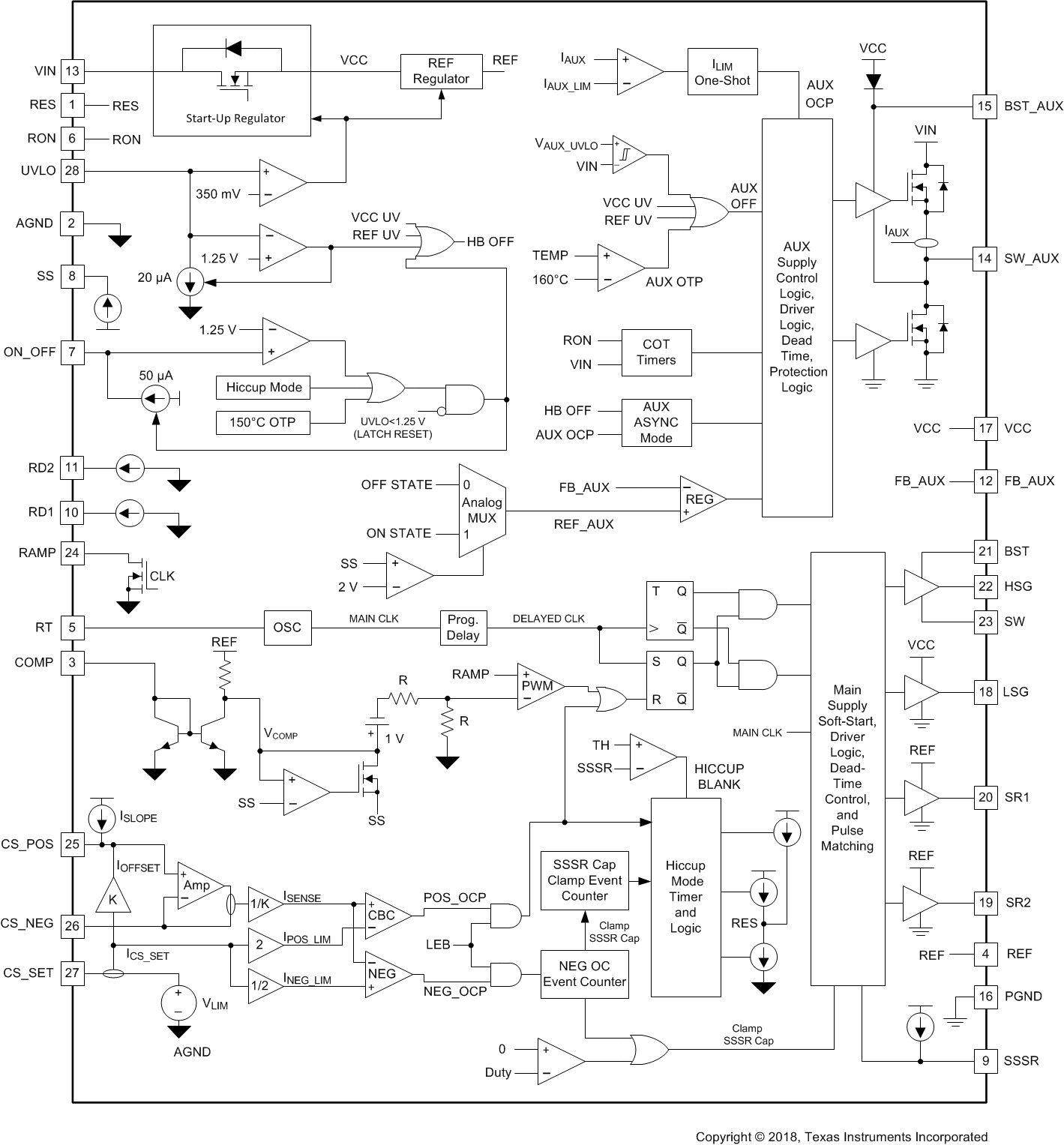
LM5036 PWM 控制器,集成了辅助偏置电源,可为工业隔离式电源应用提供高功率密度。它包含使用带有输入电压前馈的电压模式控制来实现半桥功率转换器所需的所有功能。此控制器适合在直流输入电压高达 100V 的隔离式转换器的初级侧运行。此控制器包含的功能可提高功率密度和可靠性,同时降低系统成本:

  • 作为辅助偏置电源的集成 Fly-Buck 转换器。为一级和二级电路提供偏置电源,具有极少的外部组件。
  • 全稳压预偏置启动。即使启动到预充电输出电容器时,也可消除输出电压过冲或突降。
  • 具有脉冲匹配的增强型逐周期峰值电流限制。此控制器可限制正负电流。脉冲匹配可确保低侧和高侧器件具有相等的脉宽,以避免变压器饱和。输出电流限制在整个输入电压范围内保持大致恒定。

  • 适用于小外形尺寸、高密度直流/直流电源转换器的高集成度控制器
  • 集成 100V、100mA 辅助偏置电源
  • 全稳压预偏置启动
  • 适用于低侧和高侧初级 FET 的具有脉冲匹配的增强型逐周期电流限制
  • 针对初级侧 FET 优化了最大占空比
  • 带有输入电压前馈的电压模式控制
  • 100V 高压启动稳压器
  • 可配置锁存器,支持 OVP
  • 用于初级侧 FET 的集成式 100V、2A MOSFET 驱动器
  • 初级侧和同步整流器 (SR) FET 之间的死区时间可编程
  • 使用 LM5036 并借助 Excel 计算器工具或 WEBENCH Power Designer 创建定制设计方案
TopologyFull bridge, Half bridge, Push pull
Control modeFeedforward
Duty cycle (max) (%)50
Switching frequency (max) (kHz)2000
FeaturesCurrent limiting, Frequency synchronization, High-voltage startup, Input line monitor, Integrated Switch, Leading edge blanking, Multi-topology, Pre-bias startup, Soft start, Synchronization pin, Thermal shutdown, Wide DC input
UVLO thresholds on/off (V)Programmable/1.25V
Operating temperature range (°C)-40 to 125
RatingCatalog
Gate drive (typ) (A)2
WQFN (RJB)2825 mm² 5 x 5
产品购买
  • 商品型号
  • 封装
  • 工作温度
  • 包装
  • 价格
  • 现货库存
  • 操作
10s
温馨提示:
订单商品问题请移至我的售后服务提交售后申请,其他需投诉问题可移至我的投诉提交,我们将在第一时间给您答复
返回顶部