h1_key

TI(德州仪器) LM51501-Q1
德州仪器 (TI) 全系列产品在线购买
  • TI(德州仪器) LM51501-Q1
  • TI(德州仪器) LM51501-Q1
  • TI(德州仪器) LM51501-Q1
  • TI(德州仪器) LM51501-Q1
  • TI(德州仪器) LM51501-Q1
  • TI(德州仪器) LM51501-Q1
立即查看
您当前的位置: 首页 > 电源管理 > 直流/直流开关稳压器 > 升压稳压器 > LM51501-Q1
LM51501-Q1

LM51501-Q1

正在供货

具有 6V、6.5V、9.5V、11.5V 输出选项的汽车类 1.5V 至 42V 输入电压、低 IQ 升压控制器

产品详情
  • 说明
  • 特性
  • 参数
  • 封装 | 引脚 | 尺寸

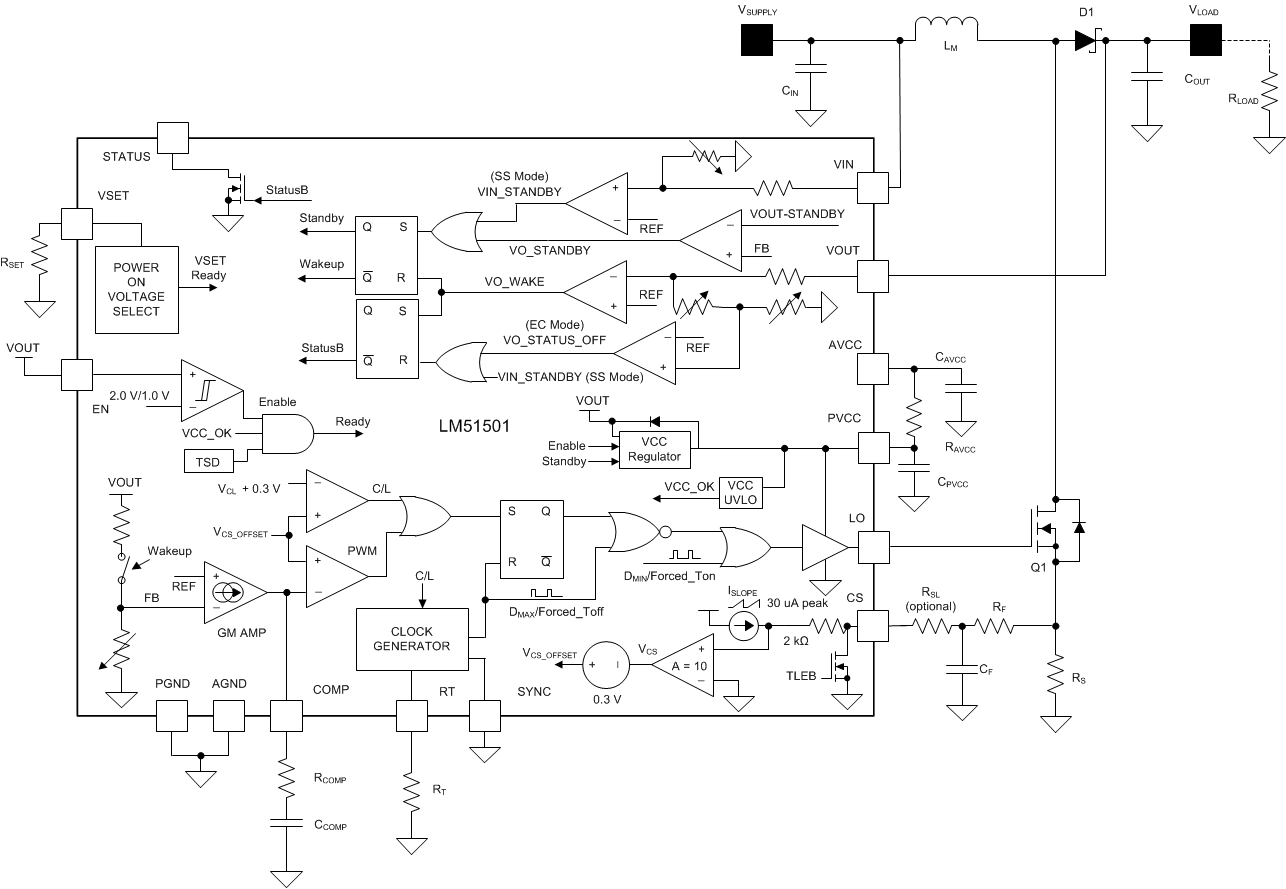
LM51501-Q1 是一款具有宽输入电压范围的自动升压控制器。该器件可用于汽车启动期间利用车辆电池或备用电池维持稳定的输出电压。

可以通过一个电阻器在 220kHz 至 2.3MHz 范围内对 LM51501-Q1 开关频率进行编程。快速开关频率 (≥ 2.2MHz) 可更大限度地降低调幅频带干扰,并支持实现小解决方案尺寸和快速瞬态响应。

LM51501-Q1 在输入或输出电压高于预设待机阈值时以低 IQ 待机模式运行,并且在输出电压降至预设唤醒阈值以下时自动唤醒。

该器件可进入或退出低 IQ 待机模式,以在轻负载下延长电池寿命。单个电阻器对目标输出稳定电压以及配置进行编程。其他特性包括低关断电流、升压状态指示器、可调逐周期电流限制和热关断。当器件未进行升压运行时,状态指示器可用于控制电路以绕过二极管,从而降低功率耗散。在紧急呼叫模式下,该器件可用于控制断开开关,保护备用电池。

  • 符合 AEC-Q100 标准:
    • 器件温度等级 1:–40°C 至 +125°C 环境工作温度范围
    • 器件 HBM ESD 分类等级 2
    • 器件 CDM ESD 分类等级 C4B
  • 提供功能安全
    • 可帮助进行功能安全系统设计的文档
  • 输出电压 ≥ 5V(绝对最大值为 65V)时具有 1.5V 至 42V 的宽输入电压范围
  • 低关断电流 (IQ ≤ 5µA)
  • 低待机电流 (IQ ≤ 15µA)
  • 四种可编程输出电压选项和两种可选配置
    • 6.0V、6.5V、9.5V 或 11.5V
    • 启停或紧急呼叫配置
  • 可调节开关频率范围:220 kHz 至 2.3 MHz
  • 自动唤醒和待机模式转换
  • 可选的时钟同步
  • 升压状态指示器
  • 1.5A 峰值 MOSFET 栅极驱动器
  • 可调逐周期电流限制
  • 热关断保护
  • 16 引脚 WQFN,具有可湿性侧面和非可湿性侧面选项
  • 使用 LM51501-Q1 并借助 WEBENCH Power Designer 创建定制设计方案
TopologyBoost
Vin (min) (V)1.5
Vin (max) (V)42
Vout (min) (V)6
Vout (max) (V)11.5
Regulated outputs (#)1
Switching frequency (min) (kHz)220
Switching frequency (max) (kHz)2300
Iq (typ) (mA)0.015
FeaturesAdjustable current limit, Enable, Frequency synchronization, Light Load Efficiency, Nonsynchronous rectification, Spread Spectrum
Duty cycle (max) (%)87
TI functional safety categoryFunctional Safety-Capable
RatingAutomotive
Operating temperature range (°C)-40 to 150
TypeController
WQFN (RUM)1616 mm² 4 x 4
产品购买
  • 商品型号
  • 封装
  • 工作温度
  • 包装
  • 价格
  • 现货库存
  • 操作
10s
温馨提示:
订单商品问题请移至我的售后服务提交售后申请,其他需投诉问题可移至我的投诉提交,我们将在第一时间给您答复
返回顶部